Запчасти Komatsu D65EX-15 H.S.S (КОРПУС) (/) СИЛОВАЯ ПЕРЕДАЧА И КОНЕЧНАЯ ПЕРЕДАЧА

Схема запчастей Komatsu D65EX-15 - H.S.S (КОРПУС) (/) СИЛОВАЯ ПЕРЕДАЧА И КОНЕЧНАЯ ПЕРЕДАЧА
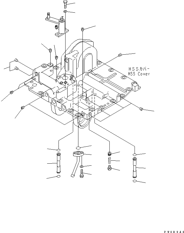
1
1
2
2
2
2
3
3
3
3
3
3
3
4
5
6
7
8
9
10
11
12
13
FIT
1:1
100%

Артикул

Название

Примечание

Количество

1

14Y-22-26180

.TUBE

SN: 67001-UP

2шт.

2

07000-72018

.O-RING

SN: 67001-UP

4шт.

3

07043-70312

.PLUG

SN: 67001-UP

19шт.

4

07042-80108

.PLUG

SN: 67001-UP

1шт.

5

23A-15-15490

.VALVE

SN: 67001-UP

1шт.

6

702-16-52420

.SPRING

SN: 67001-UP

1шт.

7

07040-12012

.PLUG

SN: 67001-UP

1шт.

8

14Y-22-26240

.TUBE

SN: 67001-UP

1шт.

9

07000-73022

.O-RING

SN: 67001-UP

1шт.

10

01010-81035

.BOLT

SN: 67001-UP

2шт.

11

01643-31032

.WASHER

SN: 67001-UP

2шт.

12

01010-81025

.BOLT

SN: 67001-UP

2шт.

13

01643-31032

.WASHER

SN: 67001-UP

2шт.

Выбрано товаров: 13