Запчасти Komatsu D65EX-15E0 ДВИГАТЕЛЬ ЭЛЕКТРОПРОВОДКА (ДВИГАТЕЛЬ ЭЛЕКТРОПРОВОДКА /)(№797-) КОМПОНЕНТЫ ДВИГАТЕЛЯ

Схема запчастей Komatsu D65EX-15E0 - ДВИГАТЕЛЬ ЭЛЕКТРОПРОВОДКА (ДВИГАТЕЛЬ ЭЛЕКТРОПРОВОДКА /)(№797-) КОМПОНЕНТЫ ДВИГАТЕЛЯ
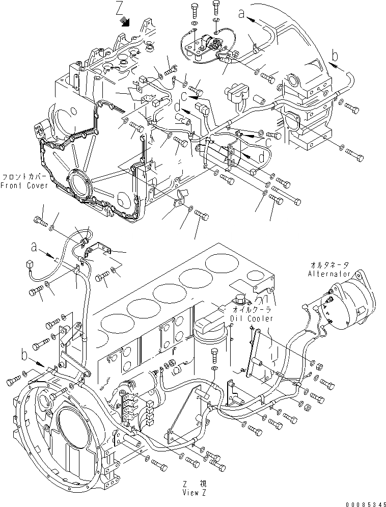
1
2
3
4
5
6
7
8
9
10
11
11
12
12
13
14
15
16
16
16
16
17
17
18
18
19
20
21
22
23
24
25
FIT
1:1
100%

Артикул

Название

Примечание

Количество

1

600-051-2100

CLIP

SN: 69001-UP

1шт.

2

56B-15-15910

SPACER

SN: 71397-UP

1шт.

3

01011-81080

BOLT

SN: 71397-UP

1шт.

4

01643-31032

WASHER

SN: 71397-UP

1шт.

5

600-051-2100

CLIP

SN: 69001-UP

1шт.

6

01010-81016

BOLT

SN: 69001-UP

1шт.

7

01643-31032

WASHER

SN: 69001-UP

1шт.

8

08193-20010

CLIP

SN: 69001-UP

2шт.

9

01010-81025

BOLT

SN: 69001-UP

1шт.

10

01643-31032

WASHER

SN: 69001-UP

1шт.

11

01010-81016

BOLT

SN: 69001-UP

2шт.

12

01643-31032

WASHER

SN: 69001-UP

2шт.

13

14X-06-35390

BRACKET

SN: 69001-UP

1шт.

14

01010-80820

BOLT

SN: 69001-UP

2шт.

15

01643-30823

WASHER

SN: 69001-UP

2шт.

16

600-051-2100

CLIP

SN: 69001-UP

4шт.

17

01010-80820

BOLT

SN: 69001-UP

3шт.

18

01643-30823

WASHER

SN: 69001-UP

3шт.

19

04434-51708

CLIP

SN: 69001-UP

1шт.

20

07095-20211

CUSHION

SN: 69001-UP

1шт.

21

01010-80820

BOLT

SN: 69001-UP

1шт.

22

01643-30823

WASHER

SN: 69001-UP

1шт.

23

14X-06-35590

BRACKET

SN: 71397-UP

1шт.

24

01010-81035

BOLT

SN: 71397-UP

1шт.

25

01643-31032

WASHER

SN: 71397-UP

1шт.

Выбрано товаров: 25