Запчасти Komatsu D65EX-15E0 ПРИБОРНАЯ ПАНЕЛЬ (С КОНДИЦИОНЕРОМ КОРПУС И ПАНЕЛЬ) (/) КАБИНА ОПЕРАТОРА И СИСТЕМА УПРАВЛЕНИЯ

Схема запчастей Komatsu D65EX-15E0 - ПРИБОРНАЯ ПАНЕЛЬ (С КОНДИЦИОНЕРОМ КОРПУС И ПАНЕЛЬ) (/) КАБИНА ОПЕРАТОРА И СИСТЕМА УПРАВЛЕНИЯ
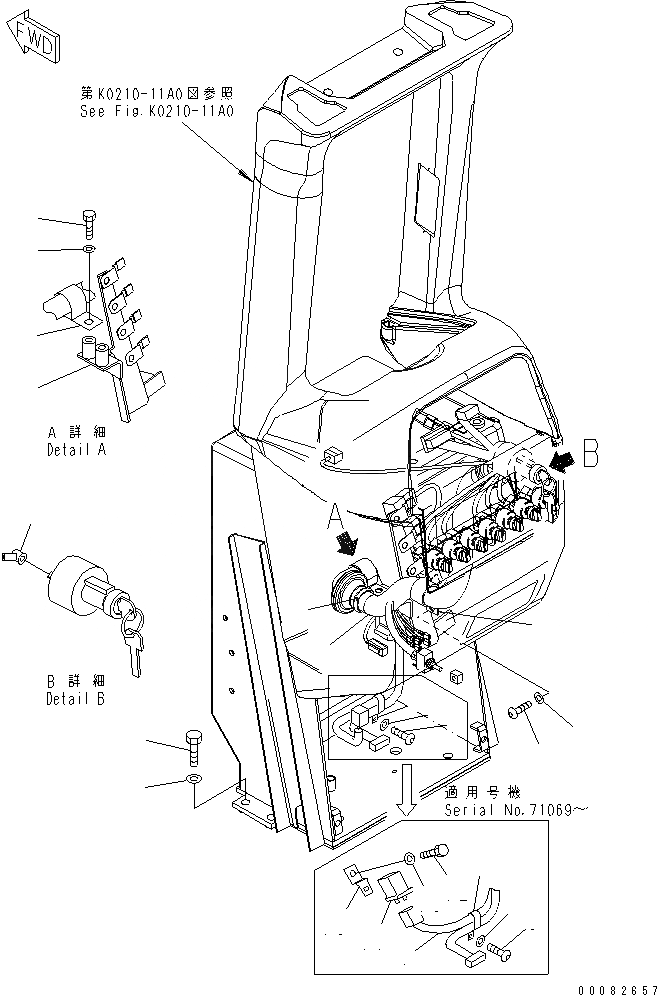
1
1
2
3
4
5
6
7
7
8
8
9
9
10
11
12
13
14
15
16
17
18
19
FIT
1:1
100%

Артикул

Название

Примечание

Количество

1

14X-06-35143

WIRING HARNESS

SN: 71069-UP

1шт.

1

14X-06-35141

WIRING HARNESS

SN: 69001-71068

1шт.

1

08501-21506

SWITCH

SN: 69001-UP

1шт.

2

04434-53412

CLIP

SN: 69001-UP

1шт.

3

01245-00816

SCREW

SN: 69001-UP

1шт.

4

01643-70823

WASHER

SN: 69001-UP

1шт.

5

08034-20536

BAND

SN: 69001-UP

2шт.

6

08038-00518

CAP

SN: 69001-UP

5шт.

7

04435-51408

CLIP

SN: 69001-UP

1шт.

8

01245-00816

SCREW

SN: 69001-UP

1шт.

9

01643-70823

WASHER

SN: 69001-UP

1шт.

10

287-06-16420

BRACKET

SN: 71069-UP

1шт.

11

569-06-61960

RELAY

SN: 71069-UP

1шт.

12

01010-80612

BOLT

SN: 71069-UP

1шт.

13

01643-30623

WASHER

SN: 71069-UP

1шт.

14

01010-81230

BOLT

SN: 69001-UP

6шт.

15

01643-31232

WASHER

SN: 69001-UP

6шт.

16

14X-06-35351

BRACKET

SN: 69001-UP

1шт.

17

04434-53411

CLIP

SN: 69001-UP

1шт.

18

07372-21060

BOLT

SN: 69001-UP

2шт.

19

01643-51032

WASHER

SN: 69001-UP

2шт.

Выбрано товаров: 21