Запчасти Komatsu D65EX-15E0 ФРОНТАЛЬНАЯ ЗАЩИТА (РАДИАТОР COVER) (ДЛЯ ГЕНЕРАТОРА 90А ИЛИ LANDFILL СПЕЦ-Я.) ЧАСТИ КОРПУСА

Схема запчастей Komatsu D65EX-15E0 - ФРОНТАЛЬНАЯ ЗАЩИТА (РАДИАТОР COVER) (ДЛЯ ГЕНЕРАТОРА 90А ИЛИ LANDFILL СПЕЦ-Я.) ЧАСТИ КОРПУСА
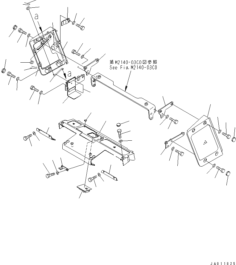
1
2
3
4
5
6
7
8
9
10
11
12
12
13
13
14
15
16
17
18
19
20
20
21
21
22
23
24
24
25
25
26
26
26
26
27
28
29
30
31
32
33
34
35
36
37
38
39
40
40
40
40
FIT
1:1
100%

Артикул

Название

Примечание

Количество

1

14X-54-32171

COVER

SN: 69001-UP

1шт.

2

14X-54-12910

LOCK (WELDED)

SN: 69001-UP

1шт.

3

14X-54-38591

BRACKET

SN: 71684-UP

1шт.

3

14X-54-38590

BRACKET

SN: 69001-71683

1шт.

4

01010-81020

BOLT

SN: 69001-UP

2шт.

5

01643-31032

WASHER

SN: 69001-UP

2шт.

6

01010-81245

BOLT

SN: 69001-UP

4шт.

7

01643-31232

WASHER

SN: 69001-UP

4шт.

8

09415-02512

CAP

SN: 69001-UP

8шт.

9

09415-00506

CAP

SN: 69001-UP

1шт.

10

14X-54-35230

BAFFLE

SN: 69001-UP

1шт.

11

14X-54-35240

BAFFLE

SN: 69001-UP

1шт.

12

01010-81020

BOLT

SN: 69001-UP

4шт.

13

01643-31032

WASHER

SN: 69001-UP

4шт.

14

14X-54-38361

COVER,L.H.

SN: 69001-UP

1шт.

|$28

14X-54-39811

COVER ASS'Y,R.H.

SN: 69920-UP

1шт.

|$29

0

COVER ASS'Y,R.H.

SN: 69001-69919

1шт.

15

14X-54-39821

COVER,R.H.

SN: 69001-UP

1шт.

16

17A-54-14230

LOCK (WELDED)

SN: 69001-UP

1шт.

17

8236-62-4390

HINGE (WELDED)

SN: 69001-UP

2шт.

18

14X-54-35940

PLATE

SN: 69001-UP

1шт.

19

14X-54-35951

HOOK

SN: 69920-UP

1шт.

19

0

HOOK

SN: 69001-69919

1шт.

20

01643-30823

WASHER

SN: 69001-UP

2шт.

21

04050-12015

PIN

SN: 69001-UP

2шт.

22

01010-81020

BOLT

SN: 69001-UP

2шт.

23

01643-31032

WASHER

SN: 69001-UP

2шт.

24

01010-81230

BOLT

SN: 69001-UP

4шт.

25

01010-81225

BOLT

SN: 69001-UP

4шт.

26

130-43-64260

COLLAR

SN: 69001-UP

8шт.

27

14X-54-38581

BRACKET,L.H.

SN: 69001-UP

1шт.

28

01010-81235

BOLT

SN: 69001-UP

2шт.

29

01643-31232

WASHER

SN: 69001-UP

2шт.

30

14X-54-39632

BRACKET

SN: 71828-UP

1шт.

30

14X-54-39631

BRACKET,R.H.

SN: 69001-71827

1шт.

31

205-03-71440

SHEET

SN: 69001-UP

2шт.

32

01010-81235

BOLT

SN: 69001-UP

2шт.

33

01643-31232

WASHER

SN: 69001-UP

2шт.

34

14X-54-38571

BRACKET

SN: 69001-UP

1шт.

35

01010-81235

BOLT

SN: 69001-UP

2шт.

36

01643-31232

WASHER

SN: 69001-UP

2шт.

37

14X-54-38851

BRACKET

SN: 69001-UP

1шт.

38

01010-81235

BOLT

SN: 69001-UP

2шт.

39

01643-31232

WASHER

SN: 69001-UP

2шт.

40

09415-03614

CAP

SN: 69001-UP

8шт.

Выбрано товаров: 45