Запчасти Komatsu D65EX-15E0 ТРАНСМИССИЯ КРЕПЛЕНИЕ СИЛОВАЯ ПЕРЕДАЧА И КОНЕЧНАЯ ПЕРЕДАЧА

Схема запчастей Komatsu D65EX-15E0 - ТРАНСМИССИЯ КРЕПЛЕНИЕ СИЛОВАЯ ПЕРЕДАЧА И КОНЕЧНАЯ ПЕРЕДАЧА
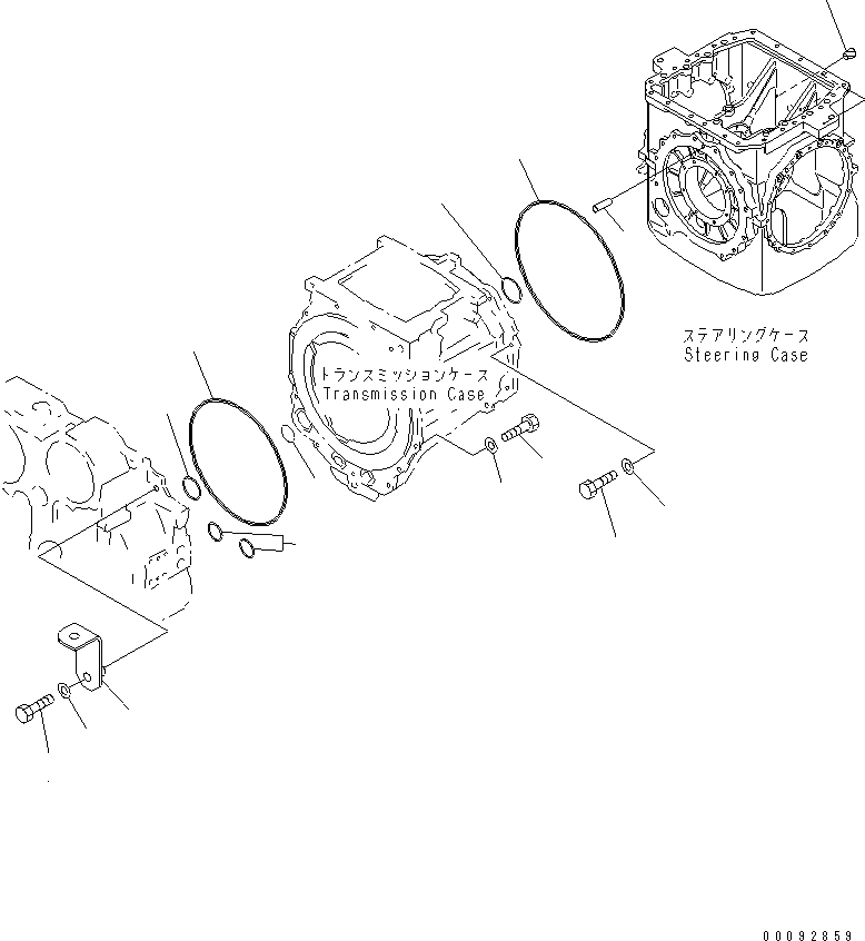
1
2
3
4
5
6
7
8
9
10
11
12
13
14
15
FIT
1:1
100%

Артикул

Название

Примечание

Количество

|$$1

SERIAL NO. IN ( ) INDICATES TRANSMISSION SERIAL NO.

-1шт.

|$2

14Y-22-40000

POWER LINE ASS'Y

SN: 69001-UP

1шт.

|$$3

THIS ASSEMBLY CONSISTS OF ALL PARTS SHOWN IN FIGS.F2300-01C0, FIG.F2300-61A0 TO F2300-65C0.

-1шт.

1

01010-61650

BOLT

SN: 69001-UP

13шт.

2

01643-31645

WASHER

SN: 69001-UP

13шт.

3

04020-01228

PIN

SN: 69001-UP

1шт.

4

07000-72075

O-RING

SN: 69001-UP

1шт.

5

07000-75375

O-RING

SN: 69001-UP

1шт.

5

07000-15380

O-RING

SN: 69001-(101268)

1шт.

6

14X-49-32381

BRACKET

SN: 69001-UP

1шт.

7

01010-81250

BOLT

SN: 69001-UP

1шт.

8

01643-31232

WASHER

SN: 69001-UP

1шт.

9

01010-81235

BOLT

SN: 69001-UP

12шт.

10

01643-31232

WASHER

SN: 69001-UP

12шт.

11

07000-72075

O-RING

SN: 69001-UP

1шт.

12

07000-75500

O-RING

SN: 69001-UP

1шт.

12

568-33-11410

O-RING

SN: 69001-(101268)

1шт.

13

07000-72055

O-RING

SN: 69001-UP

2шт.

14

07000-73030

O-RING

SN: 69001-UP

1шт.

15

07049-01215

PLUG

SN: 69001-UP

3шт.

Выбрано товаров: 20