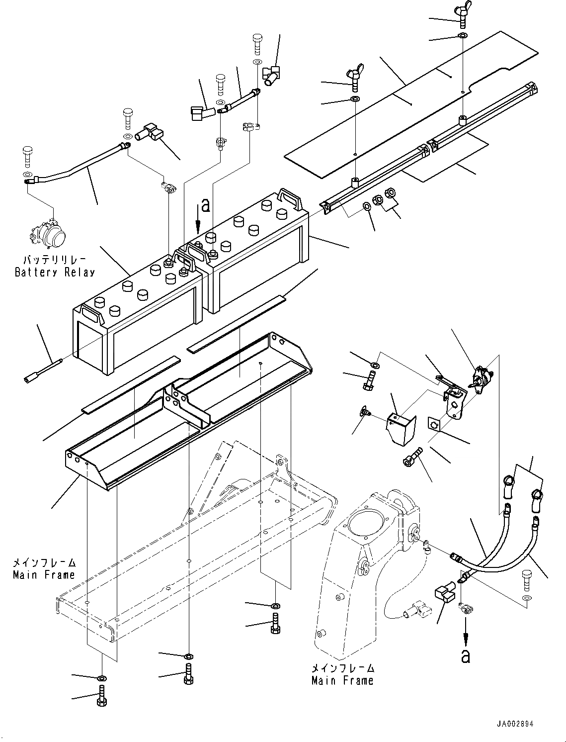
Запчасти Komatsu D65EX-16 АККУМУЛЯТОР, (№8-899) АККУМУЛЯТОР, ВЫСОК. ЕМК., ДЛЯ СТРАН ЕС NOISE REGURATION

Схема запчастей Komatsu D65EX-16 - АККУМУЛЯТОР, (№8-899) АККУМУЛЯТОР, ВЫСОК. ЕМК., ДЛЯ СТРАН ЕС NOISE REGURATION
27
26
27
26
26
27
18
17
19
20
21
23
24
22
16
13
15
14
25
1
5
6
7
9
10
11
12
8
4
1
3
3
28
2
30
29
29
30
FIT
1:1
100%

Артикул

Название

Примечание

Количество

1

08000-3222Z

Battery, Wet, 195G51

SN: 80001-@

2шт.

1

08000-00000

Terminal, (+)

SN: 80001-@

2шт.

1

08000-00001

Terminal, (-)

SN: 80001-@

2шт.

2

14X-06-52111

Bracket

SN: 80001-80949

1шт.

3

08007-23549

Cushion, Battery

SN: 80001-80949

2шт.

4

14X-06-52121

Holder

SN: 80001-80949

2шт.

5

08006-40255

Rod

SN: 80001-80949

4шт.

6

01580-11008

Nut

SN: 80001-@

8шт.

7

01643-31032

Washer

SN: 80001-@

4шт.

8

08028-GD045

Cable, Ground

SN: 80001-@

1шт.

9

14X-06-12280

Cover

SN: 80001-@

1шт.

10

08028-64020

Cable, Battery

SN: 80001-@

1шт.

11

14X-06-12280

Cover

SN: 80001-@

1шт.

12

21J-06-11570

Cover

SN: 80001-@

1шт.

13

14X-06-52811

Bracket

SN: 80001-@

1шт.

14

01010-81025

Bolt

SN: 80001-@

2шт.

15

01643-31032

Washer

SN: 80001-@

2шт.

16

08068-00001

Switch, Battery

SN: 80001-@

1шт.

17

01643-30823

Washer

SN: 80001-@

2шт.

18

01252-70825

Bolt, Hexagon Socket Head

SN: 80001-@

2шт.

19

14X-06-52840

Cover

SN: 80001-@

1шт.

20

20T-54-74510

Cap

SN: 80001-@

2шт.

21

08028-ED040

Cable, Ground

SN: 80001-@

1шт.

22

14X-06-52830

Cable

SN: 80001-@

1шт.

23

08038-00035

Cap, Terminal

SN: 80001-@

2шт.

24

14X-06-12270

Cover

SN: 80001-@

1шт.

25

09697-00001

Plate, Battery Disconnect Switch

SN: 80001-@

1шт.

26

01010-81225

Bolt

SN: 80001-@

5шт.

27

01643-31232

Washer

SN: 80001-@

5шт.

28

14X-06-52480

Sheet

SN: 80001-80949

1шт.

29

01434-00820

Bolt, Wing

SN: 80001-@

2шт.

30

113-43-23230

Washer

SN: 80001-@

2шт.

Выбрано товаров: 32