Запчасти Komatsu D65EX-16 КАБИНА ROPS, КОМПОНЕНТЫ (№8-) КАБИНА ROPS, С KOMTRAX, ORBCOMM, VOLT POWER ВЫПУСКН.

Схема запчастей Komatsu D65EX-16 - КАБИНА ROPS, КОМПОНЕНТЫ (№8-) КАБИНА ROPS, С KOMTRAX, ORBCOMM, VOLT POWER ВЫПУСКН.
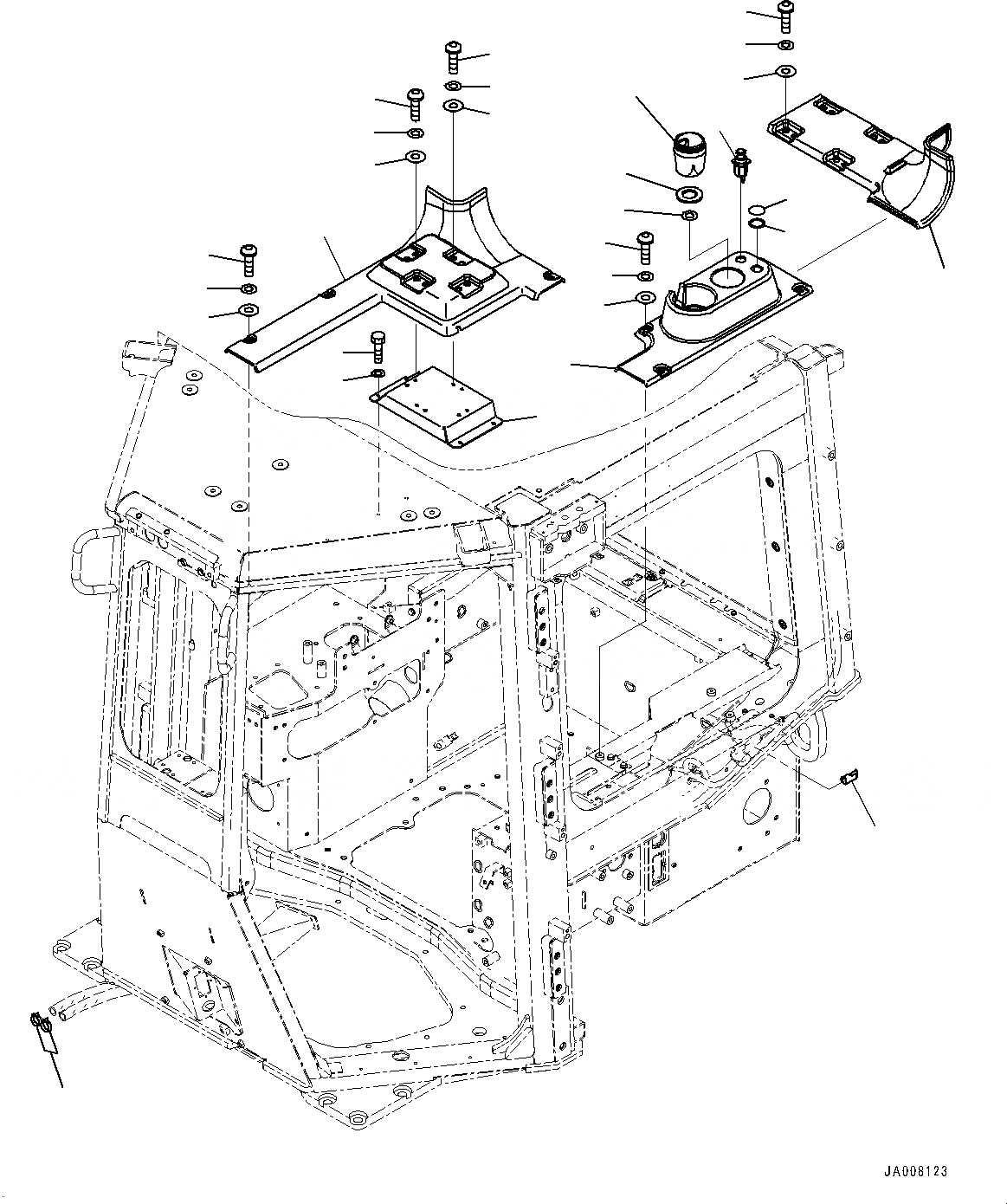
26
11
4
22
6
7
8
10
9
12
14
13
15
19
19
21
20
21
16
17
18
2
3
1
5
20
24
23
25
FIT
1:1
100%

Артикул

Название

Примечание

Количество

1

14X-54-56421

Bracket

SN: 80001-UP

1шт.

2

01010-80616

Bolt

SN: 80001-UP

4шт.

3

01643-30623

Washer

SN: 80001-UP

4шт.

4

14X-Y79-2181

Cover

SN: 80001-UP

1шт.

5

20Y-43-41970

Sheet

SN: 80001-UP

3шт.

6

14X-Y79-2361

Sheet

SN: 80001-UP

2шт.

7

20Y-43-41491

Ashtray

SN: 80001-UP

1шт.

8

01245-00625

Screw

SN: 80001-UP

4шт.

9

12Y-978-2660

Collar

SN: 80001-UP

4шт.

10

01643-70623

Washer

SN: 80001-UP

4шт.

11

14X-Y79-2320

Cover

SN: 80001-UP

1шт.

12

01245-00625

Screw

SN: 80001-UP

8шт.

13

12Y-978-2660

Collar

SN: 80001-UP

8шт.

14

01643-70623

Washer

SN: 80001-UP

8шт.

15

14X-Y79-2330

Cover

SN: 80001-UP

1шт.

16

12Y-978-2660

Collar

SN: 80001-UP

3шт.

17

01643-70623

Washer

SN: 80001-UP

3шт.

18

01245-00625

Screw

SN: 80001-UP

3шт.

19

01245-00625

Screw

SN: 80001-UP

8шт.

20

12Y-978-2660

Collar

SN: 80001-UP

8шт.

21

01643-70623

Washer

SN: 80001-UP

8шт.

22

20Y-06-23472

Cigarette Lighter

SN: 80001-UP

1шт.

23

14X-54-59830

Plate

SN: 80001-UP

1шт.

24

14X-54-59860

Seal

SN: 80001-UP

1шт.

25

14X-54-59170

Connector

SN: 80001-UP

1шт.

26

09479-02400

Clip

SN: 80001-UP

2шт.

Выбрано товаров: 26