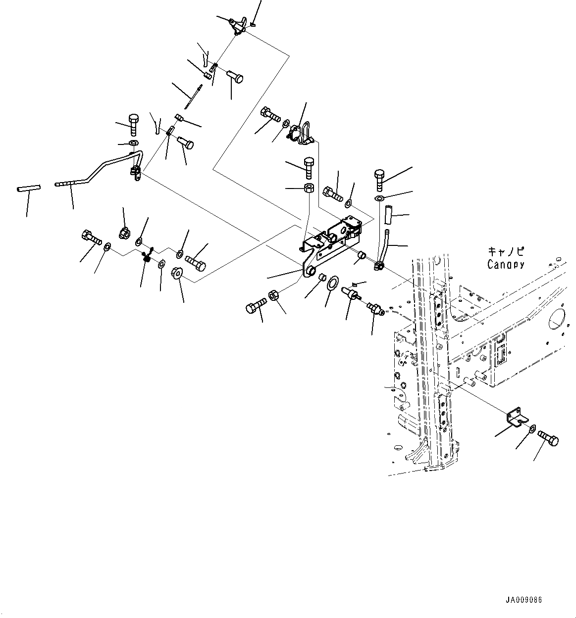
Запчасти Komatsu D65EX-16 СИСТЕМА ROPS, РЫЧАГ СТОЯНОЧНОГО ТОРМОЗА (№88-) СИСТЕМА ROPS

Схема запчастей Komatsu D65EX-16 - СИСТЕМА ROPS, РЫЧАГ СТОЯНОЧНОГО ТОРМОЗА (№88-) СИСТЕМА ROPS
3
9
11
12
19
20
21
22
23
24
25
26
27
28
29
30
31
32
22
21
35
34
33
36
13
10
8
7
2
15
16
16
15
14
38
37
8
7
6
5
4
17
18
17
18
1
3
FIT
1:1
100%

Артикул

Название

Примечание

Количество

1

14X-43-61412

Bracket

SN: 80850-UP

1шт.

2

14X-43-51470

Sheet

SN: 80054-UP

1шт.

3

06124-02020

Bearing

SN: 80054-UP

2шт.

4

11Y-06-22150

Switch, Limit

SN: 80054-UP

1шт.

5

01010-81035

Bolt

SN: 80054-UP

2шт.

6

01643-31032

Washer

SN: 80054-UP

2шт.

7

01016-50830

Bolt

SN: 80054-UP

2шт.

8

01580-10806

Nut

SN: 80054-UP

2шт.

9

14X-43-51421

Lever

SN: 80054-UP

1шт.

10

14X-43-51431

Lever

SN: 80054-UP

1шт.

11

01010-80830

Bolt

SN: 80054-UP

1шт.

12

01643-30823

Washer

SN: 80054-UP

1шт.

13

04010-00516

Key

SN: 80054-UP

1шт.

14

14X-43-51840

Spring

SN: 80054-UP

1шт.

15

01010-80625

Bolt

SN: 80850-UP

2шт.

16

01643-30623

Washer

SN: 80850-UP

2шт.

17

01643-30623

Washer

SN: 80850-UP

2шт.

18

01584-30605

Nut

SN: 80850-UP

2шт.

19

04221-20634

Yoke

SN: 80054-UP

1шт.

20

01508-40603

Nut, Left-handed

SN: 80054-UP

1шт.

21

04205-10618

Pin

SN: 80054-UP

2шт.

22

04050-11612

Pin, Cotter

SN: 80054-UP

2шт.

23

04211-20634

Yoke

SN: 80054-UP

1шт.

24

01580-10605

Nut

SN: 80054-UP

1шт.

25

04248-30613

Rod

SN: 80054-UP

1шт.

26

14X-43-51741

Lever

SN: 80054-UP

1шт.

27

14X-43-51452

Lever

SN: 80850-UP

1шт.

28

01010-80830

Bolt

SN: 80054-UP

1шт.

29

01643-30823

Washer

SN: 80054-UP

1шт.

30

04010-00516

Key

SN: 80054-UP

1шт.

31

22M-43-21470

Knob

SN: 80054-UP

1шт.

32

417-43-28270

Cap

SN: 80054-UP

1шт.

33

14X-43-51461

Bracket

SN: 80054-UP

1шт.

34

01010-81025

Bolt

SN: 80054-UP

2шт.

35

01643-31032

Washer

SN: 80054-UP

2шт.

36

07020-00000

Fitting, Grease

SN: 80054-UP

1шт.

37

01010-81025

Bolt

SN: 80054-UP

2шт.

38

01643-31032

Washer

SN: 80054-UP

2шт.

Выбрано товаров: 38