Запчасти Komatsu D65EX-16 БЛОК КОНДИЦИОНЕРА, БЛОК КОНДИЦИОНЕРА КРЕПЛЕНИЕ (№8-88) БЛОК КОНДИЦИОНЕРА, С HARDENED ШКИВ

Схема запчастей Komatsu D65EX-16 - БЛОК КОНДИЦИОНЕРА, БЛОК КОНДИЦИОНЕРА КРЕПЛЕНИЕ (№8-88) БЛОК КОНДИЦИОНЕРА, С HARDENED ШКИВ
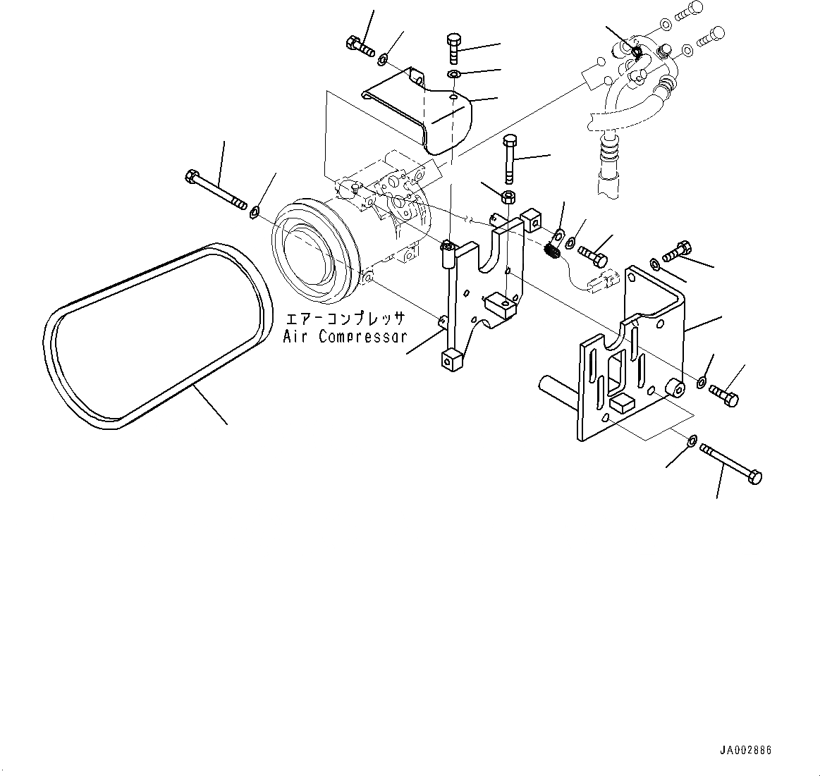
1
2
3
4
5
6
7
8
9
10
11
12
13
14
15
16
17
18
19
20
19
20
FIT
1:1
100%

Артикул

Название

Примечание

Количество

1

14X-Z11-9222

Bracket

SN: 81185-@

1шт.

1

14X-Z11-9221

Bracket

SN: 80001-81184

1шт.

2

01010-81030

Bolt

SN: 80001-81184

2шт.

3

01643-31032

Washer

SN: 80001-@

2шт.

4

01011-81040

Bolt

SN: 80001-81184

2шт.

5

01643-31032

Washer

SN: 80001-@

2шт.

6

14X-Y11-1410

Bracket

SN: 80001-@

1шт.

7

01010-80880

Bolt

SN: 80001-@

4шт.

8

01643-30823

Washer

SN: 80001-@

4шт.

9

01010-81025

Bolt

SN: 80001-81184

4шт.

10

01643-31032

Washer

SN: 80001-@

4шт.

11

01016-51090

Bolt

SN: 80001-@

1шт.

12

01580-11008

Nut

SN: 80001-@

1шт.

13

04120-21748

V-belt

SN: 80001-@

1шт.

14

600-051-2050

Clip

SN: 80001-@

1шт.

15

01010-81020

Bolt

SN: 80001-@

1шт.

16

01643-31032

Washer

SN: 80001-@

1шт.

17

08034-40521

Band

SN: 80001-@

1шт.

18

14X-911-8534

Cover

SN: 80065-@

1шт.

18

14X-911-8533

Cover

SN: 80001-80064

1шт.

19

01010-80820

Bolt

SN: 80001-@

2шт.

20

01643-30823

Washer

SN: 80001-@

2шт.

Выбрано товаров: 22