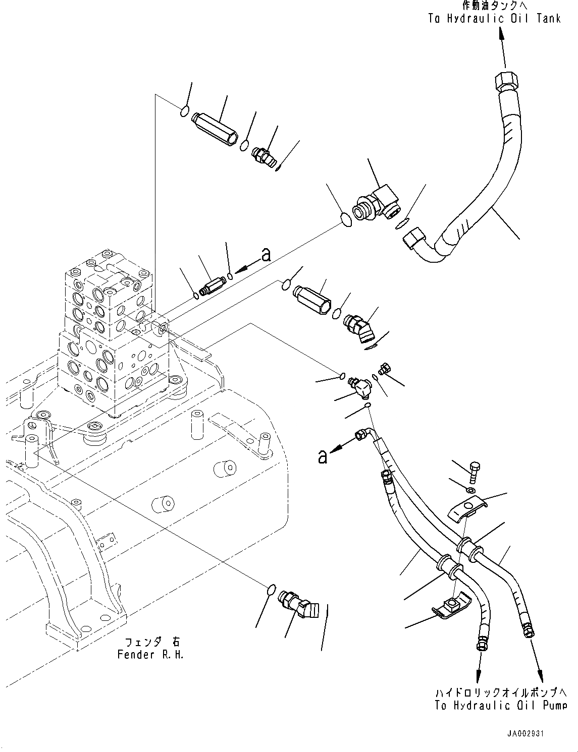
Запчасти Komatsu D65EX-16 КРЫЛО ГРУППА, ГИДРОЛИНИЯ (№8-) КРЫЛО ГРУППА, ДЛЯ MACHINE С 3-Х СЕКЦИОНН. КЛАПАН ГИДРАВЛS

Схема запчастей Komatsu D65EX-16 - КРЫЛО ГРУППА, ГИДРОЛИНИЯ (№8-) КРЫЛО ГРУППА, ДЛЯ MACHINE С 3-Х СЕКЦИОНН. КЛАПАН ГИДРАВЛS
24
23
21
22
20
14
13
12
11
10
9
31
30
29
28
27
26
25
7
6
5
4
3
2
1
8
19
18
17
16
15
28
29
FIT
1:1
100%

Артикул

Название

Примечание

Количество

1

21W-62-42640

Elbow

SN: 80001-UP

1шт.

2

07002-13334

O-ring

SN: 80001-UP

1шт.

3

207-62-64740

O-ring

SN: 80001-UP

1шт.

4

14X-62-54870

Tee

SN: 80001-UP

1шт.

5

07002-11423

O-ring

SN: 80001-UP

1шт.

6

02896-11008

O-ring

SN: 80001-UP

1шт.

7

07040-11007

Plug

SN: 80001-UP

1шт.

8

07002-11023

O-ring

SN: 80001-UP

1шт.

9

11Y-62-12230

Union

SN: 80001-UP

1шт.

10

07002-11423

O-ring

SN: 80001-UP

1шт.

11

02896-11008

O-ring

SN: 80001-UP

1шт.

12

11Y-62-36160

Elbow

SN: 80001-UP

2шт.

13

07002-62434

O-ring

SN: 80001-UP

2шт.

14

02896-61018

O-ring

SN: 80001-UP

2шт.

15

02783-10628

Elbow

SN: 80001-UP

2шт.

16

07002-12434

O-ring

SN: 80001-UP

2шт.

17

02896-11018

O-ring

SN: 80001-UP

2шт.

18

20T-62-81790

Joint

SN: 80001-UP

2шт.

19

07002-12434

O-ring

SN: 80001-UP

2шт.

20

02783-10315

Elbow

SN: 80001-UP

2шт.

21

07002-12034

O-ring

SN: 80001-UP

2шт.

22

02896-11009

O-ring

SN: 80001-UP

2шт.

23

14X-62-52931

Joint

SN: 80001-UP

2шт.

24

07002-12034

O-ring

SN: 80001-UP

2шт.

25

14X-62-52940

Hose

SN: 80001-UP

1шт.

26

14X-62-52391

Hose

SN: 80001-UP

1шт.

27

14X-62-52541

Hose

SN: 80001-UP

1шт.

28

22P-62-13540

Clamp

SN: 80001-UP

2шт.

29

07095-00314

Cushion

SN: 80001-UP

2шт.

30

01010-81260

Bolt

SN: 80001-UP

1шт.

31

01643-31232

Washer

SN: 80001-UP

1шт.

Выбрано товаров: 0