Запчасти Komatsu D65EX-16 КРЫЛО ГРУППА, НАСОС СМАЗКИ ДЕРЖАТЕЛЬ (№8-) КРЫЛО ГРУППА, ДЛЯ MACHINE С 5-СЕКЦИОНН. КЛАПАН ГИДРАВЛS, С ПОВОРОТН. ОТВАЛ С ИЗМ. УГЛОМ DOZER

Схема запчастей Komatsu D65EX-16 - КРЫЛО ГРУППА, НАСОС СМАЗКИ ДЕРЖАТЕЛЬ (№8-) КРЫЛО ГРУППА, ДЛЯ MACHINE С 5-СЕКЦИОНН. КЛАПАН ГИДРАВЛS, С ПОВОРОТН. ОТВАЛ С ИЗМ. УГЛОМ DOZER
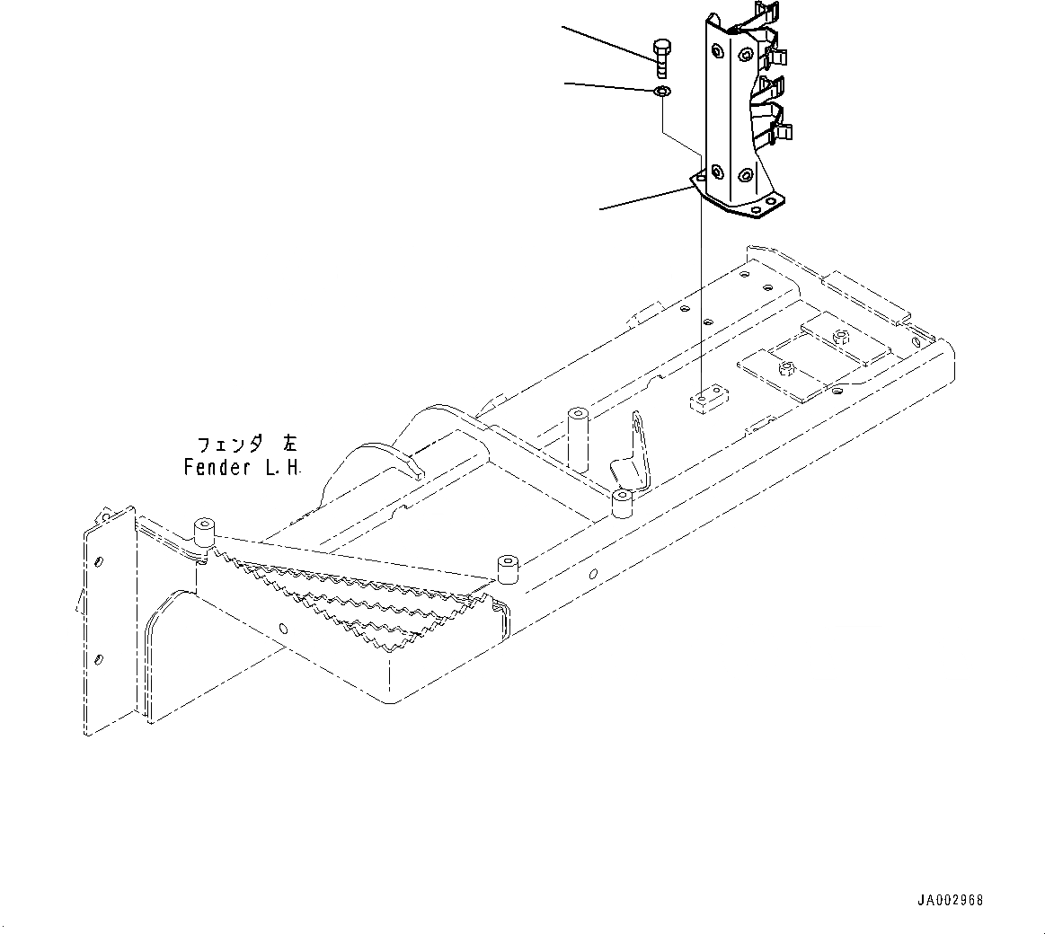
2
3
1
FIT
1:1
100%

Артикул

Название

Примечание

Количество

1

14X-54-63191

Bracket

SN: 80950-UP

1шт.

1

14X-54-53191

Bracket

SN: 80001-80949

1шт.

2

01010-81020

Bolt

SN: 80001-UP

4шт.

3

01643-31032

Washer

SN: 80001-UP

4шт.

Выбрано товаров: 4