Запчасти Komatsu D65EX-16 КРЫЛО ГРУППА, УПРАВЛЯЮЩ. КЛАПАН ГИДРАВЛИКА РУЛ. УПРАВЛЕНИЯ (№89-) КРЫЛО ГРУППА, ДЛЯ MACHINE С 3-Х СЕКЦИОНН. КЛАПАН ГИДРАВЛS, ДЛЯ MACHINE С МЕХАНИЧ. ПОВОРОТНЫЙ ОТВАЛ

Схема запчастей Komatsu D65EX-16 - КРЫЛО ГРУППА, УПРАВЛЯЮЩ. КЛАПАН ГИДРАВЛИКА РУЛ. УПРАВЛЕНИЯ (№89-) КРЫЛО ГРУППА, ДЛЯ MACHINE С 3-Х СЕКЦИОНН. КЛАПАН ГИДРАВЛS, ДЛЯ MACHINE С МЕХАНИЧ. ПОВОРОТНЫЙ ОТВАЛ
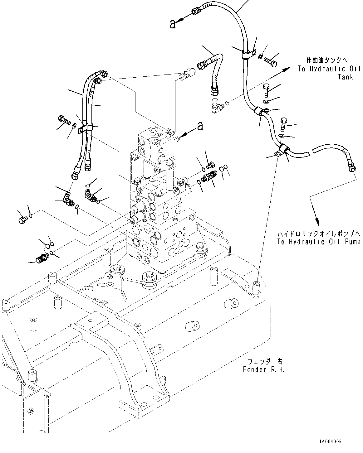
7
6
5
4
9
8
27
27
26
25
24
23
22
21
20
19
18
17
16
15
14
13
12
11
10
8
9
3
2
1
7
24
24
26
25
25
27
26
FIT
1:1
100%

Артикул

Название

Примечание

Количество

1

14X-62-53531

Elbow

SN: 80009-UP

1шт.

2

201-60-11390

O-ring

SN: 80009-UP

1шт.

3

20Y-62-19560

O-ring

SN: 80009-UP

1шт.

4

14X-62-54960

Elbow

SN: 80009-UP

1шт.

5

201-60-11390

O-ring

SN: 80009-UP

1шт.

6

20Y-62-19560

O-ring

SN: 80009-UP

1шт.

7

07002-11423

O-ring

SN: 80009-UP

2шт.

8

07040-11409

Plug

SN: 80009-UP

2шт.

9

07002-11423

O-ring

SN: 80009-UP

2шт.

10

02782-10210

Elbow

SN: 80009-UP

1шт.

11

07002-11423

O-ring

SN: 80009-UP

1шт.

12

02896-11008

O-ring

SN: 80009-UP

1шт.

13

02782-10210

Elbow

SN: 80009-UP

1шт.

14

07002-11423

O-ring

SN: 80009-UP

1шт.

15

02896-11008

O-ring

SN: 80009-UP

1шт.

16

14X-62-52521

Hose

SN: 80009-UP

1шт.

17

02764-00205

Hose, Face Seal Type

SN: 80009-UP

1шт.

18

02764-00204

Hose, Face Seal Type

SN: 80009-UP

1шт.

19

02762-00303

Hose, Face Seal Type

SN: 80009-UP

1шт.

20

04434-51212

Clip

SN: 80009-UP

1шт.

21

21T-72-23260

Clip

SN: 80009-UP

1шт.

22

01010-81225

Bolt

SN: 80009-UP

1шт.

23

01643-31232

Washer

SN: 80009-UP

1шт.

24

04434-51712

Clip

SN: 80009-UP

3шт.

25

07095-20211

Cushion

SN: 80009-UP

3шт.

26

01010-81220

Bolt

SN: 80009-UP

3шт.

27

01643-31232

Washer

SN: 80009-UP

3шт.

Выбрано товаров: 0