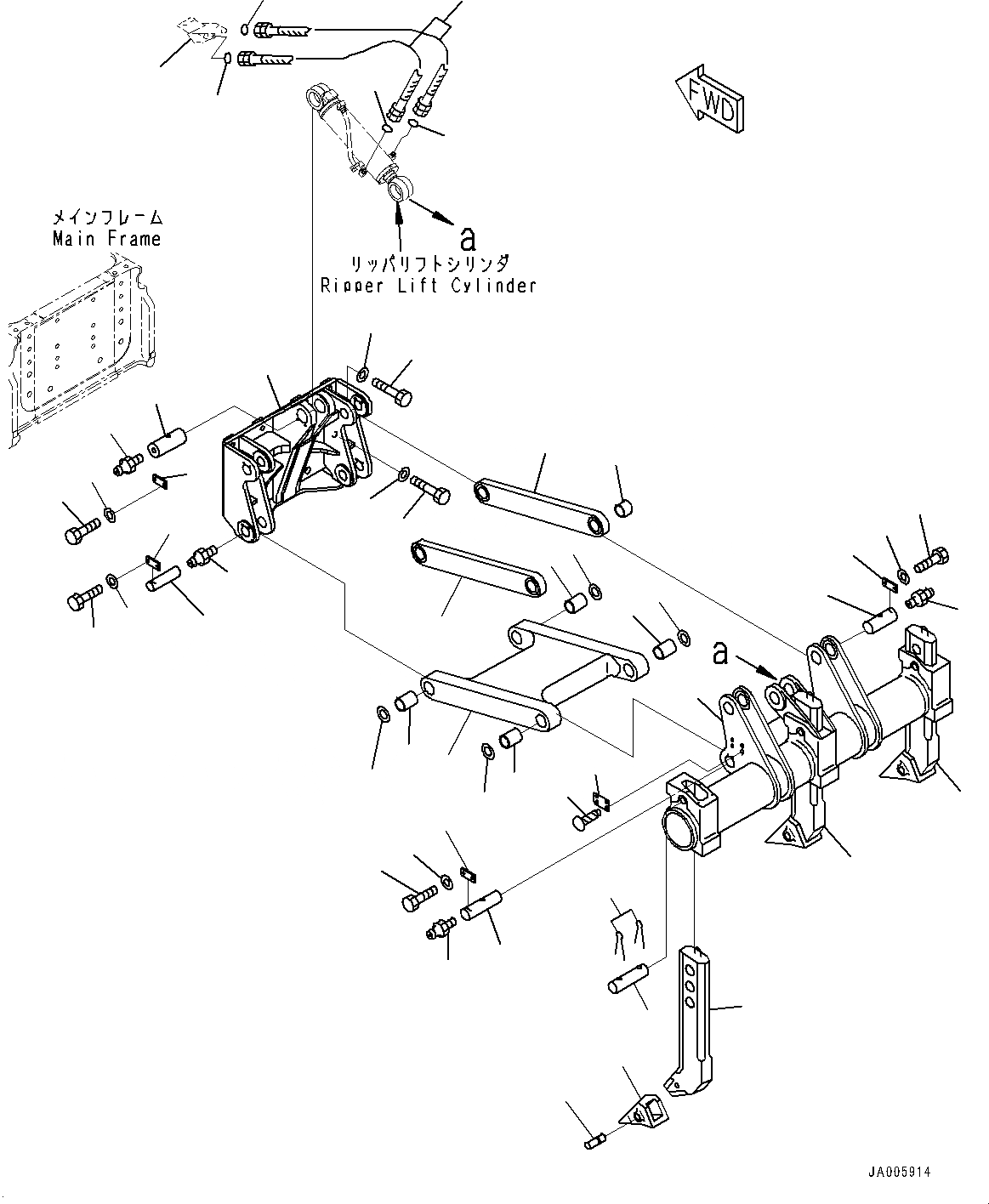
Запчасти Komatsu D65EX-16 РЫХЛИТЕЛЬ ГРУППА, (№8-) РЫХЛИТЕЛЬ ГРУППА, ФИКС. DIGGING ANGLE MULTI SHANK РЫХЛИТЕЛЬ

Схема запчастей Komatsu D65EX-16 - РЫХЛИТЕЛЬ ГРУППА, (№8-) РЫХЛИТЕЛЬ ГРУППА, ФИКС. DIGGING ANGLE MULTI SHANK РЫХЛИТЕЛЬ
9
17
21
20
19
18
21
7
10
11
13
5
29
30
31
32
1
34
21
12
26
26
28
27
6
26
23
9
11
10
21
22
2
25
24
3
8
8
5
33
34
34
34
35
4
4
15
16
14
8
4
8
4
FIT
1:1
100%

Артикул

Название

Примечание

Количество

1

14X-78-52111

Support

SN: 80001-UP

1шт.

2

144-78-11511

Beam

SN: 80001-UP

1шт.

3

144-78-11174

Link

SN: 80001-UP

1шт.

4

203-70-44540

Spacer

SN: 80252-UP

4шт.

5

144-78-11162

Link

SN: 80001-UP

2шт.

6

144-874-8470

Pin

SN: 80001-UP

2шт.

7

14X-78-11310

Pin

SN: 80001-UP

2шт.

8

141-78-11321

Bushing

SN: 80001-UP

4шт.

9

04082-00212

Lock

SN: 80001-UP

4шт.

10

01010-81235

Bolt

SN: 80001-UP

8шт.

11

01643-31232

Washer

SN: 80001-UP

8шт.

12

144-874-8480

Pin

SN: 80001-UP

4шт.

13

141-78-11311

Bushing

SN: 80001-UP

4шт.

14

04082-00212

Lock

SN: 80001-UP

4шт.

15

01010-81235

Bolt

SN: 80001-UP

8шт.

16

01643-31232

Washer

SN: 80001-UP

8шт.

17

144-874-8491

Pin

SN: 80001-UP

2шт.

18

04082-00514

Lock

SN: 80001-UP

2шт.

19

01010-81435

Bolt

SN: 80001-UP

4шт.

20

01643-31445

Washer, Flat

SN: 80001-UP

4шт.

21

07020-00000

Fitting, Grease

SN: 80001-UP

10шт.

22

144-78-11570

Pin

SN: 80001-UP

3шт.

23

04050-10060

Pin, Cotter

SN: 80001-UP

6шт.

24

09601-50000

Plate, Name (Limited Supply), EU Regulation

SN: 80001-UP

1шт.

25

04418-13060

Screw

SN: 80001-UP

4шт.

26

144-78-11245

Shank

SN: 80001-UP

3шт.

27

141-78-11253

Point

SN: 80001-UP

3шт.

28

09244-02508

Pin

SN: 80001-UP

3шт.

29

01010-83390

Bolt

SN: 80001-UP

6шт.

30

01643-33380

Washer

SN: 80001-UP

6шт.

31

01010-82480

Bolt

SN: 80001-UP

10шт.

32

01643-32460

Washer

SN: 80001-UP

10шт.

33

02756-20511

Hose, Face Seal Type

SN: 80001-UP

2шт.

34

02896-11015

O-ring

SN: 80001-UP

4шт.

35

14X-78-51171

Block

SN: UP

-1шт.

Выбрано товаров: 35