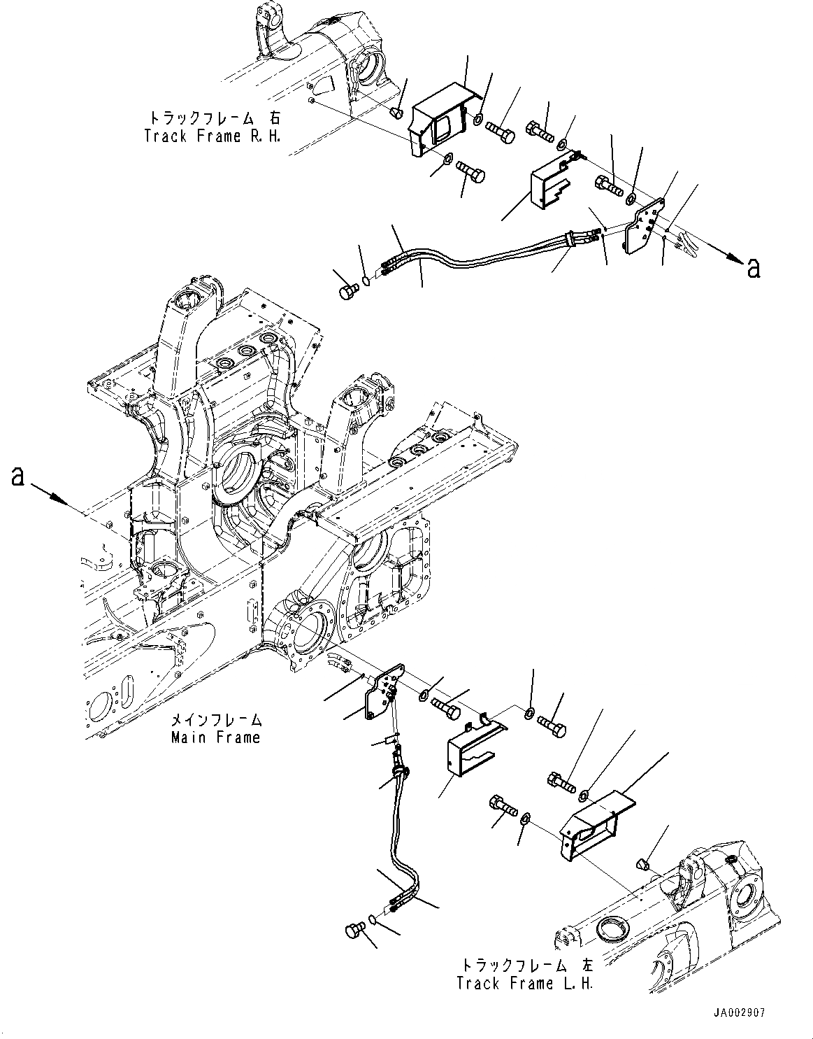
Запчасти Komatsu D65EX-16 DOZER ПЕРЕКОС. ОТВАЛА ТРУБЫ, КРЫШКИ (№8-) DOZER ПЕРЕКОС. ОТВАЛА ТРУБЫ, С ОТВАЛ С ПЕРЕКОСОМ

Схема запчастей Komatsu D65EX-16 - DOZER ПЕРЕКОС. ОТВАЛА ТРУБЫ, КРЫШКИ (№8-) DOZER ПЕРЕКОС. ОТВАЛА ТРУБЫ, С ОТВАЛ С ПЕРЕКОСОМ
1
2
3
4
5
6
7
8
9
10
11
12
13
2
2
2
14
15
17
16
30
13
28
24
23
27
22
20
15
14
19
17
19
29
21
26
25
16
18
30
FIT
1:1
100%

Артикул

Название

Примечание

Количество

1

14X-62-51971

Bracket

SN: 80001-UP

1шт.

2

02896-11009

O-ring

SN: 80001-UP

4шт.

3

01010-82055

Bolt

SN: 80001-UP

2шт.

4

01643-32060

Washer

SN: 80001-UP

2шт.

5

14X-62-51980

Cover

SN: 80001-UP

1шт.

6

01010-81235

Bolt

SN: 80001-UP

3шт.

7

01643-31232

Washer

SN: 80001-UP

3шт.

8

14X-62-51991

Cover

SN: 80001-UP

1шт.

9

01010-81235

Bolt

SN: 80001-UP

1шт.

10

01643-31232

Washer

SN: 80001-UP

1шт.

11

01010-81265

Bolt

SN: 80001-UP

2шт.

12

01643-31232

Washer

SN: 80001-UP

2шт.

13

14X-62-52111

Hose Assembly

SN: 80001-UP

2шт.

13

21U-62-34760

Band, Red

SN: 80001-UP

2шт.

13

14X-62-52460

Cover

SN: 80001-UP

1шт.

13

14X-62-52190

Hose

SN: 80001-UP

1шт.

13

08024-11920

Tape, Vinyl, Red

SN: 80001-UP

1шт.

14

14X-62-53571

Hose Assembly

SN: 80001-UP

2шт.

14

21U-62-34770

Band, White

SN: 80001-UP

2шт.

14

14X-62-52460

Cover

SN: 80001-UP

1шт.

14

14X-62-52190

Hose

SN: 80001-UP

1шт.

14

08024-21920

Tape, White

SN: 80001-UP

1шт.

15

14X-62-53840

Rubber

SN: 80001-UP

2шт.

16

07376-70315

Plug

SN: 80001-UP

4шт.

17

02896-11009

O-ring

SN: 80001-UP

4шт.

18

14X-62-54551

Bracket

SN: 80001-UP

1шт.

19

02896-11009

O-ring

SN: 80001-UP

4шт.

20

01010-82055

Bolt

SN: 80001-UP

2шт.

21

01643-32060

Washer

SN: 80001-UP

2шт.

22

14X-62-54560

Cover

SN: 80001-UP

1шт.

23

01010-81235

Bolt

SN: 80001-UP

3шт.

24

01643-31232

Washer

SN: 80001-UP

3шт.

25

14X-62-54571

Cover

SN: 80001-UP

1шт.

26

01010-81235

Bolt

SN: 80001-UP

1шт.

27

01643-31232

Washer

SN: 80001-UP

1шт.

28

01010-81265

Bolt

SN: 80001-UP

2шт.

29

01643-31232

Washer

SN: 80001-UP

2шт.

30

07049-01215

Plug

SN: 80001-UP

2шт.

Выбрано товаров: 38