Запчасти Komatsu D65EX-16 ЗАГЛУШКА ДЛЯ НАКЛОН. ТРУБЫ (№8-) ЗАГЛУШКА ДЛЯ НАКЛОН. ТРУБЫ

Схема запчастей Komatsu D65EX-16 - ЗАГЛУШКА ДЛЯ НАКЛОН. ТРУБЫ (№8-) ЗАГЛУШКА ДЛЯ НАКЛОН. ТРУБЫ
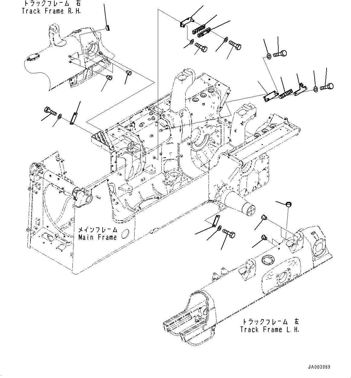
1
2
3
4
5
6
7
19
18
14
13
12
11
10
9
8
16
15
17
18
18
18
19
17
16
15
FIT
1:1
100%

Артикул

Название

Примечание

Количество

1

14X-62-52881

Plate

SN: 80016-UP

1шт.

2

01010-81225

Bolt

SN: 80016-UP

2шт.

3

01643-31232

Washer

SN: 80016-UP

2шт.

4

14X-62-54741

Rubber

SN: 80016-UP

1шт.

5

14X-62-52631

Clamp

SN: 80016-UP

1шт.

6

01010-81230

Bolt

SN: 80016-UP

2шт.

7

01643-31232

Washer

SN: 80016-UP

2шт.

8

14X-62-52890

Plate

SN: 80016-UP

1шт.

9

01010-81225

Bolt

SN: 80016-UP

2шт.

10

01643-31232

Washer

SN: 80016-UP

2шт.

11

14X-62-52911

Rubber

SN: 80016-UP

1шт.

12

14X-62-51510

Bracket

SN: 80016-UP

1шт.

13

01010-81230

Bolt

SN: 80016-UP

2шт.

14

01643-31232

Washer

SN: 80016-UP

2шт.

15

14X-62-11460

Plate

SN: 80016-UP

2шт.

16

01010-82040

Bolt

SN: 80016-UP

4шт.

17

01643-32060

Washer

SN: 80016-UP

4шт.

18

07049-01215

Plug

SN: 80016-UP

8шт.

19

14X-62-54880

Rubber

SN: 80016-UP

2шт.

Выбрано товаров: 19