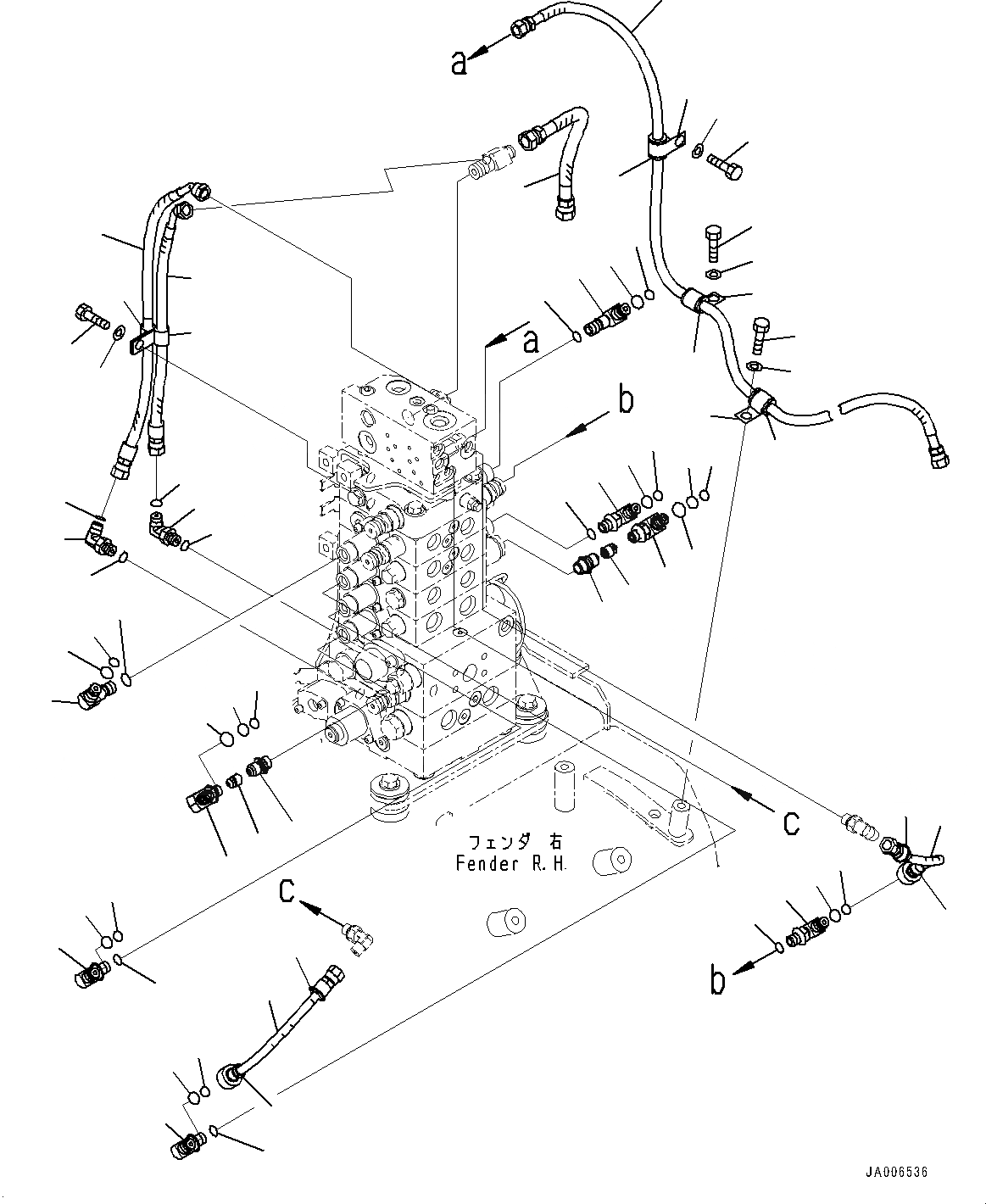
Запчасти Komatsu D65EX-17 КРЫЛО, УПРАВЛЯЮЩ. КЛАПАН ГИДРАВЛИКА РУЛ. УПРАВЛЕНИЯ (№-) КРЫЛО, ПОВОРОТН. ОТВАЛ С ИЗМ. УГЛОМ DOZER, ВНУТР. РАМА, ЗАДН. -НАВЕСН. ОБОРУД, АККУМУЛЯТОР, PPC ТРУБЫ, D MACHINE УПРАВЛ-Е ЗАГЛУШКА И PLAY

Схема запчастей Komatsu D65EX-17 - КРЫЛО, УПРАВЛЯЮЩ. КЛАПАН ГИДРАВЛИКА РУЛ. УПРАВЛЕНИЯ (№-) КРЫЛО, ПОВОРОТН. ОТВАЛ С ИЗМ. УГЛОМ DOZER, ВНУТР. РАМА, ЗАДН. -НАВЕСН. ОБОРУД, АККУМУЛЯТОР, PPC ТРУБЫ, D MACHINE УПРАВЛ-Е ЗАГЛУШКА И PLAY
24
25
26
27
28
29
31
32
34
35
36
37
20
23
40
41
39
39
40
38
38
20
23
41
41
40
39
38
33
30
22
21
22
21
12
13
14
15
19
18
17
16
16
17
18
19
4
2
5
11
3
1
43
43
42
12
13
14
15
11
9
8
7
6
10
44
45
45
FIT
1:1
100%

Артикул

Название

Примечание

Количество

|$0

14X-62-55560

Valve Assembly

SN: 1001-UP

1шт.

1

14X-62-54940

Elbow

SN: 1001-UP

1шт.

2

201-60-11390

O-ring

SN: 1001-UP

1шт.

3

20Y-62-19560

O-ring

SN: 1001-UP

1шт.

4

21W-62-44740

Plug

SN: 1001-UP

1шт.

5

21W-973-3420

Poppet

SN: 1001-UP

1шт.

5

14X-62-55560

Valve Assembly

SN: 1001-UP

1шт.

6

14X-62-54940

Elbow

SN: 1001-UP

1шт.

7

201-60-11390

O-ring

SN: 1001-UP

1шт.

8

20Y-62-19560

O-ring

SN: 1001-UP

1шт.

9

21W-62-44740

Plug

SN: 1001-UP

1шт.

10

21W-973-3420

Poppet

SN: 1001-UP

1шт.

11

07002-11423

O-ring

SN: 1001-UP

2шт.

12

14X-62-53541

Elbow

SN: 1001-UP

2шт.

13

201-60-11390

O-ring

SN: 1001-UP

1шт.

14

20Y-62-19560

O-ring

SN: 1001-UP

1шт.

15

07002-11423

O-ring

SN: 1001-UP

2шт.

16

14X-62-54950

Elbow

SN: 1001-UP

2шт.

17

201-60-11390

O-ring

SN: 1001-UP

1шт.

18

20Y-62-19560

O-ring

SN: 1001-UP

1шт.

19

07002-11423

O-ring

SN: 1001-UP

2шт.

20

14X-62-53541

Elbow

SN: 1001-UP

2шт.

21

201-60-11390

O-ring

SN: 1001-UP

1шт.

22

20Y-62-19560

O-ring

SN: 1001-UP

1шт.

23

07002-11423

O-ring

SN: 1001-UP

2шт.

24

02782-10210

Elbow

SN: 1001-UP

1шт.

25

07002-11423

O-ring

SN: 1001-UP

1шт.

26

02896-11008

O-ring

SN: 1001-UP

1шт.

27

02782-10210

Elbow

SN: 1001-UP

1шт.

28

07002-11423

O-ring

SN: 1001-UP

1шт.

29

02896-11008

O-ring

SN: 1001-UP

1шт.

30

14X-62-52521

Hose

SN: 1001-UP

1шт.

31

02764-00205

Hose, Face Seal Type

SN: 1001-UP

1шт.

32

02764-00204

Hose, Face Seal Type

SN: 1001-UP

1шт.

33

02762-00303

Hose, Face Seal Type

SN: 1001-UP

1шт.

34

04434-51212

Clip

SN: 1001-UP

1шт.

35

21T-72-23260

Clip

SN: 1001-UP

1шт.

36

01010-81225

Bolt

SN: 1001-UP

1шт.

37

01643-31232

Washer

SN: 1001-UP

1шт.

38

04434-51712

Clip

SN: 1001-UP

3шт.

39

07095-20211

Cushion

SN: 1001-UP

3шт.

40

01010-81220

Bolt

SN: 1001-UP

3шт.

41

01643-31232

Washer

SN: 1001-UP

3шт.

42

14X-62-65751

Hose

SN: 1001-UP

1шт.

43

20Y-62-22830

Band, White

SN: 1001-UP

2шт.

44

14X-62-65771

Hose

SN: 1001-UP

1шт.

45

20Y-62-22820

Band, Blue

SN: 1001-UP

2шт.

Выбрано товаров: 47