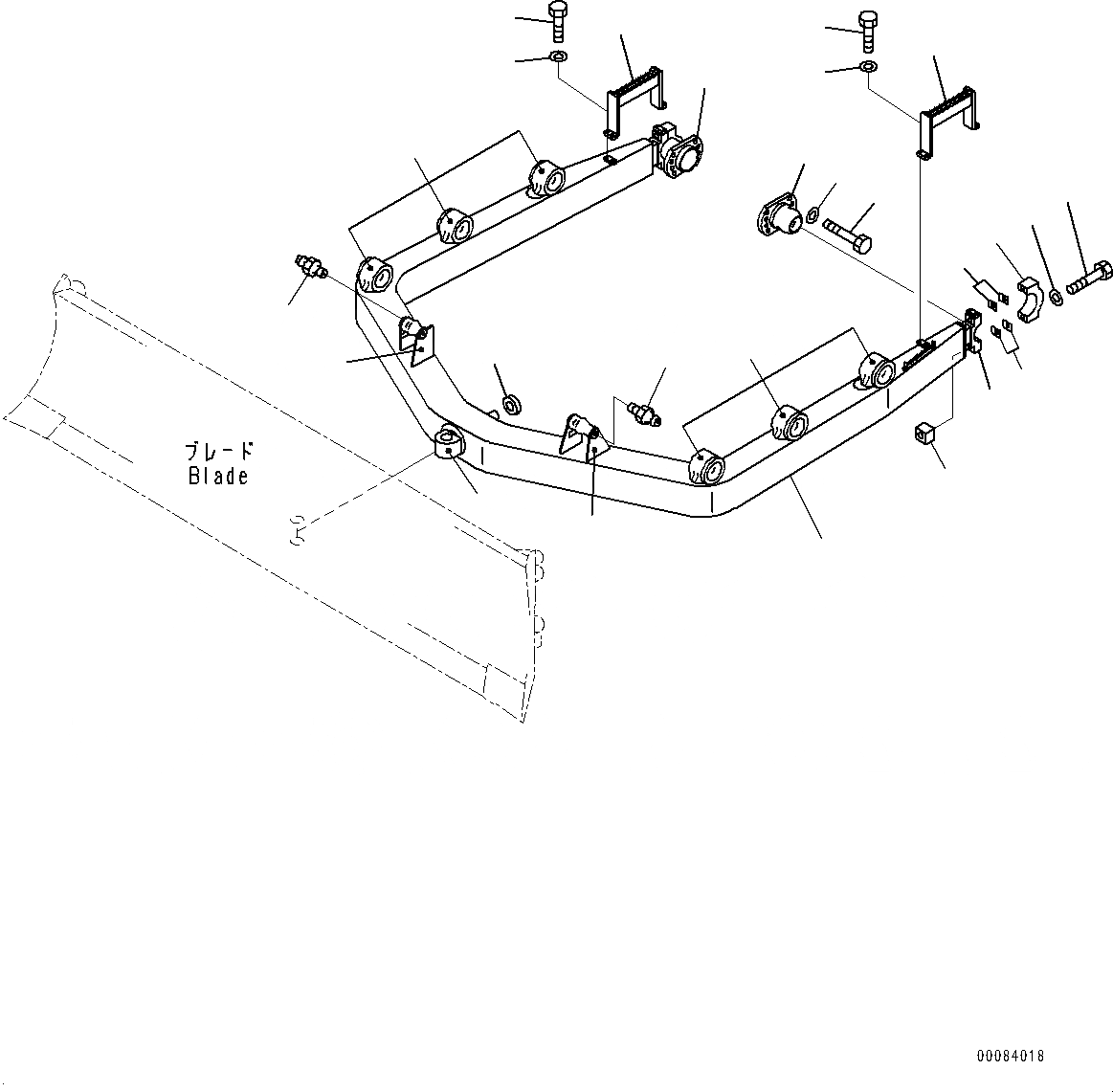
Запчасти Komatsu D65EX-17 DOZER РАМА (№-) DOZER РАМА, ДЛЯ УСИЛ. ПОВОРОТНЫЙ ОТВАЛ

Схема запчастей Komatsu D65EX-17 - DOZER РАМА (№-) DOZER РАМА, ДЛЯ УСИЛ. ПОВОРОТНЫЙ ОТВАЛ
19
20
13
13
10
9
11
1
5
15
14
3
17
2
7
16
4
14
6
18
20
19
15
18
8
12
FIT
1:1
100%

Артикул

Название

Примечание

Количество

1

14X-70-32512

Frame Assembly

SN: 1001-UP

1шт.

2

14U-70-12120

Pin

SN: 1001-UP

1шт.

3

14X-70-12151

Bracket,L.H.,Welded

SN: 1001-UP

1шт.

4

14X-70-12161

Bracket,R.H.,Welded

SN: 1001-UP

1шт.

5

144-70-13210

Bracket,L.H.,Welded

SN: 1001-UP

3шт.

6

144-70-13220

Bracket,R.H.,Welded

SN: 1001-UP

3шт.

7

140-70-13130

Collar,Welded

SN: 1001-UP

1шт.

|$7

14X-70-00072

Pivot Assembly

SN: 1001-UP

1шт.

8

Pivot,Welded

SN: 1001-UP

2шт.

9

Cap

SN: 1001-UP

2шт.

10

01011-82465

Bolt

SN: 1001-UP

4шт.

11

01643-32460

Washer

SN: 1001-UP

4шт.

12

130-70-13241

Nut

SN: 1001-UP

4шт.

13

14Y-71-22280

Shim, T=1.0mm

SN: 1001-UP

20шт.

14

07020-00000

Fitting, Grease

SN: 1001-UP

2шт.

15

14Z-71-33212

Trunnion

SN: 1001-UP

2шт.

16

01010-82065

Bolt

SN: 1001-UP

16шт.

17

01643-32060

Washer

SN: 1001-UP

16шт.

18

14Y-71-33720

Step

SN: 1001-UP

2шт.

19

01010-81240

Bolt

SN: 1001-UP

8шт.

20

01643-31232

Washer

SN: 1001-UP

8шт.

Выбрано товаров: 21