Запчасти Komatsu D65EX-17 СЦЕПНОЕ УСТРОЙСТВО (№-) СЦЕПНОЕ УСТРОЙСТВО, ДЛЯ LANDFILL СПЕЦ-ЯIFICATION

Схема запчастей Komatsu D65EX-17 - СЦЕПНОЕ УСТРОЙСТВО (№-) СЦЕПНОЕ УСТРОЙСТВО, ДЛЯ LANDFILL СПЕЦ-ЯIFICATION
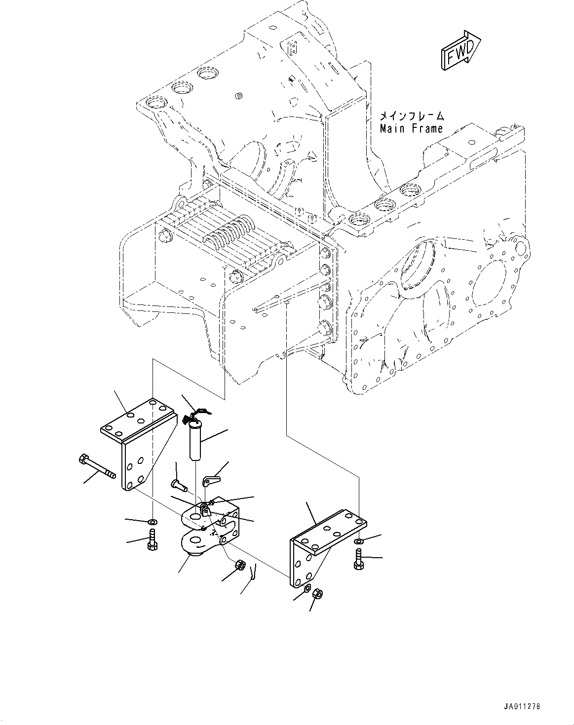
1
2
3
4
5
6
7
8
9
10
11
12
13
14
15
16
17
4
3
FIT
1:1
100%

Артикул

Название

Примечание

Количество

1

14X-69-64150

Bracket

SN: 1001-UP

1шт.

2

14X-69-64160

Bracket

SN: 1001-UP

1шт.

3

01010-82460

Bolt

SN: 1001-UP

12шт.

4

01643-32460

Washer

SN: 1001-UP

12шт.

|$4

144-69-11120

Drawbar Assembly

SN: 1001-UP

1шт.

5

Drawbar

SN: 1001-UP

1шт.

6

131-69-11120

Plate,Welded

SN: 1001-UP

1шт.

7

131-69-11130

Plate,Welded

SN: 1001-UP

1шт.

8

09245-50060

Hook,Welded

SN: 1001-UP

1шт.

9

09245-24830

Chain

SN: 1001-UP

1шт.

10

09247-45180

Pin, Drawbar

SN: 1001-UP

1шт.

11

09249-00016

Latch

SN: 1001-UP

1шт.

12

01052-51260

Bolt

SN: 1001-UP

1шт.

13

01592-11215

Nut, Slotted

SN: 1001-UP

1шт.

14

04050-13022

Pin, Cotter

SN: 1001-UP

1шт.

15

144-69-11161

Bolt

SN: 1001-UP

4шт.

16

01643-32460

Washer

SN: 1001-UP

4шт.

17

01582-12419

Nut

SN: 1001-UP

4шт.

Выбрано товаров: 18