Запчасти Komatsu D65EX-17 СИЛОВАЯ ПЕРЕДАЧА, ТРУБЫ (№-) СИЛОВАЯ ПЕРЕДАЧА

Схема запчастей Komatsu D65EX-17 - СИЛОВАЯ ПЕРЕДАЧА, ТРУБЫ (№-) СИЛОВАЯ ПЕРЕДАЧА
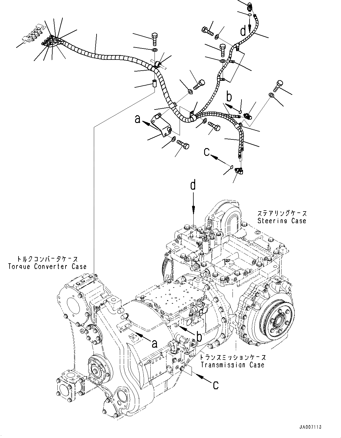
1
2
3
4
5
9
10
11
12
13
14
15
16
17
18
19
21
20
25
26
27
21
20
19
29
28
26
27
6
7
8
9
30
23
22
24
7
8
6
28
29
28
29
FIT
1:1
100%

Артикул

Название

Примечание

Количество

|$0

14X-22-50002

Power Train Assembly

SN: 1469-UP

1шт.

|$1

14X-22-50001

Power Train Assembly

SN: 1001-1468

1шт.

1

14X-49-51211

Hose Assembly

SN: 1001-UP

1шт.

2

203-62-57940

Mark, 4

SN: 1001-UP

2шт.

3

203-62-57930

Mark, 3

SN: 1001-UP

2шт.

4

203-62-57920

Mark, 2

SN: 1001-UP

2шт.

5

203-62-57910

Mark, 1

SN: 1001-UP

2шт.

6

14X-49-51251

Hose, Transmission Main Relief Pressure

SN: 1001-UP

1шт.

7

14X-49-51241

Hose, Exit Torque Converter

SN: 1001-UP

1шт.

8

14X-49-51231

Hose, Entrans Torque Converter

SN: 1001-UP

1шт.

9

14X-49-51221

Hose, Brake

SN: 1001-UP

1шт.

10

04434-52511

Clip

SN: 1001-UP

1шт.

11

04434-52511

Clip

SN: 1001-UP

1шт.

12

07095-20318

Cushion

SN: 1001-UP

1шт.

13

22D-62-12440

Spacer

SN: 1001-UP

1шт.

14

01010-81060

Bolt

SN: 1001-UP

1шт.

15

01643-31032

Washer

SN: 1001-UP

1шт.

16

14X-62-52471

Bracket

SN: 1001-UP

1шт.

17

01010-81025

Bolt

SN: 1001-UP

2шт.

18

01643-31032

Washer

SN: 1001-UP

2шт.

19

04434-52511

Clip

SN: 1001-UP

2шт.

20

01010-81020

Bolt

SN: 1001-UP

2шт.

21

01643-31032

Washer

SN: 1001-UP

2шт.

22

04435-51210

Clip

SN: 1001-UP

1шт.

23

01010-81020

Bolt

SN: 1001-UP

1шт.

24

01643-31032

Washer

SN: 1001-UP

1шт.

25

04434-51210

Clip

SN: 1001-UP

3шт.

26

01010-81020

Bolt

SN: 1001-UP

3шт.

27

01643-31032

Washer

SN: 1001-UP

3шт.

28

124-62-61531

Elbow

SN: 1001-UP

4шт.

29

07002-61023

O-ring

SN: 1001-UP

4шт.

30

14X-49-51271

Joint Assembly

SN: UP

-1шт.

Выбрано товаров: 32