Запчасти Komatsu D65P-12-E ПРИБОРНАЯ ПАНЕЛЬ (ВОЗДУХОВОДЫ И COVER)(№88-) КАБИНА ОПЕРАТОРА И СИСТЕМА УПРАВЛЕНИЯ

Схема запчастей Komatsu D65P-12-E - ПРИБОРНАЯ ПАНЕЛЬ (ВОЗДУХОВОДЫ И COVER)(№88-) КАБИНА ОПЕРАТОРА И СИСТЕМА УПРАВЛЕНИЯ
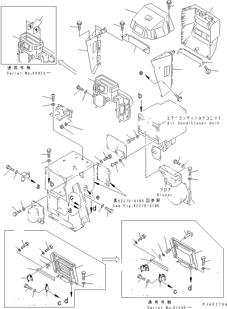
1
1
2
2
2
2
3
3
3
3
3
3
4
5
6
6
6
7
7
7
8
9
10
10
11
11
12
12
13
13
14
14
15
15
15A
16
16
17
17
18
18
18A
18A
18B
18B
18C
18C
18D
18D
19
20
20
20A
21
22
23
24
25
26
27
28
29
29
29
29
FIT
1:1
100%

Артикул

Название

Примечание

Количество

1

01010-80816

BOLT

SN: 60884-65000

18шт.

2

01010-80820

BOLT

SN: 60884-65000

12шт.

3

01643-30823

WASHER

SN: 60884-65000

30шт.

4

01010-81020

BOLT

SN: 60884-65000

2шт.

5

01643-31032

WASHER

SN: 60884-65000

2шт.

6

01220-40610

SCREW

SN: 60884-65000

13шт.

7

01641-20608

WASHER

SN: 60884-65000

13шт.

8

01580-10605

NUT

SN: 60884-65000

4шт.

9

01641-20608

WASHER

SN: 60884-65000

4шт.

10

14X-911-8181

PLATE

SN: 60884-65000

1шт.

11

01010-80816

BOLT

SN: 60884-65000

2шт.

12

01643-30823

WASHER

SN: 60884-65000

2шт.

13

09459-11033

LOCK

SN: 61290-65000

2шт.

|13

20B-54-12210

SPRING

SN: 60884-61289

2шт.

14

09459-01614

SPRING

SN: 61290-65000

2шт.

|14

01220-40406

SCREW

SN: 60884-61289

4шт.

15

01642-21016

WASHER

SN: 61290-65000

2шт.

|15

01641-20405

WASHER

SN: 60884-61289

4шт.

15A

04050-13015

PIN

SN: 61290-65000

2шт.

16

14X-911-8143

COVER

SN: 61290-65000

1шт.

|16

14X-911-8142

COVER

SN: 60884-61289

1шт.

17

01010-80816

BOLT

SN: 60884-65000

2шт.

18

01643-30823

WASHER

SN: 60884-65000

2шт.

18A

14X-911-8161

BRACKET,L.H.

SN: 61290-65000

1шт.

|18A

14X-911-8160

PLATE,L.H.

SN: 60923-61289

1шт.

18B

14X-911-8171

BRACKET,R.H.

SN: 61290-65000

1шт.

|18B

14X-911-8170

PLATE,R.H.

SN: 60923-61289

1шт.

18C

01010-80816

BOLT

SN: 60923-65000

4шт.

18D

01643-30823

WASHER

SN: 60923-65000

4шт.

19

134-54-68211

DASHBOARD ASS'Y

SN: 63104-65000

1шт.

|19

14X-54-18210

DASHBOARD ASS'Y

SN: 60884-63103

1шт.

20

14X-54-18310

AIR DUCT ASS'Y

SN: 60884-65000

1шт.

20A

14X-54-18460

NET

SN: 60923-65000

2шт.

21

14X-54-18520

METER COVER ASS'Y

SN: 60884-65000

1шт.

22

01220-40610

SCREW

SN: 60884-65000

7шт.

23

01641-20608

WASHER

SN: 60884-65000

7шт.

24

01439-00814

BOLT

SN: 60884-65000

9шт.

25

14X-54-18610

COVER,L.H.

SN: 60884-65000

1шт.

26

14X-54-18620

COVER,R.H.

SN: 60884-65000

1шт.

27

14X-54-18630

COVER

SN: 60884-65000

1шт.

28

14X-54-18641

COVER

SN: 60884-65000

1шт.

29

01439-00814

BOLT

SN: 60884-65000

14шт.

Выбрано товаров: 42