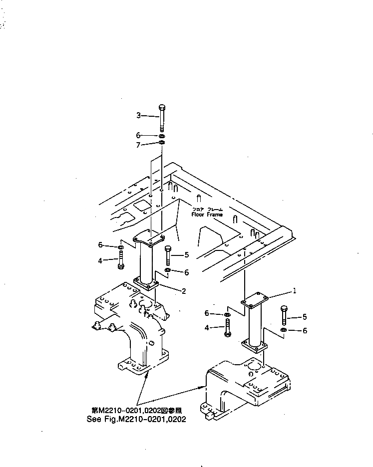
Запчасти Komatsu D65P-12 RIGID КРЕПЛЕНИЕ (БЕЗ КАБИНЫ) КАБИНА ОПЕРАТОРА И СИСТЕМА УПРАВЛЕНИЯ

Схема запчастей Komatsu D65P-12 - RIGID КРЕПЛЕНИЕ (БЕЗ КАБИНЫ) КАБИНА ОПЕРАТОРА И СИСТЕМА УПРАВЛЕНИЯ
FIT
1:1
100%

Артикул

Название

Примечание

Количество

1

14X-54-17142

BRACKET,L.H.

SN: 60651-UP

1шт.

|1

14X-54-17141

BRACKET,L.H.

SN: 60001-60650

1шт.

2

14X-54-17171

BRACKET,R.H.

SN: 60651-UP

1шт.

|2

14X-54-17170

BRACKET,R.H.

SN: 60001-60650

1шт.

3

01011-51605

BOLT

SN: 60651-UP

2шт.

|3

01010-51285

BOLT

SN: 60001-60650

2шт.

4

01010-51655

BOLT

SN: 60651-UP

6шт.

|4

01010-51230

BOLT

SN: 60001-60650

6шт.

5

01010-51660

BOLT

SN: 60651-UP

8шт.

|5

01010-51250

BOLT

SN: 60001-60650

8шт.

6

20T-01-35570

SPACER

SN: 60651-UP

16шт.

|6

01643-31232

WASHER

SN: 60001-60650

16шт.

7

01643-31645

WASHER

SN: 60651-UP

16шт.

|7

01643-31645

WASHER

SN: 60001-60650

2шт.

Выбрано товаров: 14