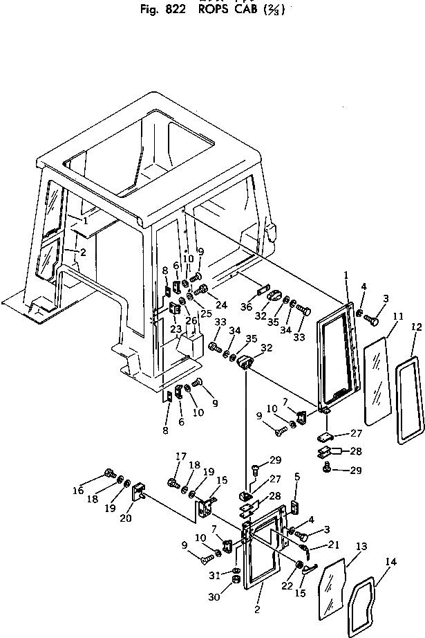
Запчасти Komatsu D65P-7 КАБИНА ROPS (/) ОПЦИОННЫЕ КОМПОНЕНТЫ

Схема запчастей Komatsu D65P-7 - КАБИНА ROPS (/) ОПЦИОННЫЕ КОМПОНЕНТЫ
FIT
1:1
100%

Артикул

Название

Примечание

Количество

1

120-Y79-4310

DOOR,L.H.

SN: 40001-UP

1шт.

|1

120-Y79-4330

DOOR,R.H.

SN: 40001-UP

1шт.

2

120-Y79-4320

DOOR,L.H.

SN: 40001-UP

1шт.

|2

120-Y79-4340

DOOR,R.H.

SN: 40001-UP

1шт.

3

01010-31016

BOLT

SN: 40001-UP

16шт.

4

01602-01030

WASHER

SN: 40001-UP

16шт.

5

120-Y79-4390

NUT

SN: 40001-UP

4шт.

6

566-54-13410

STRIKER

SN: 40001-UP

4шт.

7

566-54-14420

STOPPER

SN: 40001-UP

4шт.

8

120-Y79-3450

PLATE

SN: 40001-UP

4шт.

9

01225-40816

SCREW

SN: 40001-UP

16шт.

10

566-54-13570

WASHER

SN: 40001-UP

16шт.

11

120-Y79-4530

GLASS

SN: 40001-UP

2шт.

12

09410-00240

STRIP,WEATHER

SN: 40001-UP

2шт.

13

120-Y79-4540

GLASS

SN: 40001-UP

2шт.

14

09410-00200

STRIP,WEATHER

SN: 40001-UP

2шт.

15

175-911-3142

LOCK ASS'Y,L.H.

SN: 40001-UP

1шт.

|15

175-911-3152

LOCK ASS'Y,R.H.

SN: 40001-UP

1шт.

16

01010-30640

BOLT

SN: 40001-UP

4шт.

17

01010-30620

BOLT

SN: 40001-UP

4шт.

18

01602-00619

WASHER

SN: 40001-UP

8шт.

19

01643-30623

WASHER

SN: 40001-UP

8шт.

20

175-911-3280

COVER,L.H.

SN: 40001-UP

1шт.

|20

175-911-3290

COVER,R.H.

SN: 40001-UP

1шт.

21

566-54-14430

KEY ASS'Y

SN: 40001-UP

1шт.

22

120-Y79-4380

GROMMET

SN: 40001-UP

2шт.

23

120-Y79-4370

PLATE

SN: 40001-UP

2шт.

24

01010-31025

BOLT

SN: 40001-UP

4шт.

25

01602-01030

WASHER

SN: 40001-UP

4шт.

26

01643-31032

WASHER

SN: 40001-UP

4шт.

27

566-54-24511

STRIKER

SN: 40001-UP

4шт.

28

566-54-24521

SHIM¤ 0.8MM

SN: 40001-UP

8шт.

29

01225-40816

SCREW

SN: 40001-UP

12шт.

30

01580-10806

NUT

SN: 40001-UP

12шт.

31

01602-00825

WASHER

SN: 40001-UP

12шт.

32

205-54-63310

LOCK ASS'Y

SN: 40001-UP

4шт.

33

01010-30816

BOLT

SN: 40001-UP

8шт.

34

01602-00825

WASHER

SN: 40001-UP

8шт.

35

01643-30823

WASHER

SN: 40001-UP

8шт.

36

120-Y79-4410

SEAT

SN: 40001-UP

2шт.

Выбрано товаров: 40