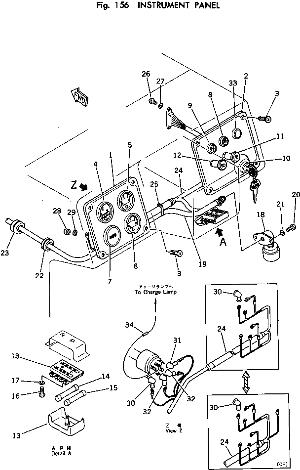
Запчасти Komatsu D65P-7 ПАНЕЛЬ ПРИБОРОВ КОМПОНЕНТЫ ДВИГАТЕЛЯ И ЭЛЕКТРИКА

Схема запчастей Komatsu D65P-7 - ПАНЕЛЬ ПРИБОРОВ КОМПОНЕНТЫ ДВИГАТЕЛЯ И ЭЛЕКТРИКА
FIT
1:1
100%

Артикул

Название

Примечание

Количество

1

144-06-32150

PANEL

SN: 40001-UP

1шт.

2

144-06-32160

PANEL

SN: 40001-UP

1шт.

3

01225-40616

SCREW

SN: 40001-UP

8шт.

4

08687-22400

METER,SERVICE

SN: 40001-UP

1шт.

5

195-06-23110

GAUGE,ENGINE WATER TEMPERATURE

SN: 40001-UP

1шт.

6

195-06-23120

GAUGE,OIL TEMPERATURE

SN: 40001-UP

1шт.

7

09414-00053

CAP

SN: 40001-UP

1шт.

8

125-06-22210

LAMP,OIL PRESSURE

SN: 40001-UP

1шт.

9

125-06-22220

LAMP,CHARGE

SN: 40001-UP

1шт.

10

08086-10000

SWITCH,STARTING

SN: 40001-UP

1шт.

11

08061-40070

SWITCH,HEATER SIGNAL

SN: 40001-UP

1шт.

12

08061-60010

SWITCH,LAMP

SN: 40001-UP

1шт.

13

125-06-21110

BOX

SN: 40001-UP

1шт.

14

08040-01000

FUSE¤ 10A

SN: 40001-UP

2шт.

15

08040-02000

FUSE¤ 20A

SN: 40001-UP

2шт.

16

01220-40520

SCREW

SN: 40001-UP

2шт.

17

01601-20513

WASHER

SN: 40001-UP

2шт.

18

08670-50635

INDICATOR,DUST

SN: 40001-UP

1шт.

19

08671-00150

HOSE

SN: 40001-UP

1шт.

20

01010-50616

BOLT

SN: 40001-UP

2шт.

21

01602-20619

WASHER

SN: 40001-UP

2шт.

22

125-06-22250

CAP

SN: 40001-UP

1шт.

23

09415-02520

CAP

SN: 40001-UP

1шт.

24

144-06-14511

WIRE

SN: 40001-UP

1шт.

|24

144-06-14730

WIRE,(FOR 2KW ALTERNATOR)

SN: 40001-UP

1шт.

25

08034-00823

BAND

SN: 40001-UP

2шт.

26

01220-40516

SCREW

SN: 40001-UP

2шт.

27

01601-00513

WASHER

SN: 40001-UP

2шт.

28

01580-10605

NUT

SN: 40001-UP

1шт.

29

01602-20619

WASHER

SN: 40001-UP

1шт.

30

08038-00518

CAP

SN: 40001-UP

18шт.

31

08038-02027

CAP

SN: 40001-UP

3шт.

32

08038-00525

CAP

SN: 40001-UP

2шт.

33

144-06-14770

DIODE

SN: 40080-UP

1шт.

Выбрано товаров: 34