Запчасти Komatsu D65P-7 КОРПУС ГИДРОТРАНСФОРМАТОРА COVER ГИДРОТРАНСФОРМАТОР И ТРАНСМИССИЯ

Схема запчастей Komatsu D65P-7 - КОРПУС ГИДРОТРАНСФОРМАТОРА COVER ГИДРОТРАНСФОРМАТОР И ТРАНСМИССИЯ
FIT
1:1
100%

Артикул

Название

Примечание

Количество

|1

144-15-00200

TRANSMISSION ASS'Y

SN: 40000-40000

1шт.

|1

14G-15-00200

TRANSMISSION ASS'Y

SN: 40001-UP

1шт.

1

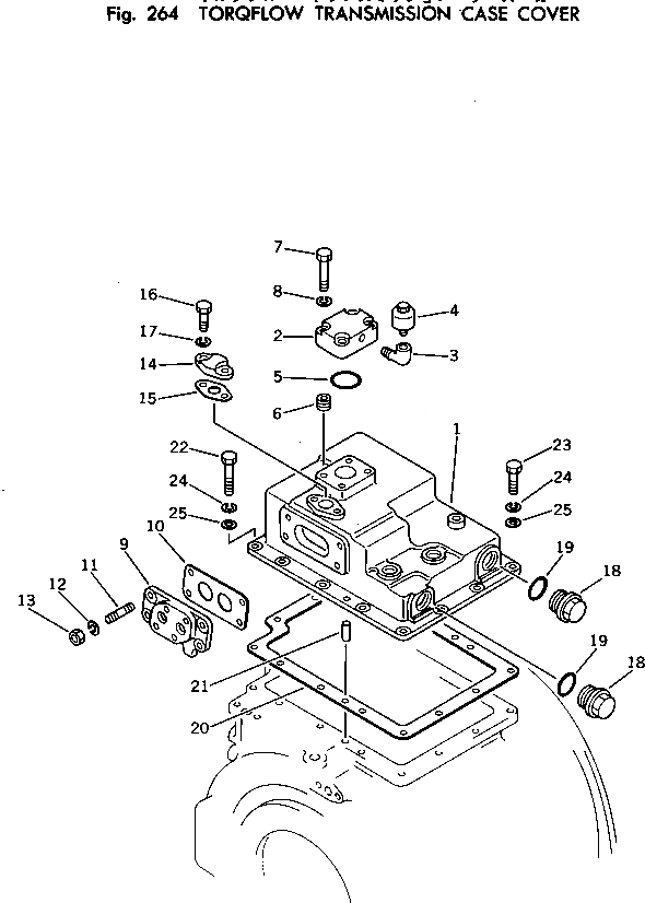
144-15-25511

CASE

SN: 40001-UP

1шт.

2

144-15-21670

BLOCK

SN: 40001-UP

1шт.

3

07323-30200

ELBOW

SN: 40001-UP

1шт.

4

07030-00252

BREATHER

SN: 40001-UP

1шт.

5

07000-03048

O-RING (KIT)

SN: 40001-UP

1шт.

6

01190-01008

HELISERT

SN: 40001-UP

4шт.

7

01010-31045

BOLT

SN: 40001-UP

4шт.

8

01602-01030

WASHER

SN: 40001-UP

4шт.

9

175-15-45530

COVER

SN: 40001-UP

1шт.

10

175-15-45540

GASKET (KIT)

SN: 40001-UP

1шт.

11

01124-31025

STUD

SN: 40001-UP

4шт.

12

01602-01030

WASHER

SN: 40001-UP

4шт.

13

01580-01008

NUT

SN: 40001-UP

4шт.

14

145-15-45830

COVER

SN: 40001-UP

1шт.

15

145-15-45840

GASKET (KIT)

SN: 40001-UP

1шт.

16

01010-30825

BOLT

SN: 40001-UP

2шт.

17

01602-00825

WASHER

SN: 40001-UP

2шт.

18

144-15-25530

PLUG

SN: 40001-UP

2шт.

19

07002-03634

O-RING (KIT)

SN: 40001-UP

2шт.

20

144-15-25520

GASKET (KIT)

SN: 40001-UP

1шт.

21

04020-00820

PIN

SN: 40001-UP

2шт.

22

01010-31030

BOLT

SN: 40001-UP

12шт.

23

01010-31040

BOLT

SN: 40001-UP

2шт.

24

01602-01030

WASHER

SN: 40001-UP

14шт.

25

01640-21016

WASHER

SN: 40001-UP

12шт.

Выбрано товаров: 27