Запчасти Komatsu D65P-7 МАРКИРОВКА (ЯПОН.) ЧАСТИ КОРПУСА

Схема запчастей Komatsu D65P-7 - МАРКИРОВКА (ЯПОН.) ЧАСТИ КОРПУСА
FIT
1:1
100%

Артикул

Название

Примечание

Количество

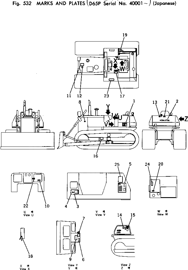
1

09691-05654

PLATE¤ MARK

SN: 40001-UP

2шт.

2

09690-00630

PLATE¤ MARK

SN: 40001-UP

1шт.

3

09602-01635

PLATE¤ NAME,(LIMITED SUPPLY)

SN: 40001-UP

1шт.

4

04418-13060

SCREW

SN: 40001-UP

4шт.

5

144-54-28120

CHART¤ OIL

SN: 40001-UP

1шт.

6

09651-00100

PLATE¤ SAFETY,BEFORE OPERATING

SN: 40001-UP

1шт.

7

09173-00100

PLATE¤ SAFETY,CHECK AND SERVICE CAUTION

SN: 40001-UP

1шт.

8

09667-00100

PLATE¤ SAFETY,ENGINE COVER

SN: 40001-UP

2шт.

9

09654-00100

PLATE¤ SAFETY,WARNING

SN: 40001-UP

1шт.

10

09683-01050

PLATE¤ OPERATING,STARTING SWITCH

SN: 40001-UP

1шт.

11

09650-01101

PLATE¤ INSTRUCTION,RADIATOR WATER LEVEL

SN: 40001-UP

1шт.

12

09668-00100

PLATE¤ SAFETY,RADIATOR CAP

SN: 40001-UP

1шт.

13

09652-01100

PLATE¤ CAUTION,FUEL TANK WATER DRAIN

SN: 40001-UP

1шт.

14

09653-00100

PLATE¤ SAFETY,HYDRAULIC TANK CAP

SN: 40001-UP

1шт.

15

09655-01120

PLATE¤ INSTRUCTION,OIL FILTER

SN: 40001-UP

1шт.

16

09657-00100

PLATE¤ SAFETY,TRACK SHOE ADJUSTING

SN: 40001-UP

2шт.

17

144-54-25270

PLATE¤ OPERATING,TRANSMISSION CONTROL LEVER

SN: 40001-UP

1шт.

|17

04418-03060

SCREW

SN: 40001-UP

6шт.

18

09685-00002

PLATE¤ OPERATING,TRANSMISSION CONTROL LOCK

SN: 40001-UP

1шт.

19

09670-00001

PLATE¤ OPERATING,BLADE CONTROL LEVER (A)

SN: 40001-UP

1шт.

|19

09670-00004

PLATE¤ OPERATING,BLADE CONTROL LEVER (AT)

SN: 40001-UP

1шт.

20

09685-00004

PLATE¤ OPERATING,BRAKE LOCK LEVER

SN: 40001-UP

1шт.

21

09656-01080

PLATE¤ INSTRUCTION,FUEL TANK STRAINER

SN: 40001-UP

1шт.

22

08670-50001

INDICATOR

SN: 40001-UP

1шт.

23

120-54-32451

SHEET,ANTISKID

SN: 40001-UP

2шт.

24

09671-00003

PLATE¤ OPERATING,RIPPER CONTROL LEVER LOCK

SN: 40001-UP

1шт.

|24

09685-00001

PLATE¤ OPERATING,BLADE CONTROL LEVER LOCK (A)

SN: 40001-UP

1шт.

|24

120-98-31121

PLATE¤ OPERATING,BLADE CONTROL LEVER LOCK (AT)

SN: 40001-UP

1шт.

25

14G-54-19110

PLATE¤ DATA

SN: 40001-UP

1шт.

Выбрано товаров: 29