Запчасти Komatsu D65P-8 МАРКИРОВКА (ЯПОН.) МАРКИРОВКА¤ ИНСТРУМЕНТ И РЕМКОМПЛЕКТЫ

Схема запчастей Komatsu D65P-8 - МАРКИРОВКА (ЯПОН.) МАРКИРОВКА¤ ИНСТРУМЕНТ И РЕМКОМПЛЕКТЫ
FIT
1:1
100%

Артикул

Название

Примечание

Количество

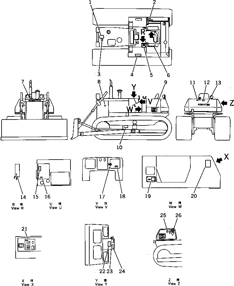
1

09650-01101

PLATE¤ INSTRUCTION,WATER LEVEL

SN: 45001-UP

1шт.

2

09670-00001

PLATE¤ OPERATING,(FOR ANGLE AND STRAIGHT DOZER)

SN: 45001-UP

1шт.

|2

09670-00004

PLATE¤ OPERATING,(FOR TILT DOZER)

SN: 45001-UP

1шт.

3

09668-00100

PLATE¤ SAFETY,RADIATOR CAP

SN: 45001-UP

1шт.

4

120-54-32451

SHEET,ANTISKID

SN: 45001-UP

2шт.

5

144-54-25270

PLATE¤ OPERATING,TRANSMISSION LEVER

SN: 45001-UP

1шт.

|5

04418-03060

SCREW

SN: 45001-UP

6шт.

6

09989-03046

BOX,BILL

SN: 45001-UP

1шт.

7

09690-00500

PLATE¤ MARK,KOMATSU

SN: 45001-UP

1шт.

8

09667-00100

PLATE¤ SAFETY,ENGINE COVER

SN: 45001-UP

2шт.

9

09691-05654

PLATE¤ MARK,D65P

SN: 45001-UP

2шт.

10

09657-00110

PLATE¤ SAFETY,TRACK SHOE ADJUSTING

SN: 45001-UP

2шт.

11

09652-01101

PLATE¤ CAUTION,FUEL TANK

SN: 45001-UP

1шт.

12

09656-01080

PLATE¤ INSTRUCTION,FUEL TANK STRAINER

SN: 45001-UP

1шт.

13

09690-00630

PLATE¤ MARK,KOMATSU

SN: 45001-UP

1шт.

14

09685-00002

PLATE¤ OPERATING,TRANSMISSION LEVER LOCK

SN: 45001-UP

1шт.

15

09685-00001

PLATE¤ OPERATING,(FOR ANGLE AND STRAIGHT DOZER)

SN: 45001-UP

1шт.

|15

120-98-31121

PLATE¤ OPERATING,(FOR TILT DOZER)

SN: 45001-UP

1шт.

16

09685-00004

PLATE¤ OPERATING,BRAKE LOCK LEVER

SN: 45001-UP

1шт.

17

08670-50001

INDICATOR,DUST

SN: 45001-UP

1шт.

18

09683-01060

PLATE¤ OPERATING,STARTING SWITCH

SN: 45001-UP

1шт.

19

09602-01635

PLATE¤ NAME,(LIMITED SUPPLY)

SN: 45001-UP

1шт.

|19

04418-13060

SCREW

SN: 45001-UP

4шт.

20

144-54-51840

PLATE¤ DATA

SN: 45001-UP

1шт.

21

144-54-51710

CHART¤ OIL

SN: 45001-UP

1шт.

22

09654-00100

PLATE¤ SAFETY,STARTING AND LEAVING SEAT

SN: 45001-UP

1шт.

23

09173-00100

PLATE¤ SAFETY,INSPECTION AND MAINTENANCE

SN: 45001-UP

1шт.

24

09651-00100

PLATE¤ SAFETY,BEFORE OPERATING

SN: 45001-UP

1шт.

25

09653-00100

PLATE¤ SAFETY,HYDRAULIC TANK

SN: 45001-UP

1шт.

26

09655-01120

PLATE¤ INSTRUCTION,OIL FILTER

SN: 45001-UP

1шт.

Выбрано товаров: 30