Запчасти Komatsu D65P-8 МАРКИРОВКА (СПЕЦ-Я TBG) МАРКИРОВКА¤ ИНСТРУМЕНТ И РЕМКОМПЛЕКТЫ

Схема запчастей Komatsu D65P-8 - МАРКИРОВКА (СПЕЦ-Я TBG) МАРКИРОВКА¤ ИНСТРУМЕНТ И РЕМКОМПЛЕКТЫ
FIT
1:1
100%

Артикул

Название

Примечание

Количество

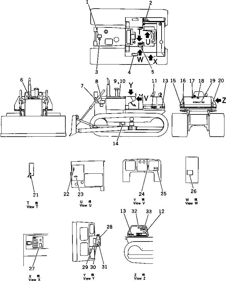
1

09650-21101

PLATE, INSTRUCTION,RADIATOR WATER LEVEL

SN: 45001-UP

1шт.

2

09670-00004

PLATE, OPERATING,BLADE CONTROL LEVER

SN: 45001-UP

1шт.

3

09668-02000

PLATE, SAFETY,RADIATOR CAP

SN: 45001-UP

1шт.

4

120-54-32451

SHEET,ANTISKID

SN: 45001-UP

2шт.

5

144-54-25270

PLATE, OPERATING,TRANSMISSION LEVER

SN: 45001-UP

1шт.

6

09690-50500

PLATE, MARK,KOMATSU

SN: 45001-UP

1шт.

7

154-98-13330

PLATE, CAUTION,ENGINE COVER

SN: 45001-UP

2шт.

8

20T-98-22240

PLATE, SAFETY,KEEP OUT

SN: 45001-UP

2шт.

9

134-54-35140

PLATE, STRIPE,L.H.

SN: 45001-UP

1шт.

10

134-54-35150

PLATE, STRIPE,R.H.

SN: 45001-UP

1шт.

11

14G-54-61110

PLATE, MARK,L.H.

SN: 45001-UP

1шт.

12

14G-54-61120

PLATE, MARK,R.H.

SN: 45001-UP

1шт.

13

134-54-35110

PLATE, MARK,D65P

SN: 45001-UP

2шт.

14

09657-02011

PLATE, SAFETY,TRACK SHOE ADJUSTING

SN: 45001-UP

2шт.

15

134-54-35170

PLATE, MARK,WHITE BELT

SN: 45001-UP

1шт.

16

120-54-36531

REFLECTOR,ZEBRA MARK

SN: 45001-UP

1шт.

17

09652-21101

PLATE, CAUTION,FUEL TANK

SN: 45001-UP

1шт.

18

09656-21080

PLATE, INSTRUCTION,FUEL TANK STRAINER

SN: 45001-UP

1шт.

19

09690-50800

PLATE, MARK,KOMATSU

SN: 45001-UP

1шт.

20

120-54-36541

REFLECTOR,ZEBRA MARK

SN: 45001-UP

1шт.

21

09685-00002

PLATE, OPERATING,TRANSMISSION LEVER LOCK

SN: 45001-UP

1шт.

22

12F-54-36221

PLATE, OPERATING,BLADE LOCK LEVER

SN: 45001-UP

1шт.

23

09685-00004

PLATE, OPERATING,BRAKE LOCK LEVER

SN: 45001-UP

1шт.

24

08670-70001

INDICATOR,DUST

SN: 45001-UP

1шт.

25

09683-21060

PLATE, OPERATING,STARTING SWITCH

SN: 45001-UP

1шт.

26

09601-20835

PLATE, NAME,(LIMITED SUPPLY)

SN: 45001-UP

1шт.

26

04418-13060

SCREW

SN: 45001-UP

4шт.

27

144-54-51750

CHART, OIL

SN: 45001-UP

1шт.

28

09173-02000

PLATE, SAFETY,INSPECTION AND MAINTENANCE

SN: 45001-UP

1шт.

29

09654-02000

PLATE, SAFETY,BEFORE AND AFTER OPERATION

SN: 45001-UP

1шт.

30

362-54-17320

PLATE, OPERATING,FUEL CONTROL

SN: 45001-UP

1шт.

31

09651-02000

PLATE, SAFETY,BEFORE OPERATING

SN: 45001-UP

1шт.

32

09653-02000

PLATE, SAFETY,HYDRAULIC TANK

SN: 45001-UP

1шт.

33

09655-21120

PLATE, INSTRUCTION,OIL FILTER

SN: 45001-UP

1шт.

Выбрано товаров: 34