Запчасти Komatsu D65P-8 КРЫШКА ДВИГ-ЛЯ (ШУМОПОДАВЛ. ДЛЯ EC)(№898-) МАРКИРОВКА¤ ИНСТРУМЕНТ И РЕМКОМПЛЕКТЫ

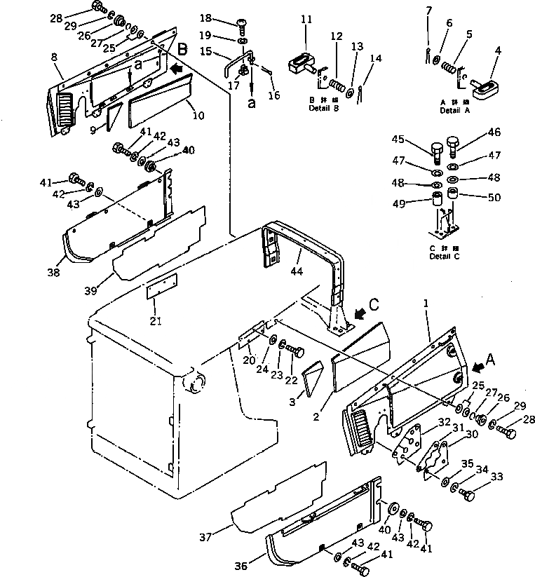
Схема запчастей Komatsu D65P-8 - КРЫШКА ДВИГ-ЛЯ (ШУМОПОДАВЛ. ДЛЯ EC)(№898-) МАРКИРОВКА¤ ИНСТРУМЕНТ И РЕМКОМПЛЕКТЫ
FIT
1:1
100%

Артикул

Название

Примечание

Количество

|$0

14G-A62-0150

COVER ASS'Y,L.H.

SN: 45898-UP

1шт.

1

0

COVER,R.H.

SN: 45898-UP

1шт.

2

14G-A62-6160

ABSORBER

SN: 45898-UP

1шт.

3

14G-A62-6170

ABSORBER

SN: 45898-UP

1шт.

4

09459-11033

LOCK

SN: 45898-UP

2шт.

5

09459-01614

SPRING

SN: 45898-UP

2шт.

6

01642-21016

WASHER

SN: 45898-UP

2шт.

7

04050-13015

PIN,COTTER

SN: 45898-UP

2шт.

|$8

14G-A62-0160

COVER ASS'Y,R.H.

SN: 45898-UP

1шт.

8

0

COVER,R.H.

SN: 45898-UP

1шт.

9

14G-A62-5340

BAFFLE

SN: 45898-UP

1шт.

10

14G-A62-7230

BAFFLE

SN: 45898-UP

1шт.

11

09459-11033

LOCK

SN: 45898-UP

2шт.

12

09459-01614

SPRING

SN: 45898-UP

2шт.

13

01642-21016

WASHER

SN: 45898-UP

2шт.

14

04050-13015

PIN,COTTER

SN: 45898-UP

2шт.

15

120-54-32431

ROD

SN: 45898-UP

2шт.

16

04050-13022

PIN,COTTER

SN: 45898-UP

2шт.

17

20R-54-11460

SPRING

SN: 45898-UP

2шт.

18

01220-40512

SCREW

SN: 45898-UP

4шт.

19

01601-20513

WASHER,SPRING

SN: 45898-UP

4шт.

20

14G-54-11171

PLATE,L.H.

SN: 45898-UP

1шт.

21

14G-54-11181

PLATE,R.H.

SN: 45898-UP

1шт.

22

01010-51235

BOLT

SN: 45898-UP

4шт.

23

01602-21236

WASHER,SPRING

SN: 45898-UP

4шт.

24

01643-31232

WASHER

SN: 45898-UP

4шт.

25

20T-57-31110

SPRING

SN: 45898-UP

36шт.

26

175-54-27360

COLLAR

SN: 45898-UP

18шт.

27

175-54-28770

RING

SN: 45898-UP

18шт.

28

01010-51235

BOLT

SN: 45898-UP

18шт.

29

01643-31232

WASHER

SN: 45898-UP

18шт.

30

14G-54-11140

PLATE

SN: 45898-UP

2шт.

31

14G-54-11150

PLATE

SN: 45898-UP

2шт.

32

14G-54-11160

PLATE

SN: 45898-UP

2шт.

33

01010-51235

BOLT

SN: 45898-UP

10шт.

34

01602-21236

WASHER,SPRING

SN: 45898-UP

10шт.

35

01643-31232

WASHER

SN: 45898-UP

10шт.

36

14G-A62-6110

COVER,L.H.

SN: 45898-UP

1шт.

37

14G-A62-6120

ABSORBER

SN: 45898-UP

1шт.

38

14G-A62-6130

COVER,R.H.

SN: 45898-UP

1шт.

39

14G-A62-6140

ABSORBER

SN: 45898-UP

1шт.

40

144-54-24430

WASHER

SN: 45898-UP

4шт.

41

01010-51235

BOLT

SN: 45898-UP

8шт.

42

01602-21236

WASHER,SPRING

SN: 45898-UP

8шт.

43

01643-31232

WASHER

SN: 45898-UP

8шт.

44

144-54-24230

COVER

SN: 45898-UP

1шт.

45

01010-51495

BOLT

SN: 45898-UP

2шт.

46

01010-51465

BOLT

SN: 45898-UP

6шт.

47

01602-21442

WASHER,SPRING

SN: 45898-UP

8шт.

48

01640-21426

WASHER

SN: 45898-UP

8шт.

49

144-54-51280

COLLAR

SN: 45898-UP

2шт.

50

144-54-51270

COLLAR

SN: 45898-UP

6шт.

Выбрано товаров: 52