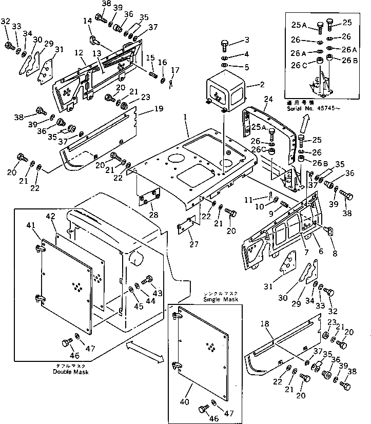
Запчасти Komatsu D65P-8 ПЕРФОРИРОВАНН. БОКОВ. КРЫШКА ДВИГ. И УСИЛЕНН. ЗАСЛОНКА ЧАСТИ КОРПУСА

Схема запчастей Komatsu D65P-8 - ПЕРФОРИРОВАНН. БОКОВ. КРЫШКА ДВИГ. И УСИЛЕНН. ЗАСЛОНКА ЧАСТИ КОРПУСА
FIT
1:1
100%

Артикул

Название

Примечание

Количество

1

144-54-55110

HOOD

SN: 45001-UP

1шт.

2

144-54-55180

COVER

SN: 45001-UP

1шт.

3

01010-51225

BOLT

SN: 45001-UP

4шт.

4

01602-21236

WASHER,SPRING

SN: 45001-UP

4шт.

5

01643-31232

WASHER

SN: 45001-UP

4шт.

|$5

14G-54-00140

COVER ASS'Y

SN: 45001-UP

1шт.

6

0

COVER

SN: 45001-UP

1шт.

7

144-54-24480

COVER

SN: 45001-UP

1шт.

8

09459-11033

LOCK

SN: 45001-UP

2шт.

9

09459-01614

SPRING

SN: 45001-UP

2шт.

10

01642-21016

WASHER

SN: 45001-UP

2шт.

11

04050-13015

PIN,COTTER

SN: 45001-UP

2шт.

|$12

14G-54-00150

COVER ASS'Y

SN: 45001-UP

1шт.

12

0

COVER

SN: 45001-UP

1шт.

13

144-54-24490

COVER

SN: 45001-UP

1шт.

14

09459-11033

LOCK

SN: 45001-UP

2шт.

15

09459-01614

SPRING

SN: 45001-UP

2шт.

16

01642-21016

WASHER

SN: 45001-UP

2шт.

17

04050-13015

PIN,COTTER

SN: 45001-UP

2шт.

18

144-54-24411

COVER

SN: 45001-UP

1шт.

19

14G-54-11240

COVER

SN: 45001-UP

1шт.

20

01010-51235

BOLT

SN: 45001-UP

12шт.

21

01602-21236

WASHER,SPRING

SN: 45001-UP

12шт.

22

01643-31232

WASHER

SN: 45001-UP

8шт.

23

144-54-24430

WASHER

SN: 45001-UP

4шт.

24

144-54-24230

COVER

SN: 45001-UP

1шт.

25

01010-51465

BOLT

SN: 45001-UP

6шт.

25A

01010-51495

BOLT

SN: 45001-UP

2шт.

26

01602-21442

WASHER,SPRING

SN: 45001-UP

8шт.

26A

01640-21426

WASHER

SN: 45001-UP

8шт.

26B

144-54-51270

COLLAR

SN: 45001-UP

6шт.

26C

144-54-51280

COLLAR

SN: 45001-UP

2шт.

27

14G-54-11171

PLATE

SN: 45001-UP

1шт.

28

14G-54-11181

PLATE

SN: 45001-UP

1шт.

29

14G-54-11140

PLATE

SN: 45001-UP

2шт.

30

14G-54-11150

PLATE

SN: 45001-UP

2шт.

31

14G-54-11160

PLATE

SN: 45001-UP

2шт.

32

01010-51235

BOLT

SN: 45001-UP

10шт.

33

01602-21236

WASHER,SPRING

SN: 45001-UP

10шт.

34

01643-31232

WASHER

SN: 45001-UP

10шт.

35

20T-57-31110

SPRING

SN: 45899-UP

36шт.

35

175-54-27350

SPRING

SN: 45001-45898

36шт.

36

175-54-27360

COLLAR

SN: 45001-UP

18шт.

37

175-54-28770

RING

SN: 45001-UP

18шт.

38

01010-51235

BOLT

SN: 45001-UP

18шт.

39

01602-21236

WASHER,SPRING

SN: 45001-UP

18шт.

40

14G-54-11960

MASK,(SINGLE) (D65P-8)

SN: 45001-UP

1шт.

40

14G-54-61241

MASK,(SINGLE) (D65P-8A)

SN: 45952-UP

1шт.

40

14G-54-61240

MASK,(SINGLE) (D65P-8A)

SN: 45001-45951

1шт.

41

14G-54-11980

MASK,(DOUBLE) (D65P-8)

SN: 45001-UP

1шт.

41

14G-54-61221

MASK,(DOUBLE) (D65P-8A)

SN: 45952-UP

1шт.

41

14G-54-61220

MASK,(DOUBLE) (D65P-8A)

SN: 45001-45951

1шт.

42

14G-54-11991

MASK,(DOUBLE) (D65P-8)

SN: 45001-UP

1шт.

42

14G-54-61231

MASK,(DOUBLE) (D65P-8A)

SN: 45952-UP

1шт.

42

14G-54-61230

MASK,(DOUBLE) (D65P-8A)

SN: 45001-45951

1шт.

43

01010-51225

BOLT,(FOR DOUBLE MASK)

SN: 45001-UP

4шт.

44

01602-21236

WASHER,(FOR DOUBLE MASK)

SN: 45001-UP

4шт.

45

01643-31232

WASHER,(FOR DOUBLE MASK)

SN: 45001-UP

4шт.

46

01010-51645

BOLT,(FOR SINGLE MASK)

SN: 45001-UP

6шт.

46

01010-51635

BOLT,(FOR DOUBLE MASK)

SN: 45001-UP

6шт.

47

01643-31645

WASHER

SN: 45001-UP

6шт.

Выбрано товаров: 61