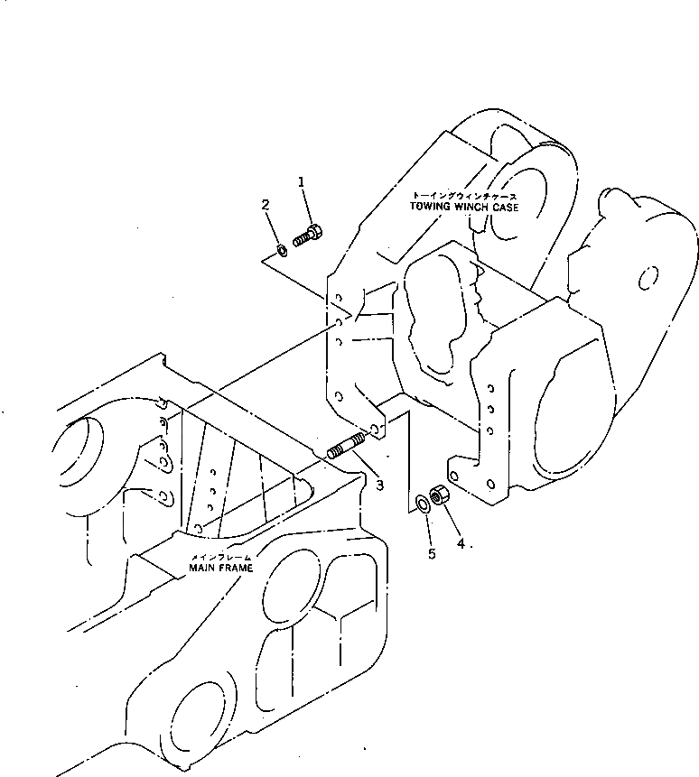
Запчасти Komatsu D65PX-12-E ТЯГОВ. ЛЕБЕДКА (КРЕПЛЕНИЕ) РАБОЧЕЕ ОБОРУДОВАНИЕ

Схема запчастей Komatsu D65PX-12-E - ТЯГОВ. ЛЕБЕДКА (КРЕПЛЕНИЕ) РАБОЧЕЕ ОБОРУДОВАНИЕ
FIT
1:1
100%

Артикул

Название

Примечание

Количество

1

01010-82465

BOLT

SN: 60884-UP

6шт.

2

01643-32460

WASHER

SN: 60884-UP

6шт.

3

01124-53370

STUD

SN: 60884-UP

4шт.

4

01580-13326

NUT

SN: 60884-UP

4шт.

5

01643-33380

WASHER

SN: 60884-UP

4шт.

Выбрано товаров: 0