Запчасти Komatsu D65PX-12 УПРАВЛ-Е КОМПОНЕНТЫ СИЛОВАЯ ПЕРЕДАЧА И КОНЕЧНАЯ ПЕРЕДАЧА

Схема запчастей Komatsu D65PX-12 - УПРАВЛ-Е КОМПОНЕНТЫ СИЛОВАЯ ПЕРЕДАЧА И КОНЕЧНАЯ ПЕРЕДАЧА
FIT
1:1
100%

Артикул

Название

Примечание

Количество

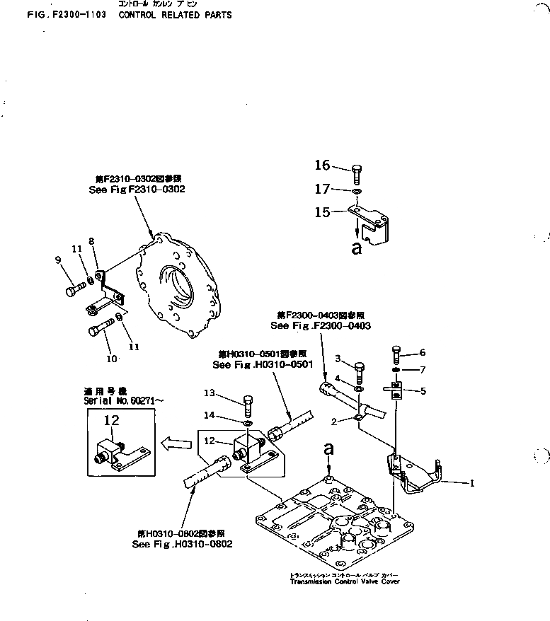
1

14Z-43-11190

BRACKET

SN: 60001-UP

1шт.

2

04434-52112

CLIP

SN: 60001-UP

1шт.

3

01010-51245

BOLT

SN: 60001-UP

2шт.

4

01643-31232

WASHER

SN: 60001-UP

2шт.

5

14Z-43-11250

PLATE

SN: 60001-UP

1шт.

6

01010-51020

BOLT

SN: 60001-UP

2шт.

7

01643-31032

WASHER

SN: 60001-UP

2шт.

8

14Z-49-11210

BRACKET

SN: 60001-UP

1шт.

9

01010-51240

BOLT

SN: 60001-UP

1шт.

10

01010-51280

BOLT

SN: 60001-UP

1шт.

11

01643-31232

WASHER

SN: 60001-UP

2шт.

12

14Z-62-11173

BRACKET

SN: 60271-UP

1шт.

|12

0

BRACKET

SN: 60001-60270

1шт.

|$$14

(14Z-62-11173{07102-20405)}

-1шт.

13

01010-51245

BOLT

SN: 60001-UP

2шт.

14

01643-31232

WASHER

SN: 60001-UP

2шт.

15

14Z-43-12732

PLATE

SN: 60001-UP

1шт.

16

01010-51245

BOLT

SN: 60001-UP

2шт.

17

01643-31232

WASHER

SN: 60001-UP

2шт.

Выбрано товаров: 19