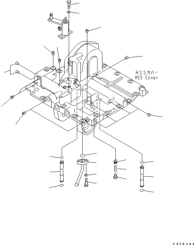
Запчасти Komatsu D65PX-12 H.S.S (КОРПУС) (/)(№-) СИЛОВАЯ ПЕРЕДАЧА И КОНЕЧНАЯ ПЕРЕДАЧА

Схема запчастей Komatsu D65PX-12 - H.S.S (КОРПУС) (/)(№-) СИЛОВАЯ ПЕРЕДАЧА И КОНЕЧНАЯ ПЕРЕДАЧА
1
1
2
2
2
2
3
3
3
3
3
3
3
4
5
6
7
8
9
10
11
12
13
FIT
1:1
100%

Артикул

Название

Примечание

Количество

1

14Y-22-26180

TUBE

SN: 65001-UP

2шт.

2

07000-72018

O-RING

SN: 65001-UP

4шт.

3

07043-70312

PLUG

SN: 65001-UP

19шт.

4

07042-80108

PLUG

SN: 65001-UP

1шт.

5

23A-15-15490

VALVE

SN: 65001-UP

1шт.

6

702-16-52420

SPRING

SN: 65001-UP

1шт.

7

07040-12012

PLUG

SN: 65001-UP

1шт.

8

14Y-22-26240

TUBE

SN: 65001-UP

1шт.

9

07000-73022

O-RING

SN: 65001-UP

1шт.

10

01010-81035

BOLT

SN: 65001-UP

2шт.

11

01643-31032

WASHER

SN: 65001-UP

2шт.

12

01010-81025

BOLT

SN: 65001-UP

2шт.

13

01643-31032

WASHER

SN: 65001-UP

2шт.

Выбрано товаров: 0