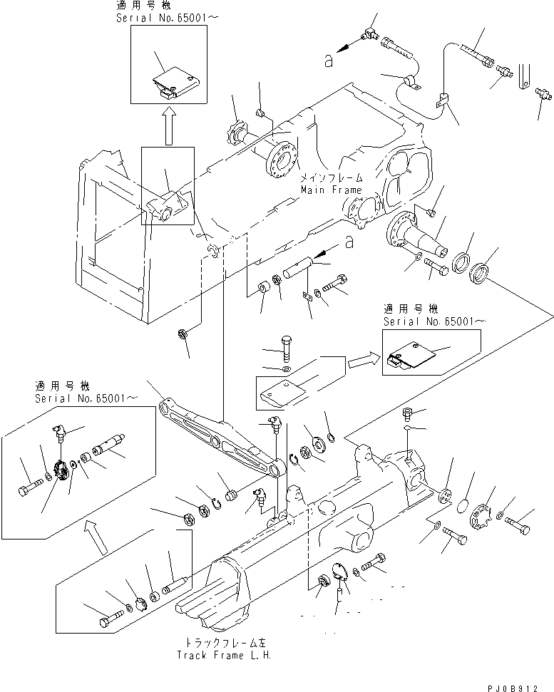
Запчасти Komatsu D65PX-12U БАЛКА БАЛАНСИРА И ПОВОРОТН. ШКВОРЕНЬ(№7-78) ОСНОВН. РАМА И КОМПОНЕНТЫ

Схема запчастей Komatsu D65PX-12U - БАЛКА БАЛАНСИРА И ПОВОРОТН. ШКВОРЕНЬ(№7-78) ОСНОВН. РАМА И КОМПОНЕНТЫ
1
1
2
3
4
5
5
6
7
8
9
10
11
12
13
14
15
16
17
18
18
19
20
21
21
22
23
24
25
26
27
28
28
29
29
30
30
31
31
32
32
33
33
34
35
35
36
37
38
39
40
41
42
43
44
44
45
45
46
47
48
49
50
50
51
FIT
1:1
100%

Артикул

Название

Примечание

Количество

|$3

14Y-30-00210

PIVOT SHAFT ASS'Y

SN: 60884-@

2шт.

1

14Y-30-17111

SHAFT

SN: 60884-@

1шт.

2

14Y-30-18160

RING

SN: 60884-@

1шт.

3

01010-82075

BOLT

SN: 60884-@

24шт.

4

01643-32060

WASHER

SN: 60884-@

24шт.

5

07049-02025

PLUG

SN: 60884-@

4шт.

6

14Y-30-18150

SEAL

SN: 60884-@

2шт.

7

14Y-30-18121

SPACER

SN: 60884-@

2шт.

8

01010-82055

BOLT

SN: 60884-@

8шт.

9

01643-32060

WASHER

SN: 60884-@

8шт.

10

14Y-30-18111

COVER

SN: 60884-@

2шт.

11

07000-02145

O-RING

SN: 60884-@

2шт.

12

01010-82055

BOLT

SN: 60884-@

8шт.

13

01643-32060

WASHER

SN: 60884-@

8шт.

14

07040-12414

PLUG

SN: 60884-@

2шт.

15

07002-02434

O-RING

SN: 60884-@

2шт.

|$21

14Y-50-00012

EQUALIZER BAR ASS'Y

SN: 60884-@

1шт.

16

0

BAR

SN: 60884-@

1шт.

17

14Y-50-11250

BUSHING

SN: 60884-@

1шт.

18

04065-09030

RING

SN: 60884-@

4шт.

19

14Y-50-11460

BUSHING

SN: 60884-@

2шт.

20

07020-00675

FITTING

SN: 60884-65578

2шт.

21

130-09-12911

SEAL

SN: 60884-@

2шт.

22

14Y-50-11323

SEAL

SN: 60884-@

4шт.

23

14Y-50-11240

PIN

SN: 60884-@

1шт.

24

07020-00000

FITTING,GREASE

SN: 60884-@

1шт.

25

14Y-50-11390

LOCK

SN: 60884-@

1шт.

26

01010-81640

BOLT

SN: 60884-@

2шт.

27

01643-31645

WASHER

SN: 60884-@

2шт.

28

14X-50-22110

COVER,L.H.

SN: 65001-65578

1шт.

28

14X-50-22120

COVER,R.H.

SN: 65001-65578

1шт.

28

14X-50-12110

COVER

SN: 60884-65000

2шт.

29

01010-81240

BOLT

SN: 65001-65578

8шт.

29

01010-81230

BOLT

SN: 60884-65000

8шт.

30

01643-51232

WASHER

SN: 60884-65578

8шт.

31

14Y-50-11421

BUSHING

SN: 60884-65578

4шт.

32

14Y-50-11323

SEAL

SN: 60884-65578

2шт.

33

07020-00675

FITTING

SN: 65001-65578

6шт.

33

07020-00675

FITTING

SN: 60884-65000

2шт.

34

14Y-50-11510

STOPPER

SN: 61571-65578

2шт.

35

14Y-50-21531

PIN

SN: 65001-65578

2шт.

35

14Y-50-11530

PIN

SN: 61571-65000

2шт.

36

14Y-50-11540

COVER

SN: 61571-65578

2шт.

37

14Y-50-11551

PLATE

SN: 61571-65578

2шт.

38

14Y-50-11561

COVER

SN: 61571-65578

2шт.

39

01011-81235

BOLT

SN: 61571-65578

6шт.

40

01643-31232

WASHER

SN: 61571-65578

6шт.

41

04022-08025

PIN

SN: 61571-65578

4шт.

42

14X-50-22130

SEAL

SN: 65001-65578

2шт.

43

07000-12014

O-RING

SN: 65001-65578

2шт.

44

14Y-30-21660

COVER,L.H.

SN: 65001-65578

1шт.

44

14Y-30-11660

COVER,L.H.

SN: 60884-65000

1шт.

45

14Y-30-21670

COVER,R.H.

SN: 65001-65578

1шт.

45

14Y-30-11670

COVER,R.H.

SN: 60884-65000

1шт.

46

01010-81225

BOLT

SN: 60884-@

4шт.

47

01643-31232

WASHER

SN: 60884-@

4шт.

48

208-06-11220

NIPPLE

SN: 60884-@

1шт.

49

21Y-70-14580

HOSE, 1000MM

SN: 60884-65578

1шт.

50

04434-51312

CLIP

SN: 60884-@

2шт.

51

203-62-42920

ELBOW

SN: 60884-@

1шт.

Выбрано товаров: 60