Запчасти Komatsu D65PX-12U H.S.S (НАСОС КОМПОНЕНТЫ) СИЛОВАЯ ПЕРЕДАЧА И КОНЕЧНАЯ ПЕРЕДАЧА

Схема запчастей Komatsu D65PX-12U - H.S.S (НАСОС КОМПОНЕНТЫ) СИЛОВАЯ ПЕРЕДАЧА И КОНЕЧНАЯ ПЕРЕДАЧА
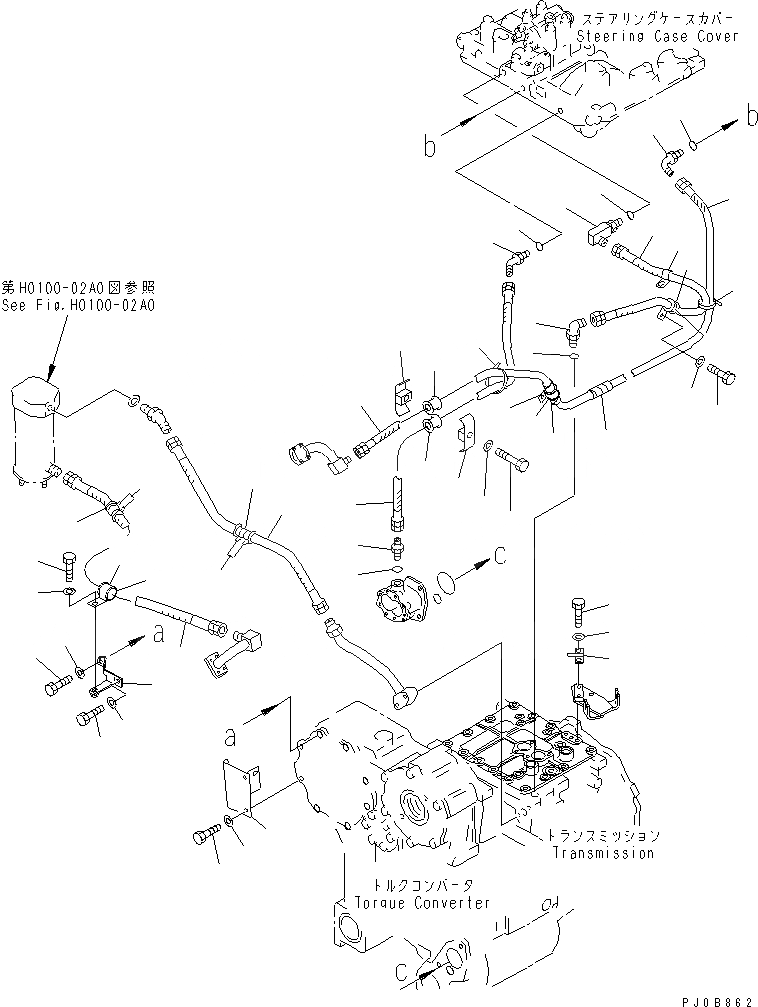
1
2
3
4
5
6
7
8
9
10
11
12
13
13
14
15
16
17
17
18
18
19
20
21
22
23
24
25
26
27
28
28
29
30
31
32
33
34
35
36
37
38
39
40
41
41
42
42
43
44
45
46
FIT
1:1
100%

Артикул

Название

Примечание

Количество

|$$1

SERIAL NO. IN ( ) INDICATES TRANSMISSION SERIAL NO.

-1шт.

|$6

14Y-22-00212

POWER LINE ASS'Y

SN: 65715-UP

1шт.

|$7

14Y-22-00210

POWER LINE ASS'Y

SN: 65001-65714

1шт.

|$8

14X-22-00113

POWER LINE UNIT

SN: 60884-65000

1шт.

|$9

14Y-22-00242

POWER LINE ASS'Y,(FOR TOWING WINCH)

SN: 65715-UP

1шт.

|$10

14Y-22-00240

POWER LINE ASS'Y,(FOR TOWING WINCH)

SN: 65001-65714

1шт.

|$$7

THESE ASSEMBLIES CONSIST OF ALL PARTS SHOWN IN FIGS.F2300-51A0A TO F2300-77A0.

-1шт.

1

20R-62-21510

ELBOW

SN: 60884-(103589)

1шт.

2

07002-32034

O-RING

SN: 60884-(103589)

1шт.

3

07235-10628

ELBOW

SN: 60884-(103589)

1шт.

4

07002-32434

O-RING

SN: 60884-(103589)

1шт.

5

07102-20405

HOSE

SN: 65001-UP

1шт.

5

07102-20406

HOSE

SN: 60884-65000

1шт.

6

07236-10422

ELBOW

SN: 65001-UP

1шт.

6

07235-10422

ELBOW

SN: 60884-65000

1шт.

7

07002-32034

O-RING

SN: 60884-UP

1шт.

8

04434-52712

CLIP

SN: 60884-65000

1шт.

9

07095-20420

CUSHION

SN: 60884-65000

1шт.

10

01010-81225

BOLT

SN: 60884-65000

1шт.

11

01643-31232

WASHER

SN: 60884-65000

1шт.

12

04434-52112

CLIP

SN: 60884-UP

1шт.

13

07102-20612

HOSE

SN: 60884-UP

1шт.

14

416-16-21120

HOSE

SN: 65001-UP

1шт.

14

07102-20611

HOSE

SN: 60884-65000

1шт.

15

07230-20628

UNION

SN: 60884-UP

1шт.

16

07002-32434

O-RING

SN: 60884-UP

1шт.

17

07094-20620

CLAMP

SN: 60884-UP

2шт.

18

07095-00628

CUSHION

SN: 60884-UP

2шт.

19

01010-81270

BOLT

SN: 60884-UP

1шт.

20

01643-31232

WASHER

SN: 60884-UP

1шт.

21

14X-49-21580

HOSE

SN: 65001-UP

1шт.

21

07102-20607

HOSE

SN: 60884-65000

1шт.

22

07095-00630

CUSHION

SN: 65001-UP

1шт.

22

07095-20627

CUSHION

SN: 60884-65000

1шт.

23

08034-00536

BAND

SN: 60884-UP

2шт.

24

14X-49-21570

HOSE

SN: 65001-UP

1шт.

24

07102-20611

HOSE

SN: 60884-65000

1шт.

25

14Z-49-11210

BRACKET

SN: 60884-UP

1шт.

26

01010-81280

BOLT

SN: 60884-UP

1шт.

27

01010-81240

BOLT

SN: 60884-UP

1шт.

28

01643-31232

WASHER

SN: 60884-UP

2шт.

29

07095-00630

CUSHION

SN: 65001-UP

1шт.

29

07095-20627

CUSHION

SN: 60884-65000

1шт.

30

08034-00536

BAND

SN: 60884-UP

2шт.

31

14Y-62-11142

BRACKET

SN: 60884-UP

1шт.

32

01010-81240

BOLT

SN: 60884-UP

2шт.

33

01643-31232

WASHER

SN: 60884-UP

2шт.

34

01010-81225

BOLT

SN: 65001-UP

1шт.

35

01643-31032

WASHER

SN: 65001-UP

1шт.

36

14Z-43-11250

PLATE

SN: 60884-61364

1шт.

37

01010-51020

BOLT

SN: 60884-61364

2шт.

38

04434-53412

CLIP

SN: 60884-UP

1шт.

39

04434-53411

CLIP

SN: 65001-UP

1шт.

40

01643-31032

WASHER

SN: 60884-61364

2шт.

41

07095-20627

CUSHION

SN: 65001-UP

2шт.

41

07095-20627

CUSHION

SN: 60884-65000

1шт.

42

08034-00536

BAND

SN: 65001-UP

2шт.

42

08034-00536

BAND

SN: 60884-65000

1шт.

43

08210-02901

SPIRAL TUBE

SN: 65001-UP

1шт.

44

08210-02902

SPIRAL TUBE

SN: 65001-UP

1шт.

45

203-62-65141

ELBOW

SN: 65001-(103589)

1шт.

46

07002-32434

O-RING

SN: 65001-(103589)

1шт.

Выбрано товаров: 62