Запчасти Komatsu SA6D125E-3A-7W ЭЛЕКТРОПРОВОДКА (/) ДВИГАТЕЛЬ ЛЕВ. Э/ПРОВОДКА(№-) ДВИГАТЕЛЬ

Схема запчастей Komatsu SA6D125E-3A-7W - ЭЛЕКТРОПРОВОДКА (/) ДВИГАТЕЛЬ ЛЕВ. Э/ПРОВОДКА(№-) ДВИГАТЕЛЬ
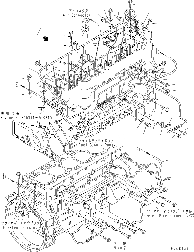
1
2
3
4
5
6
7
8
9
10
11
12
13
14
15
16
16
17
18
19
20
21
21
21
22
23
23
24
25
26
27
28
29
30
31
32
33
34
35
36
37
38
39
40
41
42
43
44
45
46
47
48
49
50
1
2
3
4
5
6
7
8
9
10
11
12
13
14
15
16
16
17
18
19
20
21
21
21
22
23
23
24
25
26
27
28
29
30
31
32
33
34
35
36
37
38
39
40
41
42
43
44
45
46
47
48
49
50
FIT
1:1
100%

Артикул

Название

Примечание

Количество

1

6155-81-9260

WIRING HARNESS

SN: 310314-UP

1шт.

2

6134-12-5120

SPACER

SN: 310314-UP

1шт.

3

04434-51010

CLIP

SN: 310314-UP

1шт.

4

04434-51210

CLIP

SN: 310314-UP

1шт.

5

01435-01045

BOLT

SN: 310314-UP

1шт.

6

04434-51210

CLIP

SN: 310314-UP

1шт.

7

04434-51010

CLIP

SN: 310314-UP

1шт.

8

01435-01035

BOLT

SN: 310314-UP

1шт.

9

04434-51210

CLIP

SN: 310314-UP

1шт.

10

01435-01020

BOLT

SN: 310314-UP

1шт.

11

6155-81-9110

BRACKET

SN: 310314-UP

1шт.

12

01435-01050

BOLT

SN: 310314-UP

1шт.

13

04434-51810

CLIP

SN: 310314-UP

1шт.

14

01435-01020

BOLT

SN: 310314-UP

1шт.

15

6211-71-5680

BRACKET

SN: 310314-UP

1шт.

16

01435-01020

BOLT

SN: 310314-UP

2шт.

17

04434-52110

CLIP

SN: 310314-UP

1шт.

18

01584-01008

NUT

SN: 310314-UP

1шт.

19

04434-52110

CLIP

SN: 310314-UP

1шт.

20

01435-01020

BOLT

SN: 310314-UP

1шт.

21

6155-81-9271

WIRE HARNESS

SN: 310314-UP

1шт.

22

6631-11-5630

SPACER

SN: 310314-310319

1шт.

23

04434-51010

CLIP

SN: 310314-UP

2шт.

24

01435-01025

BOLT

SN: 310314-UP

1шт.

25

01435-01025

BOLT

SN: 310320-UP

1шт.

25

01435-01040

BOLT

SN: 310314-310319

1шт.

26

6134-12-5120

SPACER

SN: 310314-UP

1шт.

27

04434-51210

CLIP

SN: 310314-UP

1шт.

28

6134-11-5120

SPACER

SN: 310314-UP

1шт.

29

04434-51410

CLIP

SN: 310314-UP

1шт.

30

01435-01070

BOLT

SN: 310314-UP

1шт.

31

08193-20010

CLIP

SN: 310314-UP

1шт.

32

01435-01016

BOLT

SN: 310314-UP

1шт.

33

6134-11-5120

SPACER

SN: 310314-UP

1шт.

34

426-01-11310

BRACKET

SN: 310314-UP

1шт.

35

01435-01065

BOLT

SN: 310314-UP

1шт.

36

08193-20010

CLIP

SN: 310314-UP

1шт.

37

01435-01016

BOLT

SN: 310314-UP

1шт.

38

6134-11-5120

SPACER

SN: 310314-UP

1шт.

39

04434-51010

CLIP

SN: 310314-UP

1шт.

40

01435-01060

BOLT

SN: 310314-UP

1шт.

41

04434-50810

CLIP

SN: 310314-UP

1шт.

42

01435-01016

BOLT

SN: 310314-UP

1шт.

43

6131-12-5920

SPACER

SN: 310314-UP

1шт.

44

6155-51-5290

STAY

SN: 310314-UP

1шт.

45

01435-01070

BOLT

SN: 310314-UP

1шт.

46

04434-51610

CLIP

SN: 310314-UP

1шт.

47

01435-01020

BOLT

SN: 310314-UP

1шт.

48

6631-11-5630

SPACER

SN: 310314-UP

1шт.

49

04434-51610

CLIP

SN: 310314-UP

1шт.

50

01435-01035

BOLT

SN: 310314-UP

1шт.

1

6155-81-9260

WIRING HARNESS

SN: 310314-UP

1шт.

2

6134-12-5120

SPACER

SN: 310314-UP

1шт.

3

04434-51010

CLIP

SN: 310314-UP

1шт.

4

04434-51210

CLIP

SN: 310314-UP

1шт.

5

01435-01045

BOLT

SN: 310314-UP

1шт.

6

04434-51210

CLIP

SN: 310314-UP

1шт.

7

04434-51010

CLIP

SN: 310314-UP

1шт.

8

01435-01035

BOLT

SN: 310314-UP

1шт.

9

04434-51210

CLIP

SN: 310314-UP

1шт.

10

01435-01020

BOLT

SN: 310314-UP

1шт.

11

6155-81-9110

BRACKET

SN: 310314-UP

1шт.

12

01435-01050

BOLT

SN: 310314-UP

1шт.

13

04434-51810

CLIP

SN: 310314-UP

1шт.

14

01435-01020

BOLT

SN: 310314-UP

1шт.

15

6211-71-5680

BRACKET

SN: 310314-UP

1шт.

16

01435-01020

BOLT

SN: 310314-UP

2шт.

17

04434-52110

CLIP

SN: 310314-UP

1шт.

18

01584-01008

NUT

SN: 310314-UP

1шт.

19

04434-52110

CLIP

SN: 310314-UP

1шт.

20

01435-01020

BOLT

SN: 310314-UP

1шт.

21

6155-81-9271

WIRE HARNESS

SN: 310314-UP

1шт.

22

6631-11-5630

SPACER

SN: 310314-310319

1шт.

23

04434-51010

CLIP

SN: 310314-UP

2шт.

24

01435-01025

BOLT

SN: 310314-UP

1шт.

25

01435-01025

BOLT

SN: 310320-UP

1шт.

25

01435-01040

BOLT

SN: 310314-310319

1шт.

26

6134-12-5120

SPACER

SN: 310314-UP

1шт.

27

04434-51210

CLIP

SN: 310314-UP

1шт.

28

6134-11-5120

SPACER

SN: 310314-UP

1шт.

29

04434-51410

CLIP

SN: 310314-UP

1шт.

30

01435-01070

BOLT

SN: 310314-UP

1шт.

31

08193-20010

CLIP

SN: 310314-UP

1шт.

32

01435-01016

BOLT

SN: 310314-UP

1шт.

33

6134-11-5120

SPACER

SN: 310314-UP

1шт.

34

426-01-11310

BRACKET

SN: 310314-UP

1шт.

35

01435-01065

BOLT

SN: 310314-UP

1шт.

36

08193-20010

CLIP

SN: 310314-UP

1шт.

37

01435-01016

BOLT

SN: 310314-UP

1шт.

38

6134-11-5120

SPACER

SN: 310314-UP

1шт.

39

04434-51010

CLIP

SN: 310314-UP

1шт.

40

01435-01060

BOLT

SN: 310314-UP

1шт.

41

04434-50810

CLIP

SN: 310314-UP

1шт.

42

01435-01016

BOLT

SN: 310314-UP

1шт.

43

6131-12-5920

SPACER

SN: 310314-UP

1шт.

44

6155-51-5290

STAY

SN: 310314-UP

1шт.

45

01435-01070

BOLT

SN: 310314-UP

1шт.

46

04434-51610

CLIP

SN: 310314-UP

1шт.

47

01435-01020

BOLT

SN: 310314-UP

1шт.

48

6631-11-5630

SPACER

SN: 310314-UP

1шт.

49

04434-51610

CLIP

SN: 310314-UP

1шт.

50

01435-01035

BOLT

SN: 310314-UP

1шт.

Выбрано товаров: 102