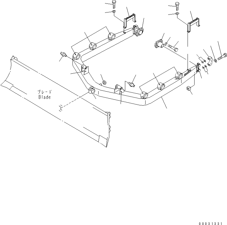
Запчасти Komatsu D65PX-15 ТОЛКАЮЩ. РАМА(№79-) РАБОЧЕЕ ОБОРУДОВАНИЕ

Схема запчастей Komatsu D65PX-15 - ТОЛКАЮЩ. РАМА(№79-) РАБОЧЕЕ ОБОРУДОВАНИЕ
1
2
3
4
5
6
7
8
9
10
11
12
13
13
14
14
15
15
16
17
18
18
19
19
20
20
8
9
10
11
12
13
13
FIT
1:1
100%

Артикул

Название

Примечание

Количество

1

0

FRAME

SN: 67091-UP

1шт.

2

14G-926-5230

SHAFT

SN: 67001-UP

1шт.

3

14G-926-5240

COLLAR (WELDED)

SN: 67001-UP

1шт.

4

144-70-13210

BRACKET,L.H. (WELDED)

SN: 67001-UP

3шт.

5

144-70-13220

BRACKET,R.H. (WELDED)

SN: 67001-UP

3шт.

6

14Y-926-1130

BRACKET,L.H. (WELDED)

SN: 67001-UP

1шт.

7

14Y-926-1140

BRACKET,R.H. (WELDED)

SN: 67001-UP

1шт.

|$11

14X-70-00071

PIVOT ASS'Y

SN: 67001-UP

2шт.

8

0

PIVOT,(WELDED) (KIT)

SN: 67001-UP

1шт.

9

14Y-71-12150

CAP (KIT)

SN: 67001-UP

1шт.

10

01011-82465

BOLT (KIT)

SN: 67001-UP

2шт.

11

01643-32460

WASHER (KIT)

SN: 67001-UP

2шт.

12

130-70-13241

NUT (KIT)

SN: 67001-UP

2шт.

13

14Y-71-22280

SHIM, T=1.0 (KIT)

SN: 67001-UP

20шт.

14

07020-00000

FITTING,GREASE

SN: 67001-UP

2шт.

15

14Z-71-33212

TRUNNION

SN: 67720-UP

2шт.

15

14Z-71-33211

TRUNNION

SN: 67091-67719

2шт.

16

01010-82065

BOLT

SN: 67001-UP

16шт.

17

01643-32060

WASHER

SN: 67001-UP

16шт.

18

14Y-71-33720

STEP

SN: 67091-UP

2шт.

19

01010-81240

BOLT

SN: 67091-UP

8шт.

20

01643-31232

WASHER

SN: 67091-UP

8шт.

|$$23

SERVICE PARTS

-1шт.

1

14X-70-00071

PIVOT ASS'Y

SN: 67001-UP

2шт.

8

0

PIVOT

SN: 67001-UP

1шт.

9

14Y-71-12150

CAP

SN: 67001-UP

1шт.

10

01011-82465

BOLT

SN: 67001-UP

2шт.

11

01643-32460

WASHER

SN: 67001-UP

2шт.

12

130-70-13241

NUT

SN: 67001-UP

2шт.

13

14Y-71-22280

SHIM, T=1.0

SN: 67001-UP

20шт.

Выбрано товаров: 30