Запчасти Komatsu D65PX-15 КРЫЛО (P.P.C ЛИНИЯ) ЧАСТИ КОРПУСА

Схема запчастей Komatsu D65PX-15 - КРЫЛО (P.P.C ЛИНИЯ) ЧАСТИ КОРПУСА
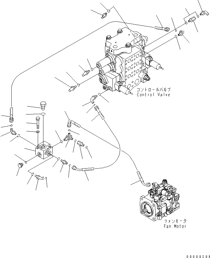
1
2
3
4
5
6
7
8
8A
9
10
11
12
13
14
14
14
14
15
15
16
16
17
17
18
18
19
19
20
21
22
23
24
24
25
26
26
26
26
26
26
27
27
FIT
1:1
100%

Артикул

Название

Примечание

Количество

|1

14X-62-32200

SN: 67001-UP

1шт.

1

14X-62-32421

SN: 67001-UP

1шт.

2

07040-12012

SN: 67001-UP

1шт.

3

07002-12034

SN: 67001-UP

1шт.

4

103-49-14280

SN: 67001-UP

1шт.

5

07002-11623

SN: 67001-UP

1шт.

6

01010-81075

SN: 67001-UP

2шт.

7

01643-31032

SN: 67001-UP

2шт.

8

02783-10210

SN: 67001-UP

1шт.

8A

02896-11008

SN: 67001-UP

1шт.

9

02781-0021D

SN: 67001-UP

1шт.

10

21W-62-45140

SN: 67001-UP

1шт.

11

14X-62-33411

SN: 67001-UP

1шт.

12

02896-11009

SN: 67001-UP

1шт.

13

02783-10210

SN: 67001-UP

1шт.

14

07002-11423

SN: 67001-UP

4шт.

15

02896-11008

SN: 67001-UP

2шт.

16

02896-11009

SN: 67001-UP

2шт.

17

14X-62-32641

SN: 67001-UP

1шт.

18

14X-62-32972

SN: 67001-UP

1шт.

19

14X-62-32630

SN: 67001-UP

1шт.

19A

14X-62-33391

SN: 67240-UP

1шт.

19B

20U-62-22190

SN: 67240-UP

1шт.

19C

08210-01204

SN: 67240-UP

1шт.

20

02782-10210

SN: 67001-UP

1шт.

21

20X-62-47410

SN: 67001-UP

1шт.

22

134-62-71452

SN: 67001-UP

1шт.

23

02782-10210

SN: 67001-UP

1шт.

24

201-62-75420

SN: 67001-UP

2шт.

25

203-62-58880

SN: 67001-UP

1шт.

26

07002-11423

SN: 67001-UP

7шт.

27

02896-11008

SN: 67001-UP

2шт.

Выбрано товаров: 32