Запчасти Komatsu D65PX-15 H.S.S (КОРПУС) (/) СИЛОВАЯ ПЕРЕДАЧА И КОНЕЧНАЯ ПЕРЕДАЧА

Схема запчастей Komatsu D65PX-15 - H.S.S (КОРПУС) (/) СИЛОВАЯ ПЕРЕДАЧА И КОНЕЧНАЯ ПЕРЕДАЧА
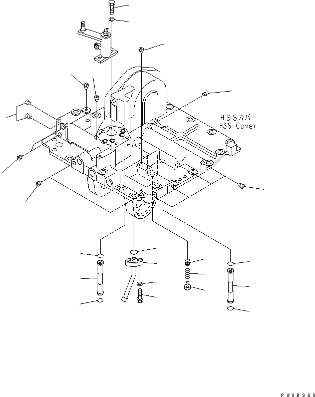
1
1
2
2
2
2
3
3
3
3
3
3
3
4
5
6
7
8
9
10
11
12
13
FIT
1:1
100%

Артикул

Название

Примечание

Количество

|1

14Y-22-31000

SN: 67001-UP

1шт.

|$$2

-1шт.

1

14Y-22-26180

SN: 67001-UP

2шт.

2

07000-72018

SN: 67001-UP

4шт.

3

07043-70312

SN: 67001-UP

19шт.

4

07042-80108

SN: 67001-UP

1шт.

5

23A-15-15490

SN: 67001-UP

1шт.

6

702-16-52420

SN: 67001-UP

1шт.

7

07040-12012

SN: 67001-UP

1шт.

8

14Y-22-26240

SN: 67001-UP

1шт.

9

07000-73022

SN: 67001-UP

1шт.

10

01010-81035

SN: 67001-UP

2шт.

11

01643-31032

SN: 67001-UP

2шт.

12

01010-81025

SN: 67001-UP

2шт.

13

01643-31032

SN: 67001-UP

2шт.

Выбрано товаров: 15