Запчасти Komatsu D65PX-15 ТРАНСМИССИЯ (COVER) СИЛОВАЯ ПЕРЕДАЧА И КОНЕЧНАЯ ПЕРЕДАЧА

Схема запчастей Komatsu D65PX-15 - ТРАНСМИССИЯ (COVER) СИЛОВАЯ ПЕРЕДАЧА И КОНЕЧНАЯ ПЕРЕДАЧА
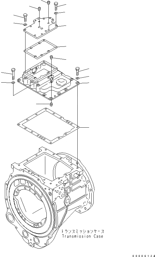
1
2
3
4
5
6
7
8
9
9
10
10
11
11
12
13
FIT
1:1
100%

Артикул

Название

Примечание

Количество

|$$1

-1шт.

|1

14X-15-31001

SN: (100378)-UP

1шт.

|1

14X-15-31000

SN: 67001-(100377)

1шт.

|$$4

-1шт.

1

14X-15-25850

SN: (100475)-UP

1шт.

|1

14X-15-25810

SN: 67001-(100474)

1шт.

2

14X-15-15910

SN: 67001-UP

1шт.

3

01010-81230

SN: 67001-UP

10шт.

4

01643-31232

SN: 67001-UP

10шт.

5

01010-81285

SN: 67001-UP

1шт.

6

01643-31232

SN: 67001-UP

1шт.

7

14X-15-25821

SN: (100475)-UP

1шт.

|7

14X-15-25820

SN: 67001-(100474)

1шт.

8

14X-15-25831

SN: (100475)-UP

1шт.

|8

14X-15-25830

SN: 67001-(100474)

1шт.

9

01010-81030

SN: 67001-UP

3шт.

10

01643-31032

SN: 67001-UP

3шт.

11

07042-80108

SN: 67001-UP

5шт.

12

07043-70108

SN: 67001-UP

1шт.

13

07042-80211

SN: 67001-UP

1шт.

Выбрано товаров: 0