Запчасти Komatsu SA6D125E-3C-7A ЭЛЕКТРОПРОВОДКА (/) ОСНОВН. Э/ПРОВОДКА(№-) ДВИГАТЕЛЬ

Схема запчастей Komatsu SA6D125E-3C-7A - ЭЛЕКТРОПРОВОДКА (/) ОСНОВН. Э/ПРОВОДКА(№-) ДВИГАТЕЛЬ
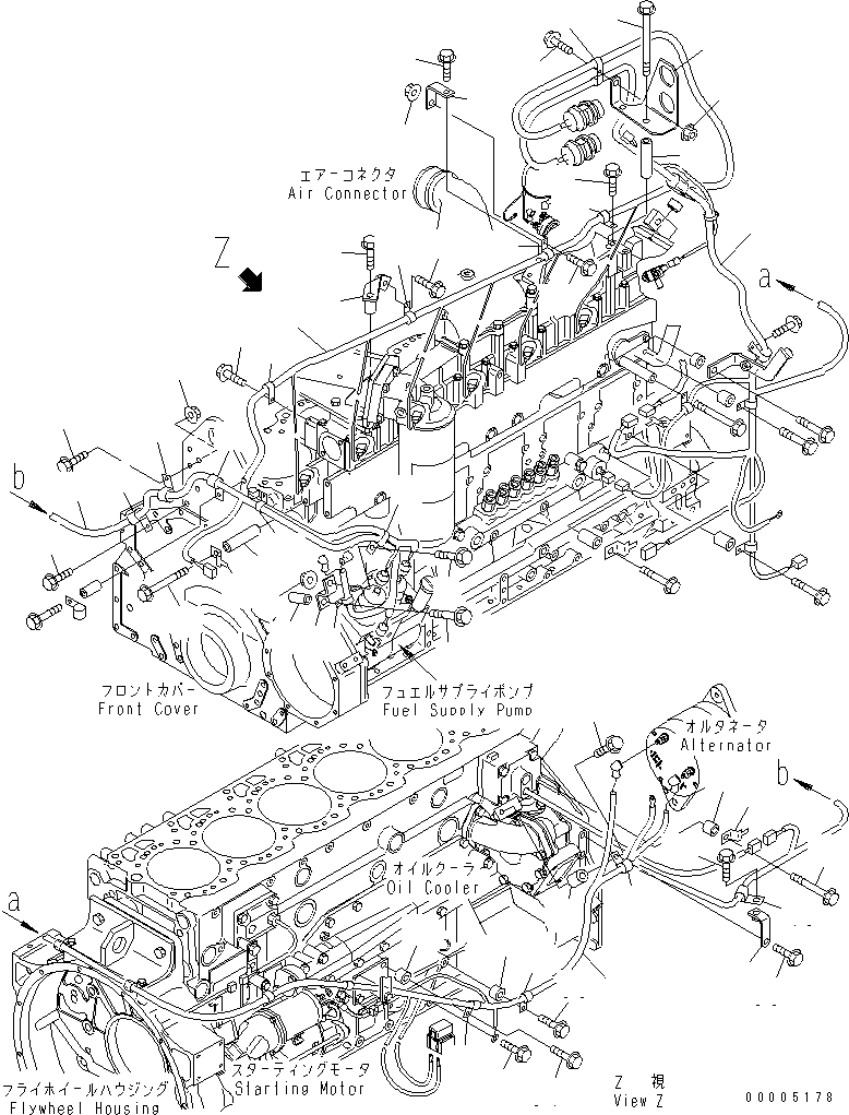
1
2
3
4
5
6
7
8
9
10
11
12
13
14
15
16
17
18
19
20
21
22
23
24
25
26
27
28
28
28
29
30
31
32
33
34
35
36
37
38
39
40
41
42
43
44
45
45A
46
47
48
49
50
51
52
53
54
1
2
3
4
5
6
7
8
9
10
11
12
13
14
15
16
17
18
19
20
21
22
23
24
25
26
27
28
28
28
29
30
31
32
33
34
35
36
37
38
39
40
41
42
43
44
45
45A
46
47
48
49
50
51
52
53
54
FIT
1:1
100%

Артикул

Название

Примечание

Количество

1

6155-81-9260

WIRING HARNESS

SN: 311306-UP

1шт.

2

04435-51312

CLIP

SN: 311306-UP

1шт.

3

01435-01016

BOLT

SN: 311306-UP

1шт.

4

01584-01008

NUT

SN: 311306-UP

1шт.

5

6134-11-5120

SPACER

SN: 311306-UP

1шт.

6

6162-73-6170

STAY

SN: 311306-UP

1шт.

7

01435-01060

BOLT

SN: 311306-UP

1шт.

8

04435-51210

CLIP

SN: 311306-UP

1шт.

9

04434-51210

CLIP

SN: 311306-UP

1шт.

10

01435-01020

BOLT

SN: 311306-UP

1шт.

11

6155-81-9110

BRACKET

SN: 311306-UP

1шт.

12

01435-01050

BOLT

SN: 311306-UP

1шт.

13

04434-51810

CLIP

SN: 311306-UP

1шт.

14

01435-01020

BOLT

SN: 311306-UP

1шт.

15

6211-71-5680

BRACKET

SN: 311306-UP

1шт.

16

01435-01020

BOLT

SN: 311306-UP

1шт.

17

04434-52110

CLIP

SN: 311306-UP

1шт.

18

01435-01020

BOLT

SN: 311306-UP

1шт.

19

01584-01008

NUT

SN: 311306-UP

1шт.

20

04434-51810

CLIP

SN: 311306-UP

1шт.

21

01435-01020

BOLT

SN: 311306-UP

1шт.

22

6137-11-5120

SPACER

SN: 311306-UP

2шт.

23

01436-01075

BOLT

SN: 311306-UP

2шт.

24

6155-81-9122

BRACKET

SN: 311306-UP

1шт.

25

04434-52110

CLIP

SN: 311306-UP

1шт.

26

01435-01025

BOLT

SN: 311306-UP

1шт.

27

01584-01008

NUT

SN: 311306-UP

1шт.

28

6155-81-9280

WIRING HARNESS

SN: 311306-UP

1шт.

29

08193-20010

CLIP

SN: 311306-UP

1шт.

30

6137-11-5120

SPACER

SN: 311306-UP

1шт.

31

01436-01005

BOLT

SN: 311306-UP

1шт.

32

04434-51010

CLIP

SN: 311306-UP

1шт.

33

04434-51010

CLIP

SN: 311306-UP

1шт.

34

01435-01030

BOLT

SN: 311306-UP

1шт.

35

01584-01008

NUT

SN: 311306-UP

1шт.

36

04434-51010

CLIP

SN: 311306-UP

1шт.

37

01435-01016

BOLT

SN: 311306-UP

1шт.

38

6204-23-5910

STAY

SN: 311306-UP

1шт.

39

01435-01020

BOLT

SN: 311306-UP

1шт.

40

04434-51210

CLIP

SN: 311306-UP

1шт.

41

01435-01020

BOLT

SN: 311306-UP

1шт.

42

6631-11-5630

SPACER

SN: 311306-UP

1шт.

43

08193-20010

CLIP

SN: 311306-UP

1шт.

44

01435-01090

BOLT

SN: 311306-UP

1шт.

45

04434-51810

CLIP

SN: 311306-UP

1шт.

45A

04435-51210

CLIP

SN: 311306-UP

1шт.

46

6134-12-5120

SPACER

SN: 311306-UP

1шт.

47

01435-01045

BOLT

SN: 311306-UP

1шт.

48

04434-52110

CLIP

SN: 311306-UP

1шт.

49

6631-11-5630

SPACER

SN: 311306-UP

1шт.

50

01435-01035

BOLT

SN: 311306-UP

1шт.

51

01435-01016

BOLT

SN: 311306-UP

1шт.

52

04434-52110

CLIP

SN: 311306-UP

1шт.

53

6631-11-5630

SPACER

SN: 311306-UP

1шт.

54

01435-01040

BOLT

SN: 311306-UP

1шт.

1

6155-81-9260

WIRING HARNESS

SN: 311306-UP

1шт.

2

04435-51312

CLIP

SN: 311306-UP

1шт.

3

01435-01016

BOLT

SN: 311306-UP

1шт.

4

01584-01008

NUT

SN: 311306-UP

1шт.

5

6134-11-5120

SPACER

SN: 311306-UP

1шт.

6

6162-73-6170

STAY

SN: 311306-UP

1шт.

7

01435-01060

BOLT

SN: 311306-UP

1шт.

8

04435-51210

CLIP

SN: 311306-UP

1шт.

9

04434-51210

CLIP

SN: 311306-UP

1шт.

10

01435-01020

BOLT

SN: 311306-UP

1шт.

11

6155-81-9110

BRACKET

SN: 311306-UP

1шт.

12

01435-01050

BOLT

SN: 311306-UP

1шт.

13

04434-51810

CLIP

SN: 311306-UP

1шт.

14

01435-01020

BOLT

SN: 311306-UP

1шт.

15

6211-71-5680

BRACKET

SN: 311306-UP

1шт.

16

01435-01020

BOLT

SN: 311306-UP

1шт.

17

04434-52110

CLIP

SN: 311306-UP

1шт.

18

01435-01020

BOLT

SN: 311306-UP

1шт.

19

01584-01008

NUT

SN: 311306-UP

1шт.

20

04434-51810

CLIP

SN: 311306-UP

1шт.

21

01435-01020

BOLT

SN: 311306-UP

1шт.

22

6137-11-5120

SPACER

SN: 311306-UP

2шт.

23

01436-01075

BOLT

SN: 311306-UP

2шт.

24

6155-81-9122

BRACKET

SN: 311306-UP

1шт.

25

04434-52110

CLIP

SN: 311306-UP

1шт.

26

01435-01025

BOLT

SN: 311306-UP

1шт.

27

01584-01008

NUT

SN: 311306-UP

1шт.

28

6155-81-9280

WIRING HARNESS

SN: 311306-UP

1шт.

29

08193-20010

CLIP

SN: 311306-UP

1шт.

30

6137-11-5120

SPACER

SN: 311306-UP

1шт.

31

01436-01005

BOLT

SN: 311306-UP

1шт.

32

04434-51010

CLIP

SN: 311306-UP

1шт.

33

04434-51010

CLIP

SN: 311306-UP

1шт.

34

01435-01030

BOLT

SN: 311306-UP

1шт.

35

01584-01008

NUT

SN: 311306-UP

1шт.

36

04434-51010

CLIP

SN: 311306-UP

1шт.

37

01435-01016

BOLT

SN: 311306-UP

1шт.

38

6204-23-5910

STAY

SN: 311306-UP

1шт.

39

01435-01020

BOLT

SN: 311306-UP

1шт.

40

04434-51210

CLIP

SN: 311306-UP

1шт.

41

01435-01020

BOLT

SN: 311306-UP

1шт.

42

6631-11-5630

SPACER

SN: 311306-UP

1шт.

43

08193-20010

CLIP

SN: 311306-UP

1шт.

44

01435-01090

BOLT

SN: 311306-UP

1шт.

45

04434-51810

CLIP

SN: 311306-UP

1шт.

45A

04435-51210

CLIP

SN: 311306-UP

1шт.

46

6134-12-5120

SPACER

SN: 311306-UP

1шт.

47

01435-01045

BOLT

SN: 311306-UP

1шт.

48

04434-52110

CLIP

SN: 311306-UP

1шт.

49

6631-11-5630

SPACER

SN: 311306-UP

1шт.

50

01435-01035

BOLT

SN: 311306-UP

1шт.

51

01435-01016

BOLT

SN: 311306-UP

1шт.

52

04434-52110

CLIP

SN: 311306-UP

1шт.

53

6631-11-5630

SPACER

SN: 311306-UP

1шт.

54

01435-01040

BOLT

SN: 311306-UP

1шт.

Выбрано товаров: 110