Запчасти Komatsu D65PX-15E0 КОНДИЦ. ВОЗДУХА (ЛИНИЯ ОБОГРЕВАТЕЛЯ) КАБИНА ОПЕРАТОРА И СИСТЕМА УПРАВЛЕНИЯ

Схема запчастей Komatsu D65PX-15E0 - КОНДИЦ. ВОЗДУХА (ЛИНИЯ ОБОГРЕВАТЕЛЯ) КАБИНА ОПЕРАТОРА И СИСТЕМА УПРАВЛЕНИЯ
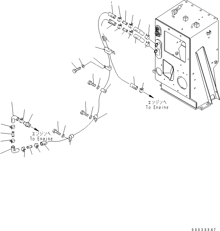
1
2
2
3
4
4
5
5
5
5
6
7
7
7
7
8
9
10
10
10
11
11
11
12
12
13
13
14
14
14
14
15
15
16
16
17
17
17
17
FIT
1:1
100%

Артикул

Название

Примечание

Количество

1

14X-Z11-9670

NIPPLE

SN: 69001-UP

1шт.

2

14X-Z11-9621

HOSE ASS'Y

SN: 69001-UP

1шт.

3

08017-A2808

CONDUIT

SN: 69001-UP

1шт.

4

14X-Z11-9632

HOSE ASS'Y

SN: 69001-UP

1шт.

5

09479-02400

CLAMP

SN: 69001-UP

4шт.

6

569-06-61980

CLIP

SN: 69001-UP

1шт.

7

04434-53411

CLIP

SN: 69001-UP

4шт.

8

01010-81016

BOLT

SN: 69001-UP

1шт.

9

01643-31032

WASHER

SN: 69001-UP

1шт.

10

01010-81020

BOLT

SN: 69001-UP

3шт.

11

01643-31032

WASHER

SN: 69001-UP

3шт.

12

09484-00560

CONNECTOR

SN: 69001-UP

2шт.

13

09483-30550

HOSE

SN: 69001-UP

2шт.

14

09479-02400

CLAMP

SN: 69001-UP

4шт.

15

09484-00560

CONNECTOR

SN: 69001-UP

2шт.

16

567-07-15210

HOSE

SN: 69001-UP

2шт.

17

09479-02400

CLAMP

SN: 69001-UP

4шт.

Выбрано товаров: 17