Запчасти Komatsu D65PX-15E0 НАГНЕТАТЕЛЬ (С КОНДИЦИОНЕРОМ) КАБИНА ОПЕРАТОРА И СИСТЕМА УПРАВЛЕНИЯ

Схема запчастей Komatsu D65PX-15E0 - НАГНЕТАТЕЛЬ (С КОНДИЦИОНЕРОМ) КАБИНА ОПЕРАТОРА И СИСТЕМА УПРАВЛЕНИЯ
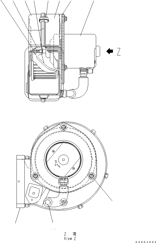
1
2
3
4
5
6
7
8
9
10
11
FIT
1:1
100%

Артикул

Название

Примечание

Количество

|$4

17A-Z11-7120

BLOWER ASS'Y

SN: 69001-UP

1шт.

1

ND140240-0682

CASE

SN: 69001-UP

1шт.

2

ND514024-0121

CASE

SN: 69001-UP

1шт.

3

ND529250-0049

MOTOR ASS'Y

SN: 69001-UP

1шт.

4

ND116221-0430

FAN

SN: 69001-UP

1шт.

5

ND949011-7650

WASHER

SN: 69001-UP

1шт.

6

ND949056-2230

NUT

SN: 69001-UP

1шт.

7

ND949047-4120

SCREW

SN: 69001-UP

3шт.

8

ND146622-1920

PACKING

SN: 69001-UP

1шт.

9

ND116632-0171

SPRING

SN: 69001-UP

6шт.

10

ND146651-0920

PIPE

SN: 69001-UP

1шт.

11

ND040016-4780

INSULATOR

SN: 69001-UP

1шт.

Выбрано товаров: 12