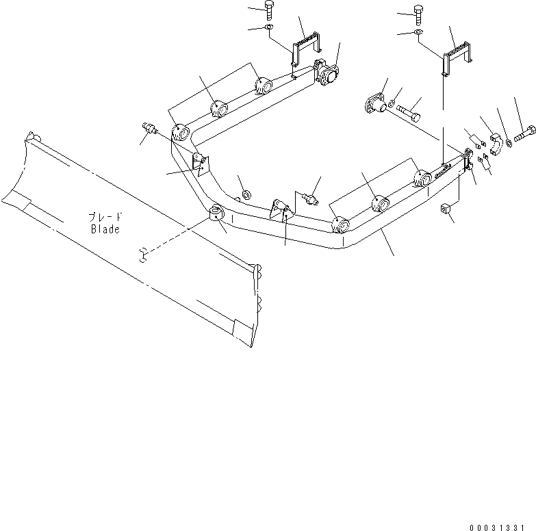
Запчасти Komatsu D65PX-15E0 ТОЛКАЮЩ. РАМА РАБОЧЕЕ ОБОРУДОВАНИЕ

Схема запчастей Komatsu D65PX-15E0 - ТОЛКАЮЩ. РАМА РАБОЧЕЕ ОБОРУДОВАНИЕ
1
2
3
4
5
6
7
8
9
10
11
12
13
13
14
14
15
15
16
17
18
18
19
19
20
20
8
9
10
11
12
13
13
FIT
1:1
100%

Артикул

Название

Примечание

Количество

|$5

14Y-926-0012

FRAME ASS'Y

SN: 71402-UP

1шт.

|$6

14Y-926-0011

C-FRAME ASS'Y

SN: 69001-71401

1шт.

1

14Y-926-2122

FRAME ASS'Y

SN: 71774-UP

1шт.

1

0

FRAME

SN: 71402-71773

1шт.

1

0

FRAME

SN: 69001-71401

1шт.

2

14G-926-5230

SHAFT

SN: 69001-UP

1шт.

3

14G-926-5240

COLLAR (WELDED)

SN: 69001-UP

1шт.

4

144-70-13210

BRACKET,L.H. (WELDED)

SN: 69001-UP

3шт.

5

144-70-13220

BRACKET,R.H. (WELDED)

SN: 69001-UP

3шт.

6

14Y-926-1130

BRACKET,L.H. (WELDED)

SN: 69001-UP

1шт.

7

14Y-926-1140

BRACKET,R.H. (WELDED)

SN: 69001-UP

1шт.

|$19

14X-70-00072

PIVOT ASS'Y

SN: 71774-UP

2шт.

|$20

14X-70-00071

PIVOT ASS'Y

SN: 69001-71773

2шт.

8

0

PIVOT,(WELDED) (KIT)

SN: 69001-UP

1шт.

9

14Y-71-12151

CAP (KIT)

SN: 71774-UP

1шт.

9

14Y-71-12150

CAP (KIT)

SN: 69001-71773

1шт.

10

01011-82465

BOLT (KIT)

SN: 69001-UP

2шт.

11

01643-32460

WASHER (KIT)

SN: 69001-UP

2шт.

12

130-70-13241

NUT (KIT)

SN: 69001-UP

2шт.

13

14Y-71-22280

SHIM, T=1.0 (KIT)

SN: 69001-UP

20шт.

14

07020-00000

FITTING,GREASE

SN: 69001-UP

2шт.

15

14Z-71-33212

TRUNNION

SN: 69001-UP

2шт.

16

01010-82065

BOLT

SN: 69001-UP

16шт.

17

01643-32060

WASHER

SN: 69001-UP

16шт.

18

14Y-71-33720

STEP

SN: 69001-UP

2шт.

19

01010-81240

BOLT

SN: 69001-UP

8шт.

20

01643-31232

WASHER

SN: 69001-UP

8шт.

|$$28

SERVICE PARTS

-1шт.

8

14X-70-00072

PIVOT ASS'Y

SN: 71774-UP

1шт.

8

14X-70-00071

PIVOT ASS'Y

SN: 69001-71773

1шт.

8

0

PIVOT

SN: 69001-UP

1шт.

9

14Y-71-12151

CAP

SN: 71774-UP

1шт.

9

14Y-71-12150

CAP

SN: 69001-71773

1шт.

10

01011-82465

BOLT

SN: 69001-UP

2шт.

11

01643-32460

WASHER

SN: 69001-UP

2шт.

12

130-70-13241

NUT

SN: 69001-UP

2шт.

13

14Y-71-22280

SHIM, T=1.0

SN: 69001-UP

20шт.

Выбрано товаров: 37