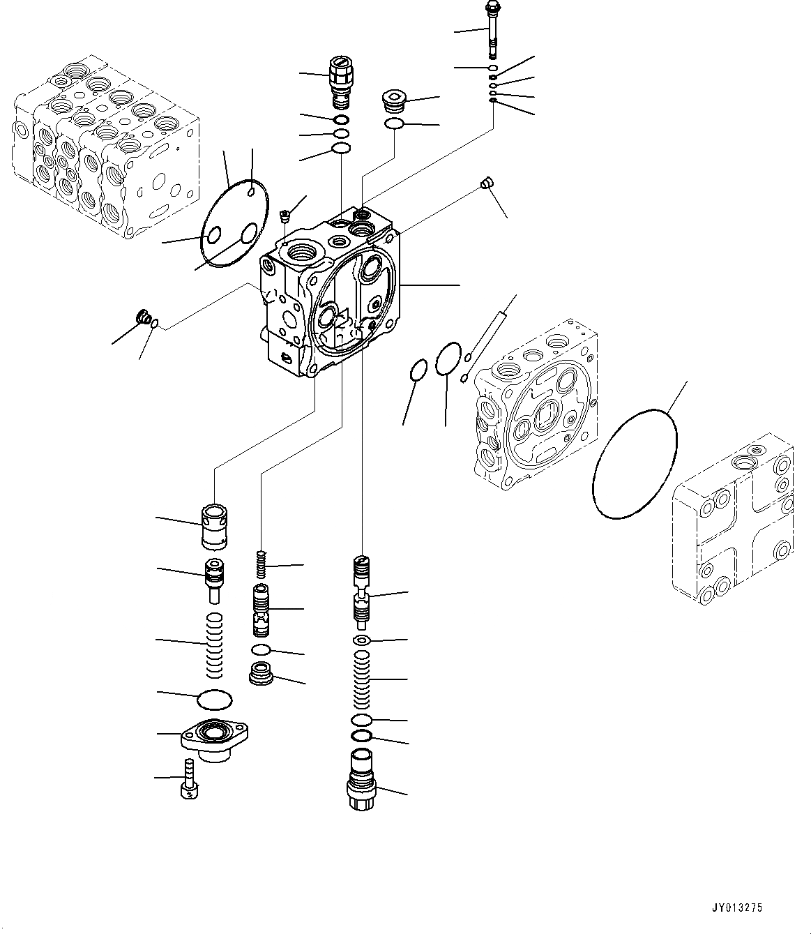
Запчасти Komatsu D65PX-16 КРЫЛО ГРУППА, УПРАВЛЯЮЩ. КЛАПАН, -КЛАПАН (8/) (№8-) КРЫЛО ГРУППА, ДЛЯ MACHINE С 5-СЕКЦИОНН. КЛАПАН ГИДРАВЛS, С ПОВОРОТН. ОТВАЛ С ИЗМ. УГЛОМ DOZER, ДЛЯ MACHINE С РЫХЛИТЕЛЕМ

Схема запчастей Komatsu D65PX-16 - КРЫЛО ГРУППА, УПРАВЛЯЮЩ. КЛАПАН, -КЛАПАН (8/) (№8-) КРЫЛО ГРУППА, ДЛЯ MACHINE С 5-СЕКЦИОНН. КЛАПАН ГИДРАВЛS, С ПОВОРОТН. ОТВАЛ С ИЗМ. УГЛОМ DOZER, ДЛЯ MACHINE С РЫХЛИТЕЛЕМ
21
17
4
10
9
1
3
15
13
14
16
11
18
8
6
7
5
20
8
9
19
2
12
22
23
25
24
26
27
28
29
30
32
31
35
37
38
36
34
33
30
FIT
1:1
100%

Артикул

Название

Примечание

Количество

|$0

723-25-11200

Valve, Control

SN: 80932-UP

1шт.

|$1

723-25-11101

Valve, Control

SN: 80348-80931

1шт.

|$2

723-25-11100

Valve, Control

SN: 80001-80347

1шт.

|$3

Block Subassembly

SN: 80348-UP

1шт.

|$4

Block Subassembly

SN: 80001-80347

1шт.

1

Block

SN: 80001-UP

1шт.

2

Spool

SN: 80001-UP

1шт.

3

723-26-15861

Washer

SN: 80348-UP

1шт.

3

723-26-15860

Washer

SN: 80001-80347

1шт.

4

723-26-14590

Spring

SN: 80001-UP

1шт.

5

723-26-15851

Plug

SN: 80348-UP

1шт.

5

723-26-15850

Plug

SN: 80001-80347

1шт.

6

700-80-61260

O-ring

SN: 80001-UP

1шт.

7

700-80-61430

Ring, Back-up

SN: 80001-UP

1шт.

8

723-26-15230

Plug

SN: 80001-UP

2шт.

9

07002-12434

O-ring

SN: 80001-UP

2шт.

10

Spool

SN: 80001-UP

1шт.

11

723-26-14470

Spring

SN: 80001-UP

1шт.

12

723-60-21900

Valve, Relief

SN: 80001-UP

1шт.

13

07002-12434

O-ring

SN: 80001-UP

1шт.

14

07000-12016

O-ring

SN: 80001-UP

1шт.

15

07001-02016

Ring, Back-up

SN: 80001-UP

1шт.

16

Piston

SN: 80001-UP

1шт.

17

723-36-15340

Spring

SN: 80001-UP

1шт.

18

Sleeve

SN: 80001-UP

1шт.

19

723-36-15250

Case

SN: 80001-UP

1шт.

20

07000-13042

O-ring

SN: 80001-UP

1шт.

21

01252-60820

Bolt, Hexagon Socket Head

SN: 80001-UP

2шт.

22

Valve Assembly

SN: 80001-UP

1шт.

23

07002-11223

O-ring

SN: 80001-UP

1шт.

24

07000-11007

O-ring

SN: 80001-UP

1шт.

25

07001-01007

Ring, Back-up

SN: 80001-UP

1шт.

26

07000-11005

O-ring

SN: 80001-UP

1шт.

27

07001-01005

Ring, Back-up

SN: 80001-UP

1шт.

28

723-26-15220

Plug

SN: 80001-UP

1шт.

29

07002-11223

O-ring

SN: 80001-UP

1шт.

30

Plug

SN: 80001-UP

5шт.

31

07000-12020

O-ring

SN: 80001-UP

1шт.

32

07000-12120

O-ring

SN: 80001-UP

1шт.

33

07000-11008

O-ring

SN: 80001-UP

1шт.

34

723-26-15840

O-ring

SN: 80001-UP

1шт.

35

144-14-54610

O-ring

SN: 80001-UP

1шт.

36

723-56-31730

O-ring

SN: 80001-UP

1шт.

37

702-75-11520

O-ring

SN: 80001-UP

1шт.

38

07000-11008

O-ring

SN: 80001-UP

2шт.

Выбрано товаров: 45