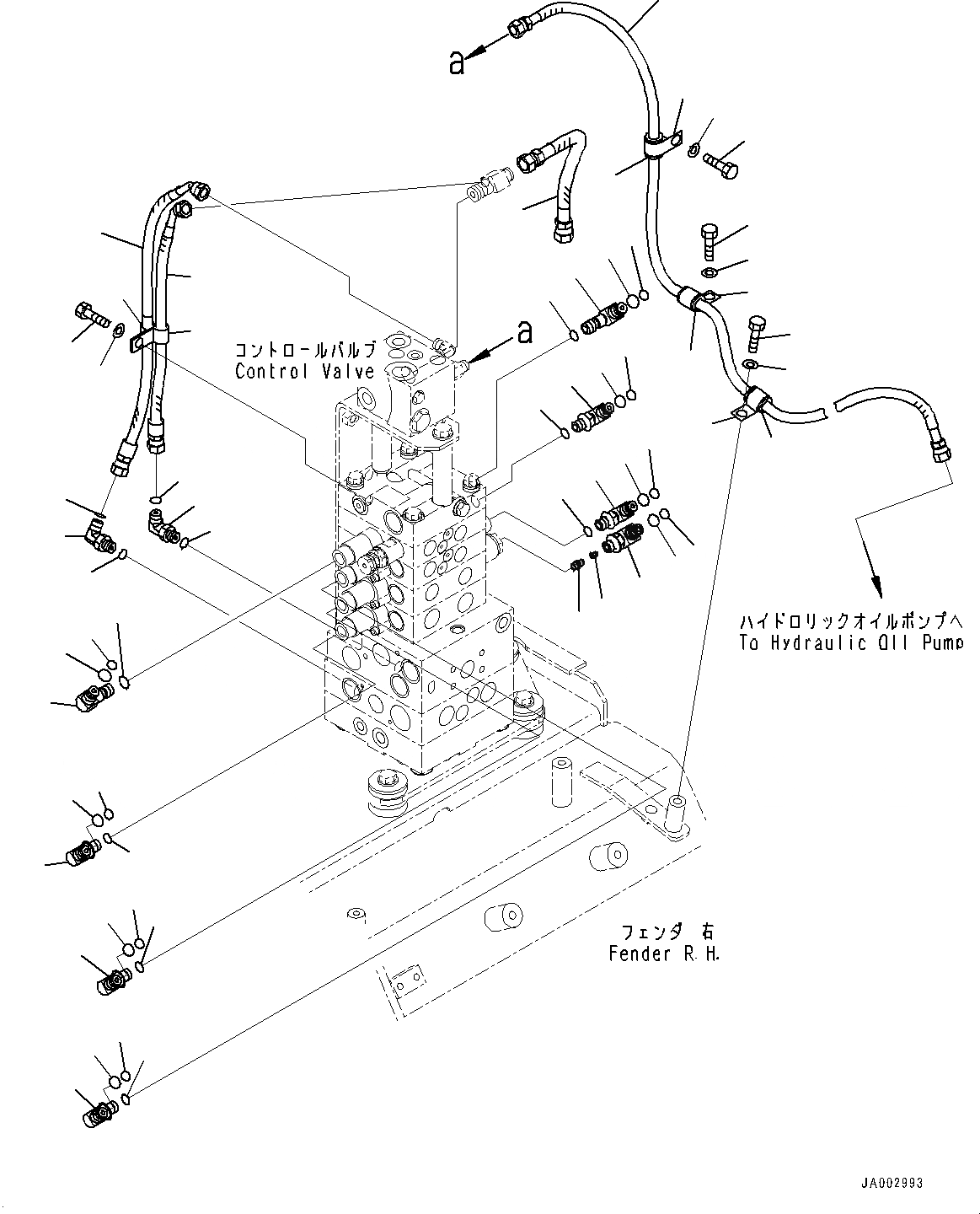
Запчасти Komatsu D65PX-16 КРЫЛО ГРУППА, УПРАВЛЯЮЩ. КЛАПАН ГИДРАВЛИКА РУЛ. УПРАВЛЕНИЯ (№8-88) КРЫЛО ГРУППА, ДЛЯ MACHINE С 5-СЕКЦИОНН. КЛАПАН ГИДРАВЛS, С ПОВОРОТН. ОТВАЛ С ИЗМ. УГЛОМ DOZER, ДЛЯ MACHINE С РЫХЛИТЕЛЕМ

Схема запчастей Komatsu D65PX-16 - КРЫЛО ГРУППА, УПРАВЛЯЮЩ. КЛАПАН ГИДРАВЛИКА РУЛ. УПРАВЛЕНИЯ (№8-88) КРЫЛО ГРУППА, ДЛЯ MACHINE С 5-СЕКЦИОНН. КЛАПАН ГИДРАВЛS, С ПОВОРОТН. ОТВАЛ С ИЗМ. УГЛОМ DOZER, ДЛЯ MACHINE С РЫХЛИТЕЛЕМ
7
6
5
4
8
10
11
12
13
22
23
24
25
26
27
29
30
32
33
34
35
17
16
15
14
18
20
21
28
31
36
37
38
39
39
14
15
16
17
21
18
36
36
38
37
37
39
38
10
11
12
13
19
20
19
9
1
2
3
FIT
1:1
100%

Артикул

Название

Примечание

Количество

1

14X-62-53531

Elbow

SN: 80001-80083

1шт.

2

201-60-11390

O-ring

SN: 80001-80083

1шт.

3

20Y-62-19560

O-ring

SN: 80001-80083

1шт.

3

14X-62-54930

Valve Assembly

SN: 80001-80083

1шт.

4

14X-62-54940

Elbow

SN: 80001-@

1шт.

5

201-60-11390

O-ring

SN: 80001-@

1шт.

6

20Y-62-19560

O-ring

SN: 80001-@

1шт.

7

21W-62-44740

Plug

SN: 80001-@

1шт.

8

21W-62-99926

Poppet

SN: 80001-80083

1шт.

9

07002-11423

O-ring

SN: 80001-@

2шт.

10

14X-62-53541

Elbow

SN: 80001-@

2шт.

11

201-60-11390

O-ring

SN: 80001-@

1шт.

12

20Y-62-19560

O-ring

SN: 80001-@

1шт.

13

07002-11423

O-ring

SN: 80001-@

2шт.

14

14X-62-54950

Elbow

SN: 80001-@

2шт.

15

201-60-11390

O-ring

SN: 80001-@

1шт.

16

20Y-62-19560

O-ring

SN: 80001-@

1шт.

17

07002-11423

O-ring

SN: 80001-@

2шт.

18

14X-62-53541

Elbow

SN: 80001-@

2шт.

19

201-60-11390

O-ring

SN: 80001-@

1шт.

20

20Y-62-19560

O-ring

SN: 80001-@

1шт.

21

07002-11423

O-ring

SN: 80001-@

2шт.

22

02782-10210

Elbow

SN: 80001-@

1шт.

23

07002-11423

O-ring

SN: 80001-@

1шт.

24

02896-11008

O-ring

SN: 80001-@

1шт.

25

02782-10210

Elbow

SN: 80001-@

1шт.

26

07002-11423

O-ring

SN: 80001-@

1шт.

27

02896-11008

O-ring

SN: 80001-@

1шт.

28

14X-62-52521

Hose

SN: 80001-@

1шт.

29

02764-00205

Hose, Face Seal Type

SN: 80001-@

1шт.

30

02764-00204

Hose, Face Seal Type

SN: 80001-@

1шт.

31

02762-00303

Hose, Face Seal Type

SN: 80001-@

1шт.

32

04434-51212

Clip

SN: 80001-@

1шт.

33

21T-72-23260

Clip

SN: 80001-@

1шт.

34

01010-81225

Bolt

SN: 80001-@

1шт.

35

01643-31232

Washer

SN: 80001-@

1шт.

36

04434-51712

Clip

SN: 80001-@

3шт.

37

07095-20211

Cushion

SN: 80001-@

3шт.

38

01010-81220

Bolt

SN: 80001-@

3шт.

39

01643-31232

Washer

SN: 80001-@

3шт.

Выбрано товаров: 40