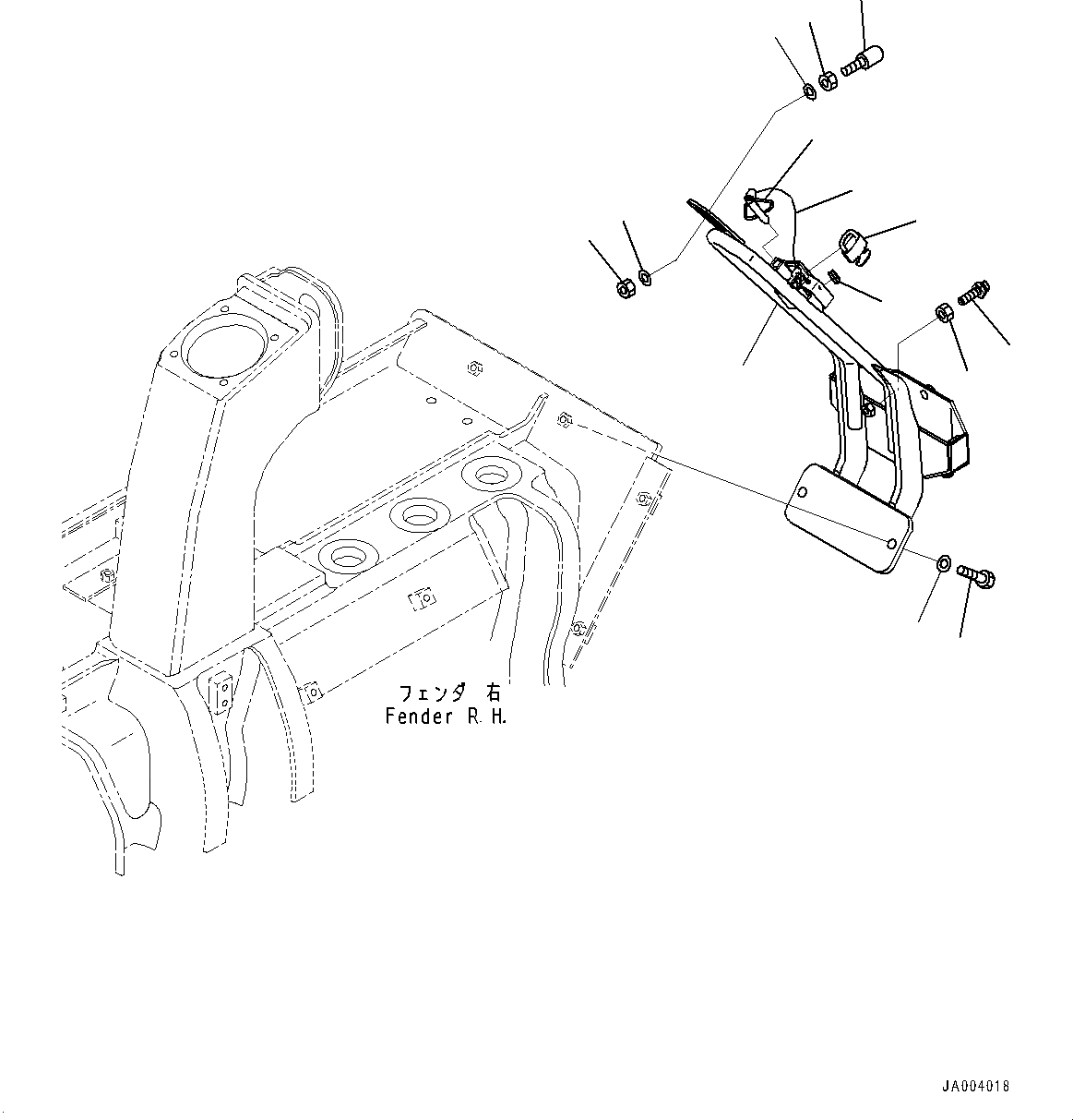
Запчасти Komatsu D65PX-16 ПОГРУЗ. ДЕРЖАТЕЛЬ (№8-) ПОГРУЗ. ДЕРЖАТЕЛЬ

Схема запчастей Komatsu D65PX-16 - ПОГРУЗ. ДЕРЖАТЕЛЬ (№8-) ПОГРУЗ. ДЕРЖАТЕЛЬ
3
4
1
2
5
7
8
9
10
11
12
4
3
6
FIT
1:1
100%

Артикул

Название

Примечание

Количество

1

14X-54-53611

Holder

SN: 80001-UP

1шт.

2

09453-00002

Stopper, Door

SN: 80001-UP

1шт.

3

01580-11210

Nut

SN: 80001-UP

2шт.

4

01643-31232

Washer

SN: 80001-UP

2шт.

5

09311-41237

Bumper, Pedal

SN: 80001-UP

3шт.

6

01580-11210

Nut

SN: 80020-UP

3шт.

7

09415-00506

Cap

SN: 80001-UP

1шт.

8

14X-54-12750

Holder

SN: 80001-UP

1шт.

9

14X-54-12770

Holder

SN: 80001-UP

1шт.

10

09460-00000

Padlock

SN: 80001-UP

1шт.

11

01010-81240

Bolt

SN: 80001-UP

2шт.

12

01643-31232

Washer

SN: 80001-UP

2шт.

Выбрано товаров: 0