Запчасти Komatsu D65PX-16 КАБИНА ROPS, ОСНОВН. КОНСТРУКЦИЯ ВНУТР. ПОКРЫТИЕ (№8-) КАБИНА ROPS, С KOMTRAX, ORBCOMM, PROVISION ДЛЯ РАДИО

Схема запчастей Komatsu D65PX-16 - КАБИНА ROPS, ОСНОВН. КОНСТРУКЦИЯ ВНУТР. ПОКРЫТИЕ (№8-) КАБИНА ROPS, С KOMTRAX, ORBCOMM, PROVISION ДЛЯ РАДИО
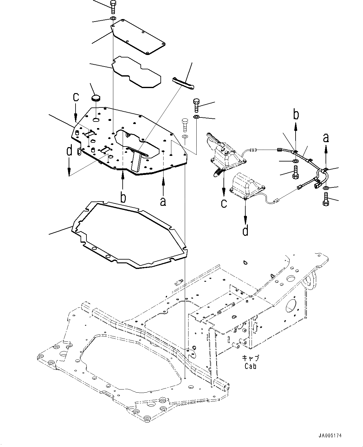
1
2
3
4
5
6
7
8
6
5
15
14
13
12
11
10
9
FIT
1:1
100%

Артикул

Название

Примечание

Количество

1

14X-43-51612

Floor

SN: 80065-UP

1шт.

2

14X-43-51850

Sheet

SN: 80001-UP

1шт.

3

14X-43-51541

Cover

SN: 80001-UP

1шт.

4

14X-43-51860

Sheet

SN: 80001-UP

1шт.

5

01010-81225

Bolt

SN: 80065-UP

14шт.

6

01643-31232

Washer

SN: 80065-UP

14шт.

7

09415-03614

Cap

SN: 80001-UP

1шт.

8

14X-43-13760

Cap

SN: 80001-UP

1шт.

9

14X-06-51140

Wiring Harness

SN: 80001-UP

1шт.

10

04434-51410

Clip

SN: 80001-UP

1шт.

11

01010-81020

Bolt

SN: 80001-UP

1шт.

12

01643-31032

Washer

SN: 80001-UP

1шт.

13

04434-51010

Clip

SN: 80001-UP

3шт.

14

01010-81020

Bolt

SN: 80001-UP

3шт.

15

01643-31032

Washer

SN: 80001-UP

3шт.

Выбрано товаров: 0