Запчасти Komatsu D65PX-17 КРЫЛО, КРЫЛО И КОРПУС (№-) КРЫЛО, ПОВОРОТН. ОТВАЛ С ИЗМ. УГЛОМ DOZER, ВНУТР. РАМА, ЗАДН. -НАВЕСН. ОБОРУД, АККУМУЛЯТОР, PPC ТРУБЫ, D MACHINE УПРАВЛ-Е ЗАГЛУШКА И PLAY

Схема запчастей Komatsu D65PX-17 - КРЫЛО, КРЫЛО И КОРПУС (№-) КРЫЛО, ПОВОРОТН. ОТВАЛ С ИЗМ. УГЛОМ DOZER, ВНУТР. РАМА, ЗАДН. -НАВЕСН. ОБОРУД, АККУМУЛЯТОР, PPC ТРУБЫ, D MACHINE УПРАВЛ-Е ЗАГЛУШКА И PLAY
2
5
4
3
1
FIT
1:1
100%

Артикул

Название

Примечание

Количество

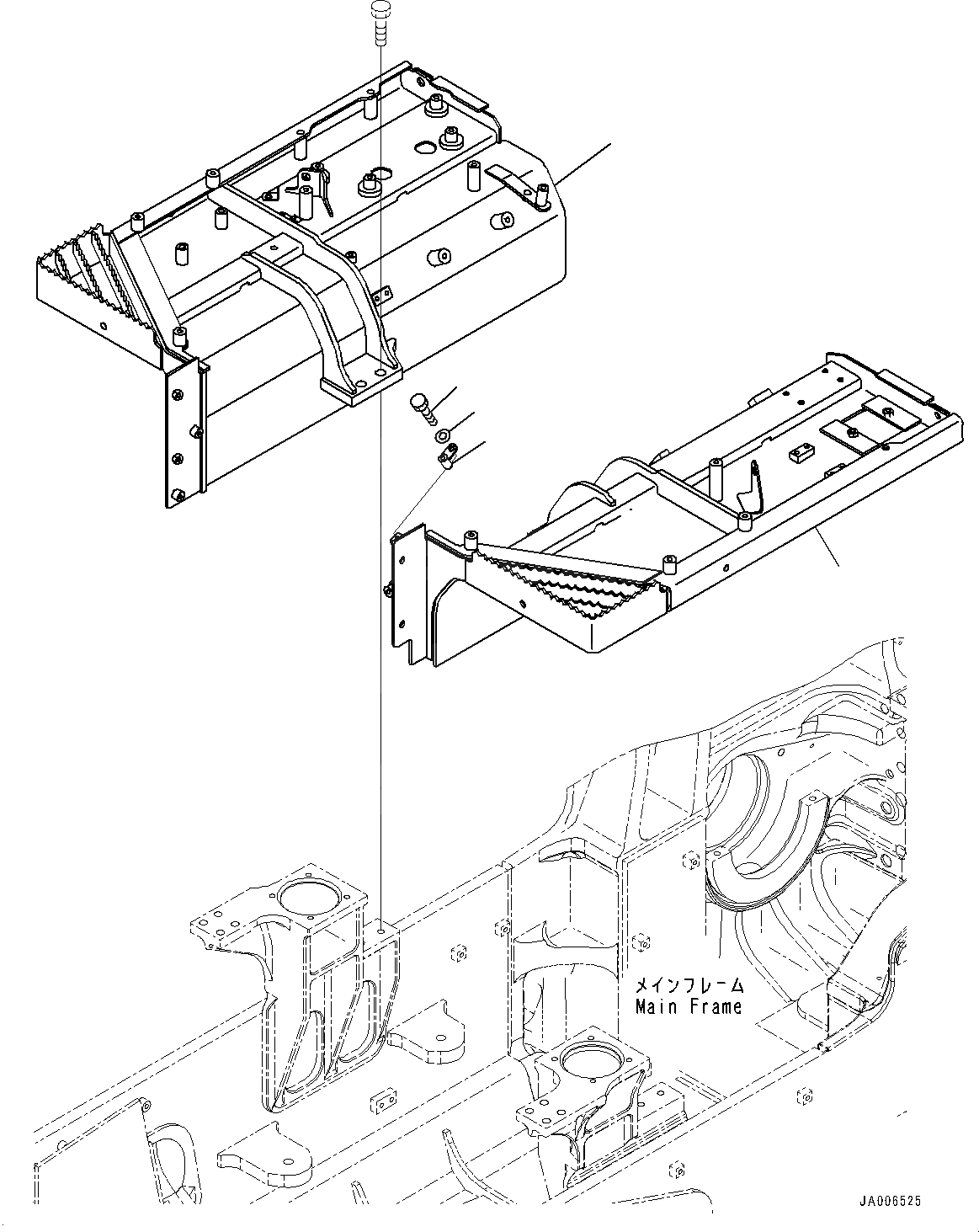
1

14X-54-63112

Fender

SN: 1528-UP

1шт.

|$1

14X-54-63111

Fender

SN: 1001-1527

1шт.

2

14X-54-63121

Fender

SN: 1001-UP

1шт.

3

14X-50-35140

Bracket

SN: 1001-UP

1шт.

4

01010-81225

Bolt

SN: 1001-UP

1шт.

5

01643-31232

Washer

SN: 1001-UP

1шт.

Выбрано товаров: 6