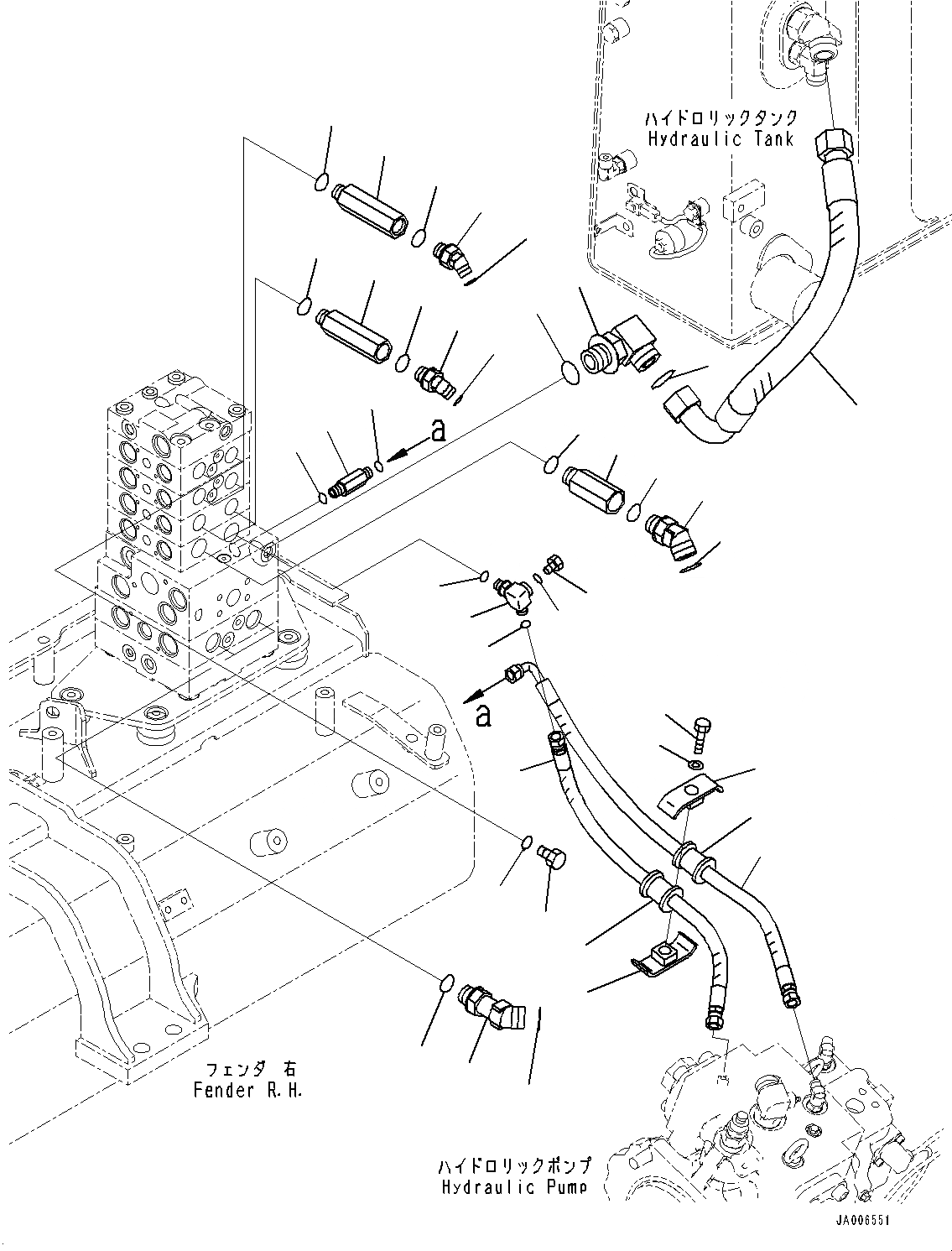
Запчасти Komatsu D65PX-17 КРЫЛО, КЛАПАН PPCТРУБЫ (№-) КРЫЛО, ПОВОРОТН. ОТВАЛ С ИЗМ. УГЛОМ DOZER, ВНУТР. РАМА, АККУМУЛЯТОР, PPC ТРУБЫ

Схема запчастей Komatsu D65PX-17 - КРЫЛО, КЛАПАН PPCТРУБЫ (№-) КРЫЛО, ПОВОРОТН. ОТВАЛ С ИЗМ. УГЛОМ DOZER, ВНУТР. РАМА, АККУМУЛЯТОР, PPC ТРУБЫ
1
2
3
4
5
6
7
8
32
33
34
35
36
37
38
19
18
17
16
15
35
36
29
28
26
27
25
31
30
24
23
21
22
20
14
13
12
11
10
9
FIT
1:1
100%

Артикул

Название

Примечание

Количество

1

21W-62-42640

Elbow

SN: 1001-UP

1шт.

2

07002-13334

O-ring

SN: 1001-UP

1шт.

3

207-62-64740

O-ring

SN: 1001-UP

1шт.

4

14X-62-54870

Tee

SN: 1001-UP

1шт.

5

07002-11423

O-ring

SN: 1001-UP

1шт.

6

02896-11008

O-ring

SN: 1001-UP

1шт.

7

07040-11007

Plug

SN: 1001-UP

1шт.

8

07002-11023

O-ring

SN: 1001-UP

1шт.

9

11Y-62-12230

Union

SN: 1001-UP

1шт.

10

07002-11423

O-ring

SN: 1001-UP

1шт.

11

02896-11008

O-ring

SN: 1001-UP

1шт.

12

11Y-62-36160

Elbow

SN: 1001-UP

2шт.

13

07002-62434

O-ring

SN: 1001-UP

2шт.

14

02896-61018

O-ring

SN: 1001-UP

2шт.

15

02783-10628

Elbow

SN: 1001-UP

2шт.

16

07002-12434

O-ring

SN: 1001-UP

2шт.

17

02896-11018

O-ring

SN: 1001-UP

2шт.

18

20T-62-81790

Joint

SN: 1001-UP

2шт.

19

07002-12434

O-ring

SN: 1001-UP

2шт.

20

02783-10315

Elbow

SN: 1001-UP

2шт.

21

07002-12034

O-ring

SN: 1001-UP

2шт.

22

02896-11009

O-ring

SN: 1001-UP

2шт.

23

14X-62-52931

Joint

SN: 1001-UP

2шт.

24

07002-12034

O-ring

SN: 1001-UP

2шт.

25

02783-10422

Elbow

SN: 1001-UP

2шт.

26

07002-12034

O-ring

SN: 1001-UP

2шт.

27

02896-11012

O-ring

SN: 1001-UP

2шт.

28

14X-62-52931

Joint

SN: 1001-UP

2шт.

29

07002-12034

O-ring

SN: 1001-UP

2шт.

30

07040-12012

Plug

SN: 1001-UP

2шт.

31

07002-12034

O-ring

SN: 1001-UP

2шт.

32

14X-62-52940

Hose

SN: 1001-UP

1шт.

33

14X-62-52391

Hose

SN: 1001-UP

1шт.

34

14X-62-52541

Hose

SN: 1001-UP

1шт.

35

22P-62-13540

Clamp

SN: 1001-UP

2шт.

36

07095-00314

Cushion

SN: 1001-UP

2шт.

37

01010-81260

Bolt

SN: 1001-UP

1шт.

38

01643-31232

Washer

SN: 1001-UP

1шт.

Выбрано товаров: 38