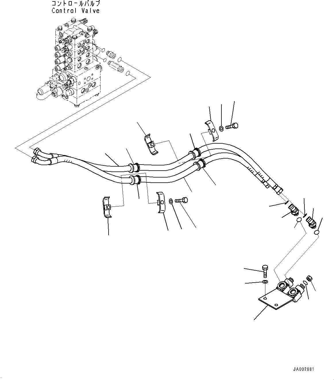
Запчасти Komatsu D65PX-17 ЗАДН. ГИДРОЛИНИЯ (№-) ЗАДН. ГИДРОЛИНИЯ

Схема запчастей Komatsu D65PX-17 - ЗАДН. ГИДРОЛИНИЯ (№-) ЗАДН. ГИДРОЛИНИЯ
3
4
3
6
5
1
4
4
3
2
3
6
5
8
7
9
8
7
9
11
12
10
13
14
4
FIT
1:1
100%

Артикул

Название

Примечание

Количество

1

14X-78-51181

Hose Assembly

SN: 1001-UP

1шт.

2

14X-78-51191

Hose Assembly

SN: 1001-UP

1шт.

3

22P-62-13550

Clamp

SN: 1001-UP

4шт.

4

07095-00526

Cushion

SN: 1001-UP

4шт.

5

01010-81270

Bolt

SN: 1001-UP

2шт.

6

01643-31232

Washer

SN: 1001-UP

2шт.

7

02783-10522

Elbow

SN: 1001-UP

2шт.

8

02896-11015

O-ring

SN: 1001-UP

2шт.

9

07002-12434

O-ring

SN: 1001-UP

2шт.

10

14X-78-51171

Block

SN: 1001-UP

1шт.

11

01010-81230

Bolt

SN: 1001-UP

2шт.

12

01643-31232

Washer

SN: 1001-UP

2шт.

13

02896-11015

O-ring

SN: 1001-UP

2шт.

14

02789-00522

Plug, Face Seal Type

SN: 1001-UP

2шт.

Выбрано товаров: 14